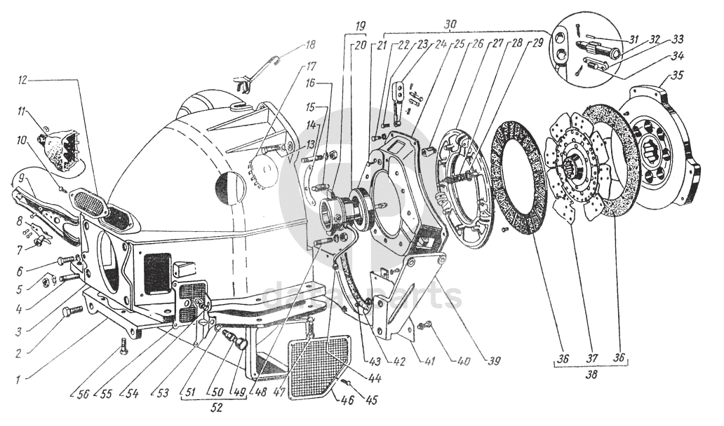
Сцепление ГАЗ-12 (ЗИМ)

1
12-1601018
Картер сцепления, нижняя часть
Кол-во
1
?
2
201567-П8
Болт 1М12х1,25х40 крепления картера коробки передач к нижнему картеру сцепления
Кол-во
2
?
3
12-1601015
Картер сцепления, верхняя часть
Кол-во
1
?
4
291847-П8
Шпилька М12х1,25х32
Кол-во
4
?
5
252237-П8
Шайба 12 зубчатая
Кол-во
6
?
6
201521-П8
Болт М10х1-6gх32
Кол-во
1
?
7
11 -7576
Опора
Кол-во
1
?
8
11-7516
Пластина удерживающая вилки подшипника выключения сцепления
Кол-во
1
?
9
11-7514
Вилка подшипника выключения сцепления в сборе
Кол-во
1
?
10
292374-П
Штифт крепления сетки вентиляционного окна картера сцепления
Кол-во
2
?
11
11-7522
Чехол вилки подшипника выключения сцепления
Кол-во
1
?
12
12-1601025
Сетка вентиляционного окна картера сцепления в сборе
Кол-во
1
?
13
201285-П8
Болт М10-4hх32
Кол-во
2
?
14
291797-П8
Шпилька М10х1-4hх30
Кол-во
2
?
15
51-1601190
Скоба оттяжной пружины муфты подшипника выключения сцепления
Кол-во
1
?
16
11-7562
Пружина оттяжная муфты подшипника выключения сцепления
Кол-во
1
?
17
12-1601030
Заглушка отверстия картера сцепления в сборе
Кол-во
1
?
18
51-1601034-А
Крышка люка установки зажигания в сборе
Кол-во
1
?
19
11-7561-А
Муфта подшипника выключения сцепления
Кол-во
1
?
20
20-1601072
Подшипник выключения сцепления (ГПЗ-688911)
Кол-во
1
?
21
290634-П2
Болт М8х1х14
Кол-во
3
?
22
290654-П8
Болт М8-6gх22
Кол-во
6
?
23
11 -7575
Винт оттяжного рычага регулировочный
Кол-во
3
?
24
51-1601095
Рычаг оттяжной нажимного диска сцепления
Кол-во
3
?
25
11-7570
Кожух сцепления
Кол-во
1
?
26
11 -7582
Вилка оттяжного рычага нажимного диска сцепления опорная
Кол-во
3
?
27
51-1601093
Диск сцепления нажимной
Кол-во
1
?
28
51-7572
Пружина нажимного диска сцепления
Кол-во
9
?
29
11-7567
Шайба изолирующая нажимной пружины диска
Кол-во
9
?
30
12-1601090-Б
Диск сцепления нажимной с кожухом в сборе
Кол-во
1
?
31
11-7569
Игла 1,6х9 подшипника
Кол-во
57
?
32
11-7565
Палец игольчатого подшипника оттяжного рычага
Кол-во
3
?
33
11-7586
Палец опорной вилки оттяжного рычага нажимного диска сцепления
Кол-во
3
?
34
11-7583
Ролик 5,5х9 опорной вилки оттяжного рычага нажимного диска сцепления
Кол-во
3
?
35
12-1601091-Б
Диск сцепления ведущий
Кол-во
1
?
36
51-1601138-Б
Кольцо фрикционное диска сцепления
Кол-во
2
?
37
51-1601135
Пластина пружинная крепления фрикционных колец к диску сцепления
Кол-во
8
?
38
12-1601130-Б
Диск сцепления ведомый в сборе
Кол-во
1
?
39
12-1601265
Усилитель крепления картера сцепления левый
Кол-во
1
?
40
201454-П8
Болт М8-6gх16
Кол-во
4
?
41
12-1601017
Пластина картера сцепления в сборе
Кол-во
1
?
42
11-7608
Уплотнитель нижней части картера сцепления
Кол-во
1
?
43
201418-П8
Болт М6-6gх16
Кол-во
2
?
44
11-7557-А2
Гибкий шланг смазки подшипников
Кол-во
1
?
45
292374-П
Штифт крепления сетки вентиляционного окна картера сцепления
Кол-во
0
?
46
12-1601045
Сетка вентиляционного окна нижнего картера сцепления в сборе
Кол-во
1
?
47
200262-П8
Болт М8х32 крепления ролика
Кол-во
2
?
48
216281-П8
Шпилька М12х1,25х32
Кол-во
2
?
49
М-7559
Крышка масленки
Кол-во
1
?
50
М-7553
Пружина стопорная крышки масленки подшипника выключения сцепления
Кол-во
1
?
51
252176-П8
Шайба 10 пружинная
Кол-во
1
?
52
51-160125
Масленка подшипника выключения сцепления в сборе
Кол-во
1
?
53
11-7546
Кронштейн масленки
Кол-во
1
?
54
201416-П8
Болт М6-6gх12
Кол-во
3
?
55
11-7577
Сетка бокового люка картера сцепления в сборе
Кол-во
1
?
56
201458-П8
Болт М8х1,25х25
Кол-во
6
?
Есть готовая заявка? Отправьте ее нам!
Если у вас уже есть список необходимых запчастей, загрузите файл с ним или укажите артикулы и названия запчастей в поле Комментарий, а также оставьте свои контактные данные. В течение рабочего дня мы оценим вашу заявку и отправим вам коммерческое предложение.
Отдел продаж

Если у вас уже есть готовая заявка на запасные части, то просто прикрепите файл с ней либо в поле «Комментарии» напишите артикулы и названия необходимых вам запчастей и оставьте контактные данные.

В течение рабочего дня мы выполним расчёт по вашей заявке и направим вам коммерческое предложение.

Только один файл.
Ограничение 128 МБ.
Допустимые типы: txt, rtf, pdf, doc, docx, odt, ppt, pptx, odp, xls, xlsx, ods.
пример: 89511234567 или +79511324567
Отправляя форму вы подтверждаете согласие с политикой обработки персональных данных.