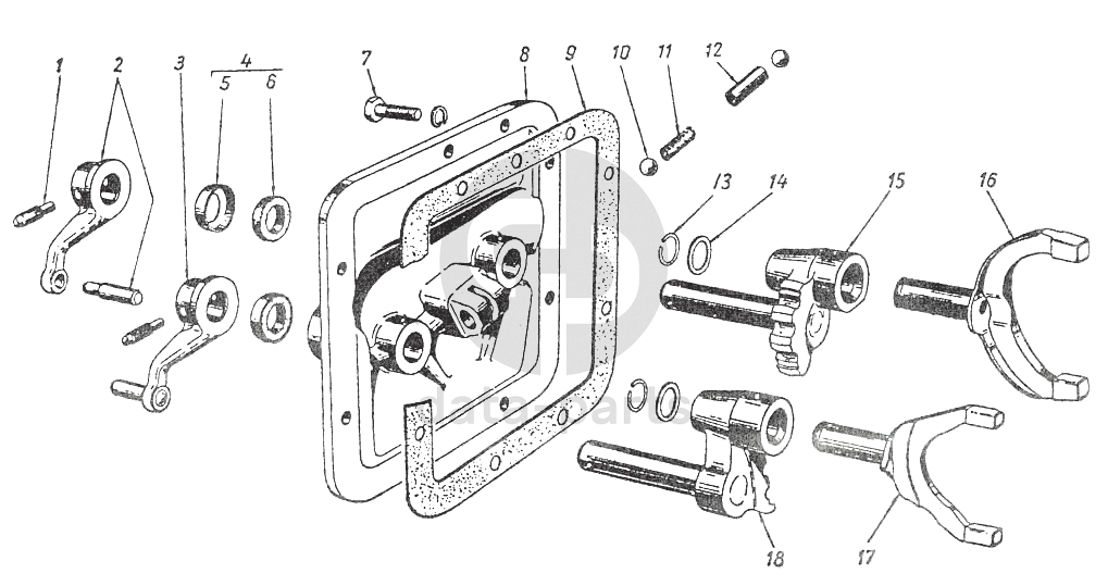
Механизм переключения передач ГАЗ-12 (ЗИМ)

1
2
3
4
5
6
7
8
9
10
11
12
13
14
15
16
17
18
%
1
295025-П
Штифт диаметром 6х28 рычага
Кол-во
2
?
2
20-1702115
Рычаг переключения второй и третьей передач
Кол-во
1
?
3
20-1702114-Б
Рычаг переключения первой передачи и заднего хода
Кол-во
1
?
4
20-1702018
Сальник боковой крышки коробки передач в сборе
Кол-во
2
?
5
20-1702019
Обойма сальника боковой крышки коробки передач
Кол-во
2
?
6
20-1702020
Набивка сальника боковой крышки коробки передач
Кол-во
2
?
7
201458-П8
Болт М8х1,25х25
Кол-во
8
?
8
20-1702015-Б3
Крышка боковая коробки передач
Кол-во
1
?
9
20-1702014
Прокладка между картером и боковой крышкой коробки передач
Кол-во
1
?
10
263014-П
Шарик диаметром 9,5 мм фиксатора механизма переключения передач
Кол-во
2
?
11
20-1702106
Пружина стопорного шарика
Кол-во
1
?
12
20-1702108-А
Плунжер блокирующий рычага переключения передач
Кол-во
1
?
13
20-1702047
Кольцо стопорное
Кол-во
2
?
14
20-1702045
Кольцо упорное вилок переключения передач
Кол-во
2
?
15
20-1702031
Сектор переключения вилки второй и третьей передач с осью в сборе
Кол-во
1
?
16
20-1702030-Б
Вилка переключения 2-й и 3-й передач коробки передач
Кол-во
1
?
17
20-1702024-Б
Вилка переключения 1-й передачи и заднего хода коробки передач
Кол-во
1
?
18
20-1702025
Сектор переключения вилки первой передачи и заднего хода с осью в сборе
Кол-во
1
?
Есть готовая заявка? Отправьте ее нам!
Если у вас уже есть список необходимых запчастей, загрузите файл с ним или укажите артикулы и названия запчастей в поле Комментарий, а также оставьте свои контактные данные. В течение рабочего дня мы оценим вашу заявку и отправим вам коммерческое предложение.
Отдел продаж

Если у вас уже есть готовая заявка на запасные части, то просто прикрепите файл с ней либо в поле «Комментарии» напишите артикулы и названия необходимых вам запчастей и оставьте контактные данные.

В течение рабочего дня мы выполним расчёт по вашей заявке и направим вам коммерческое предложение.

Только один файл.
Ограничение 128 МБ.
Допустимые типы: txt, rtf, pdf, doc, docx, odt, ppt, pptx, odp, xls, xlsx, ods.
пример: 89511234567 или +79511324567
Отправляя форму вы подтверждаете согласие с политикой обработки персональных данных.