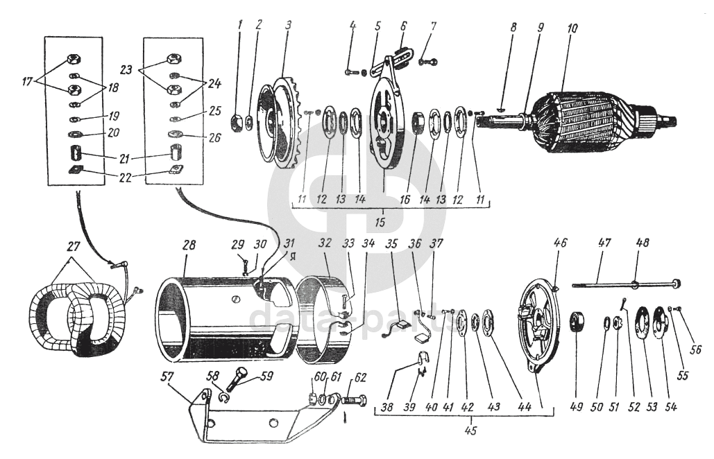
Генератор ГАЗ-12 (ЗИМ)

1
МХ-0235
Гайка М16х1,5-6Н
Кол-во
1
?
2
МХ-0234
Шайба 16Л пружинная
Кол-во
1
?
3
Г20-3701051-Б
Шкив генератора
Кол-во
1
?
4
201457-П8
Болт М8-6gх22
Кол-во
2
?
5
20Е-3701035
Планка установочная генератора
Кол-во
1
?
6
70-10003
Скоба прижимная
Кол-во
1
?
7
252135-П2
Шайба 8Т ОСТ 37.001.115-75
Кол-во
2
?
В наличии
4 ₽
8
Б-16
Шпонка сегментная шкива генератора
Кол-во
1
?
9
Г21-3701005
Чашка переднего подшипника генератора опорная
Кол-во
1
?
10
Г20-3701200
Якорь генератора в сборе
Кол-во
1
?
11
7Х-4066
Винт крепления держателя сальника переднего подшипника якоря генератора
Кол-во
4
?
12
Г21-3701402-Б
Держатель сальника переднего подшипника якоря генератора наружный (шайба)
Кол-во
2
?
13
МХ-0326
Сальник переднего подшипника якоря генератора
Кол-во
2
?
14
Г21-3701403-Б
Держатель сальника переднего подшипника якоря генератора внутренний (шайба)
Кол-во
2
?
15
Г20-3701400-Б
Крышка генератора со стороны привода в сборе
Кол-во
1
?
16
ГПЗ-203
Подшипник шариковый якоря генератора передний
Кол-во
1
?
17
8Х-1532
Гайка вывода Ш
Кол-во
2
?
18
М11-41081
Шайба 5Т пружинная
Кол-во
2
?
19
8Х-1497
Шайба 5
Кол-во
1
?
20
Х-4489
Шайба изоляционная шунтового вывода
Кол-во
1
?
21
Г21-3701104
Втулка щеточного вывода изоляционная
Кол-во
1
?
21
Г21-3701104-А
Втулка изоляционная
Кол-во
1
?
22
Г21-3701106
Шайба изоляционная шунтового и щеточного выводов
Кол-во
1
?
23
8Х-1533
Гайка М6-6Н
Кол-во
2
?
24
М11-40076
Шайба пружинная
Кол-во
2
?
25
МХ-0276
Шайба 6
Кол-во
1
?
26
Х-4490
Шайба изоляционная щеточного вывода
Кол-во
1
?
27
Г21-3701110
Катушка возбуждения в сборе
Кол-во
1
?
28
Г21-3701100
Корпус генератора в сборе
Кол-во
1
?
29
7Х-1598
Винт М5-8hх12
Кол-во
1
?
30
Х-4001
Шайба 5Т пружинная
Кол-во
0
?
31
Г15-3701180
Вывод щеточный в сборе (клемма Я)
Кол-во
1
?
32
Г21-3701041
Лента защитная коллектора генератора
Кол-во
1
?
33
МХ-0139
Винт М5
Кол-во
1
?
34
8Х-1531
Гайка М5
Кол-во
1
?
35
Г20-3701020
Щетка генератора в сборе
Кол-во
2
?
36
Х-4001
Шайба 5Т пружинная
Кол-во
0
?
37
7Х-1598
Винт М5-8hх12
Кол-во
0
?
38
Г16-3701305
Рычаг щетки генератора прижимной
Кол-во
2
?
39
Г13-3701304
Пружина щетки генератора
Кол-во
2
?
40
8Х-1541
Винт
Кол-во
3
?
41
Х-1012
Шайба 4 пружинная
Кол-во
3
?
42
Г21-3701313
Держатель сальника заднего подшипника генератора наружный (шайба)
Кол-во
1
?
43
Х5-9268
Сальник заднего подшипника генератора
Кол-во
1
?
44
Г21-3701314
Держатель сальника заднего подшипника генератора внутренний (шайба)
Кол-во
1
?
45
Г20-3701300
Крышка генератора со стороны коллектора в сборе
Кол-во
1
?
46
ГБФ-1561
Масленка подшипника генератора
Кол-во
2
?
47
Г21-3701080
Болт стяжной генератора
Кол-во
2
?
48
Х-4069
Шайба 8 пружинная
Кол-во
2
?
49
ГПЗ-202
Подшипник шариковый якоря генератора задний
Кол-во
1
?
50
Х3-9411
Шайба упорная якоря стартера передняя
Кол-во
1
?
51
Х2-10-83Д
Гайка крепления подшипника заднего конца якоря генератора
Кол-во
1
?
52
М11-40077
Шплинт
Кол-во
1
?
53
СБА-25-33Д
Прокладка крышки заднего подшипника генератора
Кол-во
1
?
54
СБА-25-22Д
Крышка заднего подшипника генератора
Кол-во
1
?
55
Х-1012
Шайба 4 пружинная
Кол-во
0
?
56
8Х-1541
Винт
Кол-во
0
?
57
12-3701030
Кронштейн крепления генератора к блоку цилиндров двигателя
Кол-во
1
?
58
252136-П2
Шайба 10 ОТ ОСТ 37.001.115-75
Кол-во
3
?
59
201497-П8
Болт М10х25
Кол-во
3
?
60
250867-П8
Гайка М8х1
Кол-во
0
?
60
250867-П8
Гайка М8Х1
Кол-во
0
?
61
252155-П2
Шайба 8Л ОСТ 37.001.115-75
Кол-во
2
?
62
290667-П8
Болт 1М8х1х30
Кол-во
2
?
Есть готовая заявка? Отправьте ее нам!
Если у вас уже есть список необходимых запчастей, загрузите файл с ним или укажите артикулы и названия запчастей в поле Комментарий, а также оставьте свои контактные данные. В течение рабочего дня мы оценим вашу заявку и отправим вам коммерческое предложение.
Отдел продаж

Если у вас уже есть готовая заявка на запасные части, то просто прикрепите файл с ней либо в поле «Комментарии» напишите артикулы и названия необходимых вам запчастей и оставьте контактные данные.

В течение рабочего дня мы выполним расчёт по вашей заявке и направим вам коммерческое предложение.

Только один файл.
Ограничение 128 МБ.
Допустимые типы: txt, rtf, pdf, doc, docx, odt, ppt, pptx, odp, xls, xlsx, ods.
пример: 89511234567 или +79511324567
Отправляя форму вы подтверждаете согласие с политикой обработки персональных данных.