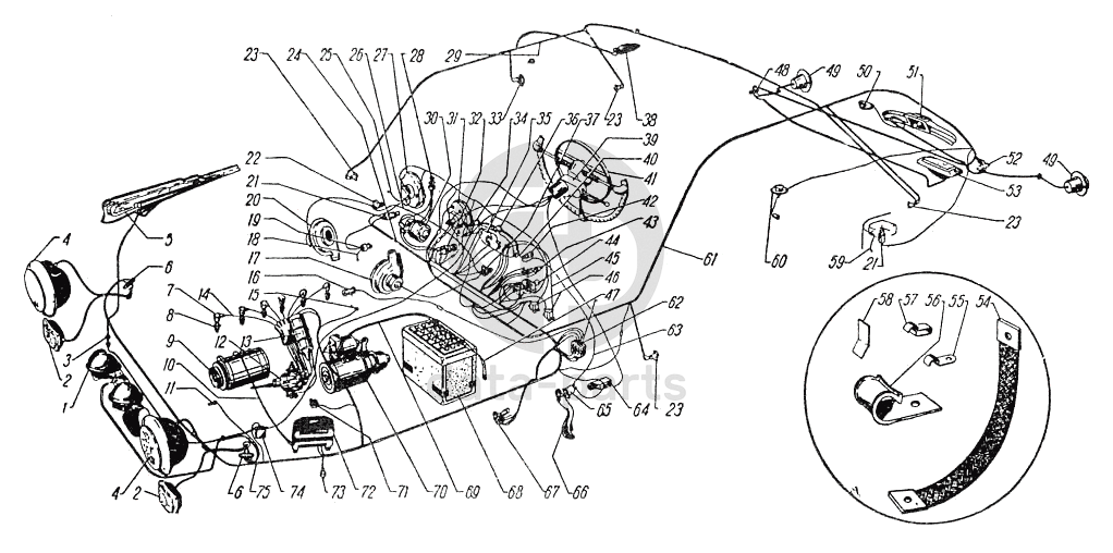
Схема электрооборудования ГАЗ-12 (ЗИМ)

1
С45-3721000
Сигнал двухтональный в сборе (12-3721010)
Кол-во
1
?
2
СЛ18А-5205400
Выключатель стеклоочистителя в сборе (30-5205070-В)
Кол-во
1
?
2
ПФ4-3712000
Подфарник в сборе (12-3712010)
Кол-во
2
?
3
32-8402888
Контакт лампы орнамента капота
Кол-во
1
?
4
ФГ4-3711800
Фара в сборе (12-3711010-А)
Кол-во
2
?
5
32-8402864
Орнамент капота верхний в сборе
Кол-во
1
?
6
ПС2-3723000
Панель проводов к фарам и подфарникам соединительная четырехклеммовая в сборе (51-3723010-А1)
Кол-во
2
?
7
20-3707180
Сопротивление свечи гасящее в сборе (СЭ12-3707000-А)
Кол-во
6
?
8
328102090
Переключатель электродвигателя вентилятора в сборе
Кол-во
1
?
8
СН55-3707000
Свеча запальная и прокладка в сборе (12-3707010-Г)
Кол-во
6
?
9
Г20-3701000-У
Генератор 12 в, 18 а в сборе (20-3701010-А)
Кол-во
1
?
10
20-3724032-В
Провода от генератора к реле-регулятору
Кол-во
1
?
11
12-3808025
Датчик контрольной лампы температуры воды в радиаторе в сборе типа ММ7
Кол-во
1
?
12
Р20-3706000-Б
Распределитель в сборе (51-3706010-Б)
Кол-во
1
?
13
Б21У-3705000
Катушка зажигания в сборе (51-3705010)
Кол-во
1
?
14
12-3707092
Провод от распределителя к помехогасительному сопротивлению свечи первого цилиндра в сборе
Кол-во
1
?
15
ТМ2Б-3808000
Датчик указателя температуры воды в сборе (51-3808020)
Кол-во
1
?
16
ПД1-3714000-В
Лампа подкапотная в сборе (12-3714310)
Кол-во
1
?
17
32-8102010
Вентилятор обдува ветрового окна в сборе
Кол-во
1
?
18
12-3724044
Провод соединения штепсельной розетки с массой в сборе
Кол-во
1
?
19
51-3715020
Розетка штепсельная переносной лампы в сборе (47К)
Кол-во
1
?
20
32-8102010
Вентилятор обдува ветрового окна в сборе
Кол-во
0
?
21
ПТ4-3725000
Прикуриватель в сборе (20-3725010-А)
Кол-во
2
?
22
32-8102090
Переключатель электродвигателя вентилятора в сборе
Кол-во
1
?
23
ВК2-3720000-А
Выключатель света дверной в сборе (20-3714245-Б)
Кол-во
4
?
24
12-3724035-Б
Провода к прикуривателю, часам и штепсельной розетке в сборе
Кол-во
1
?
25
20-3724045
Провод соединения часов с «массой» в сборе
Кол-во
0
?
26
12-3724067-Б
Провод от переключателя электродвигателя обдува ветрового стекла к переключателю электродвигателя отопителя кузова
Кол-во
1
?
27
12-3804010
Часы в сборе (АЧЗ, с электрическим подзаводом)
Кол-во
1
?
28
СЛ18А-5205400
Выключатель стеклоочистителя в сборе (30-5205070-В)
Кол-во
0
?
29
12-3724039-Б1
Пучок проводов №3 в сборе
Кол-во
1
?
30
СЛ24-5205000
Стеклоочиститель и привод в сборе (32-5205010)
Кол-во
1
?
31
СП21-3802000
Спидометр в сборе (12-3802010-Б)
Кол-во
1
?
32
20-3704009
Замок зажигания в сборе
Кол-во
1
?
33
ВК24-3720000-Л
Выключатель плафона в сборе (20-3714190-В)
Кол-во
1
?
34
12-3803015
Фонарь контрольной лампы температуры воды в радиаторе (ПД20-Б)
Кол-во
1
?
35
20-3724036-А
Провода соединения клемм питания манометра, термометра и указателя уровня бензина в сборе
Кол-во
1
?
36
КП10-3801000
Комбинация приборов в сборе (12-3801010)
Кол-во
1
?
37
328102090
Переключатель электродвигателя вентилятора в сборе
Кол-во
0
?
38
ПК4-3714000
Плафон в сборе (12-3714010)
Кол-во
1
?
39
П36-3726000
Переключатель указателей поворота в сборе
Кол-во
1
?
40
12-3724046
Провод от контрольной лампы ручного тормоза на массу в сборе
Кол-во
1
?
41
12-3402050
Кольцо включателя сигнала в сборе
Кол-во
1
?
42
12-3803010
Контрольная лампа включения ручного тормоза (ПД-20)
Кол-во
1
?
43
ВК4-3720000-В
Включатель кнопочный стартера в сборе (12-3708100)
Кол-во
1
?
44
П9-3123000
Переключатель света центральный с реостатом и включателем освещения щитка в сборе (12-3709010-Б)
Кол-во
1
?
45
12-3724068
Провод от амперметра к предохранителю цепи освещения в сборе
Кол-во
1
?
46
ПР2-3722000
Предохранитель биметаллический тепловой на 20 а цепи освещения (12-3722220)
Кол-во
2
?
47
20-3724062
Провод соединения аккумуляторной батареи с «массой» в сборе
Кол-во
1
?
48
ПС4-3723000
Панель соединительная проводов к правому заднему фонарю (двухклеммовая) в сборе (20-3723010-А1)
Кол-во
1
?
49
ФП10-3716000
Фонарь задний в сборе (12-3716010)
Кол-во
2
?
50
ФП12-3716000
Фонарь освещения багажника кузова в сборе (12-3714150)
Кол-во
1
?
51
12-3718010-Б
Фонарь сигнала «Стоп» в сборе
Кол-во
1
?
52
ПС1-3723000
Панель проводов к фарам и подфарникам (трехклеммовая) соединительная в сборе
Кол-во
1
?
53
ФП6-3717000
Фонарь освещения заднего номерного знака в сборе (12-3717010)
Кол-во
1
?
54
12-3724063
Провод соединения двигателя с кузовом в сборе
Кол-во
1
?
55
51-3802040
Скоба
Кол-во
2
?
56
51-3724093
Скоба крепления пучка проводов
Кол-во
1
?
56
М-14566
Скоба крепления проводов
Кол-во
1
?
57
М-14586
Скоба
Кол-во
2
?
58
51-3724092
Скоба крепления проводов к каркасу переднего сиденья
Кол-во
1
?
59
12-3724059
Провод соединения прикуривателя в подлокотнике с массой в сборе
Кол-во
1
?
60
БМ20-3806000
Датчик указателя уровня бензина основного бака в сборе (51-3806020-Б1)
Кол-во
1
?
61
12-3724030-В
Пучок проводов №2 в сборе
Кол-во
1
?
62
ПР12-3722000-Б2
Блок предохранителей в сборе
Кол-во
1
?
63
12-3724058
Провод от выключателя к контрольной лампе ручного привода тормоза в сборе
Кол-во
1
?
64
20-3726150-А
Прерыватель указателей поворота в сборе (РС55)
Кол-во
1
?
65
20-3714245-Б
Выключатель контрольной лампы ручного тормоза ВК2-А
Кол-во
1
?
66
12-3508015
Рычаг тормоза ручной в сборе
Кол-во
1
?
67
51-3710010
Переключатель света ножной в сборе
Кол-во
1
?
68
12-3703010
Батарея аккумуляторная 6-СТ-68-ЭМ в сборе (с электролитом, заряженная)
Кол-во
1
?
69
12-3724050-Б
Провод от аккумуляторной батареи к включателю стартера в сборе
Кол-во
1
?
70
СТ20-3708000-Б
Стартер с реле в сборе (12-3708010)
Кол-во
1
?
71
ММ4-3810000
Датчик указателя давления масла в сборе (51-3810020)
Кол-во
1
?
72
Р12-3702000-Б
Реле-регулятор напряжения и ограничитель тока в сборе (20-3702010)
Кол-во
1
?
73
В К12-3720000
Включатель света сигнала «Стоп» гидравлический в сборе (20-3720010)
Кол-во
1
?
74
РС3-3721000-Б
Реле сигналов в сборе (12-3721225)
Кол-во
1
?
75
12-3724015-В1
Пучок проводов №1 в сборе
Кол-во
1
?
Есть готовая заявка? Отправьте ее нам!
Если у вас уже есть список необходимых запчастей, загрузите файл с ним или укажите артикулы и названия запчастей в поле Комментарий, а также оставьте свои контактные данные. В течение рабочего дня мы оценим вашу заявку и отправим вам коммерческое предложение.
Отдел продаж

Если у вас уже есть готовая заявка на запасные части, то просто прикрепите файл с ней либо в поле «Комментарии» напишите артикулы и названия необходимых вам запчастей и оставьте контактные данные.

В течение рабочего дня мы выполним расчёт по вашей заявке и направим вам коммерческое предложение.

Только один файл.
Ограничение 128 МБ.
Допустимые типы: txt, rtf, pdf, doc, docx, odt, ppt, pptx, odp, xls, xlsx, ods.
пример: 89511234567 или +79511324567
Отправляя форму вы подтверждаете согласие с политикой обработки персональных данных.