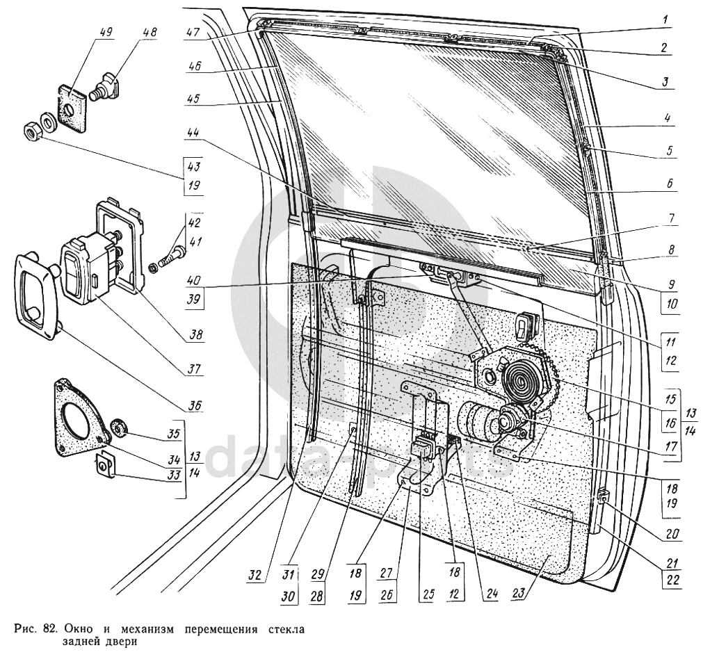
Окно и механизм перемещения стекла задней двери ГАЗ-14 (Чайка)

1
14-6203504
Окантовка проема окна наружная верхняя
Кол-во
2
?
2
14-6203200
Желобок опускного стекла верхний в сборе
Кол-во
2
?
3
14-6203498
Окантовка проема окна внутренняя верхняя
Кол-во
2
?
4
14-6203478
Окантовка проема окна наружная задняя
Кол-во
2
?
5
14-6203440
Желобок опускного стекла задний в сборе
Кол-во
2
?
6
14-6203510
Окантовка проема окна внутренняя задняя
Кол-во
2
?
7
240806-П29
Винт 3х10
Кол-во
0
?
8
224521-П29
Винт М3-6gх6
Кол-во
0
?
9
14-6203210
Стекло опускное правое в сборе
Кол-во
1
?
10
14-6203211
Стекло опускное левое в сборе
Кол-во
1
?
11
224622-П29
Винт М6-6gх10 ОСТ 37.001.130-81
Кол-во
8
?
12
252274-П29
Шайба 6 ОСТ 37.001.146-75
Кол-во
4
?
13
14-6204012
Стеклоподъемник задней правой двери в сборе
Кол-во
1
?
14
14-6204013
Стеклоподъемник задней левой двери в сборе
Кол-во
1
?
15
А206-6204000
Механизм стеклоподъемника задней правой двери (14-6204020)
Кол-во
1
?
16
А207-6204000
Механизм стеклоподъемника задней левой двери (14-6204021)
Кол-во
1
?
17
МЭ212
Электродвигатель стеклоподъемника в сборе (13Ю-6104210)
Кол-во
2
?
18
224624-П29
Винт М6-6gх14 ОСТ 37.001.130-81
Кол-во
4
?
19
293226-П29
Шайба 6,5
Кол-во
2
?
20
223064-П29
Винт М6-6gх14
Кол-во
0
?
21
14-6203447
Обойма левая в сборе
Кол-во
0
?
22
14-6203446
Обойма правая в сборе
Кол-во
0
?
23
14-6201067
Заклейка внутренней панели
Кол-во
2
?
24
АЮ-46570
Буфер упора
Кол-во
2
?
25
РС700Т
Реле включения электродвигателя
Кол-во
2
?
26
14-6204126
Кронштейн крепления реле правый в сборе
Кол-во
1
?
27
14-6204127
Кронштейн крепления реле левый в сборе
Кол-во
1
?
28
14-6203240
Стойка направляющая опускного стекла правая в сборе
Кол-во
1
?
29
14-6203241
Стойка направляющая опускного стекла левая в сборе
Кол-во
1
?
30
201415-П29
Болт М6-6gх10 ОСТ 37.001.123-96
Кол-во
4
?
31
252269-П29
Шайба 6 ОСТ 37.001.145-75
Кол-во
4
?
32
14-6203430
Желобок опускного стекла передний в сборе
Кол-во
2
?
33
13-6104216
Шина контактная электродвигателя стеклоподъемника передней двери
Кол-во
2
?
34
13Ю-6104214
Прокладка электродвигателя стеклоподъемника передней двери
Кол-во
2
?
35
298445-П
Прокладка
Кол-во
6
?
36
14-6204520
Облицовка выключателя
Кол-во
2
?
37
ВК346
Выключатель мотора стеклоподъемника (14-6204510)
Кол-во
2
?
38
14-6204554
Держатель выключателя в сборе
Кол-во
2
?
39
14-6104110
Кулиса стеклоподъемника правая
Кол-во
1
?
40
14-6104111
Кулиса стеклоподъемника левая
Кол-во
1
?
41
220005-П29
Винт М3х12
Кол-во
8
?
42
252130-П29
Шайба пружинная 3
Кол-во
8
?
43
250608-П29
Гайка М6-6Н ОСТ 37.001.124-93
Кол-во
2
?
44
14-6203470
Окантовка проема окна наружная нижняя в сборе
Кол-во
0
?
45
14-6103468
Окантовка проема окна внутренняя
Кол-во
2
?
46
14-6103480
Окантовка проема окна наружная
Кол-во
0
?
47
24-6203482
Муфта угловая верхняя
Кол-во
4
?
48
14-6203346
Палец
Кол-во
2
?
49
14-6203340
Ползун направляющей стойки
Кол-во
2
?
Есть готовая заявка? Отправьте ее нам!
Если у вас уже есть список необходимых запчастей, загрузите файл с ним или укажите артикулы и названия запчастей в поле Комментарий, а также оставьте свои контактные данные. В течение рабочего дня мы оценим вашу заявку и отправим вам коммерческое предложение.
Отдел продаж

Если у вас уже есть готовая заявка на запасные части, то просто прикрепите файл с ней либо в поле «Комментарии» напишите артикулы и названия необходимых вам запчастей и оставьте контактные данные.

В течение рабочего дня мы выполним расчёт по вашей заявке и направим вам коммерческое предложение.

Только один файл.
Ограничение 128 МБ.
Допустимые типы: txt, rtf, pdf, doc, docx, odt, ppt, pptx, odp, xls, xlsx, ods.
пример: 89511234567 или +79511324567
Отправляя форму вы подтверждаете согласие с политикой обработки персональных данных.