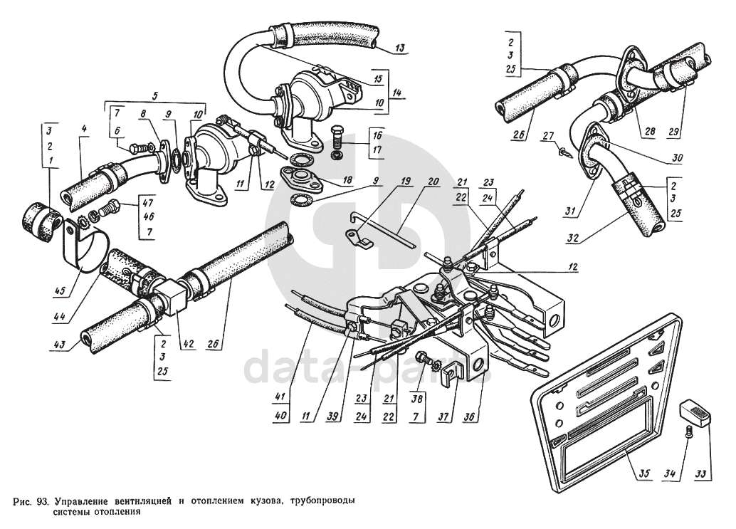
Управление вентиляцией и отоплением кузова, трубопроводы системы отопления ГАЗ-14 (Чайка)

1
297585-П29
Лента 10Х255
Кол-во
2
?
2
297575-П29
Шплинт 5,6х22
Кол-во
16
?
3
297580-П29
Пряжка
Кол-во
16
?
4
66-01-8101030-01
Шланг подводящий левый
Кол-во
1
?
6
290487-П29
Болт М6-6gх12
Кол-во
0
?
7
252274-П29
Шайба 6 ОСТ 37.001.146-75
Кол-во
2
?
8
14-8120027
Трубка крана с фланцем левая в сборе
Кол-во
0
?
9
21-01-8101332
Прокладка уплотнительная (24-76-8101028)
Кол-во
0
?
10
21-01-8101150
Кран отопителя (24-76-8101020)
Кол-во
0
?
11
290277-П29
Болт М4х8
Кол-во
11
?
12
21Ю-5304198
Зажим
Кол-во
10
?
13
24-24-8101038
Шланг подводящий от крана к отопителю правый
Кол-во
0
?
14
14-8120018
Кран правый с трубкой в сборе
Кол-во
0
?
15
14-8120027
Трубка крана с фланцем левая в сборе
Кол-во
0
?
16
201419-П29
Болт М6-6gх18 ОСТ 37.001.123-96
Кол-во
0
?
17
252154-П29
Шайба 6Л ОСТ 37.001.115-75
Кол-во
0
?
18
14-8120024
Переходник крана
Кол-во
0
?
19
14-8109266
Держатель тяги
Кол-во
2
?
20
14-8109260
Тяга привода управления крышкой вентиляции кузова
Кол-во
1
?
21
14-8109096
Оболочка тяги управления крышкой воздухопритока в сборе
Кол-во
2
?
22
14-8109100
Тяга управления крышкой воздухопритока
Кол-во
2
?
23
14-8109090
Оболочка тяги управления заслонкой отопителя в сборе
Кол-во
2
?
24
14-8109094
Тяга управления заслонкой отопителя
Кол-во
2
?
25
297584-П29
Лента 10х235
Кол-во
14
?
26
14-8120032
Шланг тройника
Кол-во
1
?
27
240618-П29
Винт М4х12
Кол-во
4
?
28
14-8120030
Шланг отопителя отводящий правый
Кол-во
2
?
29
14-8120132
Шланг заднего отопителя отводящий
Кол-во
1
?
30
14-8120174
Уплотнитель обоймы
Кол-во
2
?
31
14-8120170
Обойма уплотнительная
Кол-во
2
?
32
14-8120130
Шланг заднего отопителя подводящий
Кол-во
1
?
33
24-76-5304186
Ручка привода
Кол-во
4
?
34
222962-П29
Винт М3-6gх7
Кол-во
4
?
35
14-8109060
Облицовка привода управления вентиляцией и отоплением
Кол-во
1
?
36
14-8109020
Привод управления вентиляцией и отоплением кузова в сборе
Кол-во
1
?
37
14-8109066
Скоба крепления облицовки с приводом
Кол-во
2
?
38
201415-П29
Болт М6-6gх10 ОСТ 37.001.123-96
Кол-во
2
?
39
21Ю-5304192
Зажим оболочки тяг управления краном
Кол-во
1
?
40
14-8109102
Оболочка тяги управления краном отопителя в сборе
Кол-во
2
?
41
14-8109106
Тяга управления краном отопителя
Кол-во
2
?
42
14-8120038
Тройник шлангов
Кол-во
1
?
43
24-8101036
Шланг
Кол-во
1
?
44
14-8120034
Шланг тройника отводящий
Кол-во
1
?
45
53А-1015374
Держатель шлангов
Кол-во
0
?
46
252037-П29
Шайба 6 ОСТ 37.001.144-96
Кол-во
0
?
47
290487-П29
Болт М6-6gх12
Кол-во
0
?
Есть готовая заявка? Отправьте ее нам!
Если у вас уже есть список необходимых запчастей, загрузите файл с ним или укажите артикулы и названия запчастей в поле Комментарий, а также оставьте свои контактные данные. В течение рабочего дня мы оценим вашу заявку и отправим вам коммерческое предложение.
Отдел продаж

Если у вас уже есть готовая заявка на запасные части, то просто прикрепите файл с ней либо в поле «Комментарии» напишите артикулы и названия необходимых вам запчастей и оставьте контактные данные.

В течение рабочего дня мы выполним расчёт по вашей заявке и направим вам коммерческое предложение.

Только один файл.
Ограничение 128 МБ.
Допустимые типы: txt, rtf, pdf, doc, docx, odt, ppt, pptx, odp, xls, xlsx, ods.
пример: 89511234567 или +79511324567
Отправляя форму вы подтверждаете согласие с политикой обработки персональных данных.