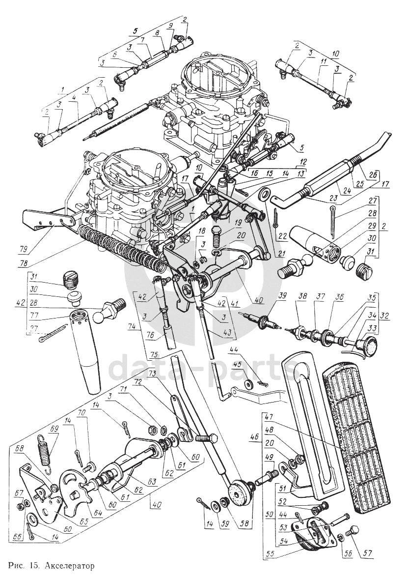
Акселератор ГАЗ-14 (Чайка)

1
14-1103054
Тяга рычага дроссельной заслонки в сборе
Кол-во
1
?
2
21Ю-1108055-А
Наконечник в сборе
Кол-во
6
?
3
250608-П29
Гайка М6-6Н ОСТ 37.001.124-93
Кол-во
1
?
4
14-1108058
Тяга
Кол-во
1
?
5
14-1108050
Тяга рычага дроссельной заслонки правого карбюратора в сборе
Кол-во
1
?
6
14-1108051
Тяга
Кол-во
1
?
7
14-1108079
муфта
Кол-во
1
?
8
292703-П29
Гайка М6
Кол-во
1
?
9
14-1108053
Тяга
Кол-во
1
?
10
14-1108112
Тяга промежуточного рычага в сборе
Кол-во
1
?
11
14-1108116
Тяга
Кол-во
1
?
12
14-1108032-10
Рычаг акселератора в сборе
Кол-во
1
?
13
14-1108124
Шпилька
Кол-во
1
?
14
258038-П29
Шплинт 3,2х16 ОСТ 37.001.171-93
Кол-во
1
?
15
14-1108145
Рычаг в сборе
Кол-во
1
?
16
293301-П29
Шайба 10
Кол-во
1
?
17
14-1108224
Тяга промежуточная воздушной заслонки в сборе
Кол-во
1
?
18
252154-П29
Шайба 6Л ОСТ 37.001.115-75
Кол-во
8
?
19
201458-П29
Болт М8-6gх25 ОСТ 37.001.123-96
Кол-во
2
?
В наличии
10 ₽
20
252135-П29
Шайба 8Т
Кол-во
1
?
21
252002-П29
Шайба 4 ОСТ 37.001.144-96
Кол-во
2
?
22
258000-П29
Шплинт 1,6х10 ОСТ 37.001.171-93
Кол-во
2
?
23
14-1108227
Тяга короткая
Кол-во
1
?
24
14-1108135
Муфта регулировочная
Кол-во
1
?
25
250462-П29
Гайка М4-6Н ОСТ 37.001.124-93
Кол-во
1
?
26
14-1108226
Тяга длинная
Кол-во
1
?
27
258003-П29
Шплинт 1,6х20 ОСТ 37.001.171-93
Кол-во
1
?
28
21Ю-1108059-А
Палец шаровой
Кол-во
1
?
29
21Ю-1108056-Б
Наконечник
Кол-во
6
?
30
70-142892
Сухарь наконечника
Кол-во
1
?
31
21Ю-1108061-Б
Пробка
Кол-во
1
?
32
14-1108100
Тяга воздушной заслонки в сборе
Кол-во
1
?
33
14-1108102
Тяга с ручкой в сборе
Кол-во
1
?
34
М-9778-А
Пружина муфты
Кол-во
1
?
35
14-1108115
Трубка защитная оболочки тяги воздушной заслонки
Кол-во
1
?
36
14-1108138
Шайба облицовочная
Кол-во
1
?
37
252205-П29
Шайба 12
Кол-во
1
?
38
250615-П29
Гайка М12х1,25-6Н ОСТ 37.001.124-93
Кол-во
1
?
39
24-8406224
Втулка оболочки тяги
Кол-во
1
?
40
14-1108029
Валик акселератора с кронштейном и рычагами в сборе
Кол-во
1
?
41
14-1712160
Тяга привода дроссельного регулятора коробки передач в сборе
Кол-во
1
?
42
21Ю-1712155
Наконечник шарнирный тяги акселератора в сборе
Кол-во
1
?
43
14-1712161
Тяга привода дроссельного регулятора коробки передач
Кол-во
1
?
44
258012-П29
Шплинт 2х12 ОСТ 37.001.171-93
Кол-во
1
?
45
252004-П29
Шайба 6 ОСТ 37.001.144-96
Кол-во
1
?
46
14-1108009-10
Педаль акселератора с накладкой, чехлом и пальцем в сборе
Кол-во
1
?
47
14-1108048
Накладка педали
Кол-во
1
?
48
250510-П29
Гайка М8-6Н ОСТ 37.001.124-93
Кол-во
1
?
49
14-1108147
Палец
Кол-во
1
?
50
14-1108010-10
Педаль акселератора в сборе
Кол-во
1
?
51
14-1108011-10
Педаль акселератора с рычагом в сборе
Кол-во
1
?
52
52-1108098
Втулка тяги педали акселератора
Кол-во
2
?
53
260017-П29
Палец 6Х32
Кол-во
1
?
54
52-50-1108032
Кронштейн педали в сборе
Кол-во
1
?
55
52-1108152
Чехол защитный рычага педали
Кол-во
1
?
56
252134-П29
Шайба 6
Кол-во
2
?
57
201420-П29
Болт М6-6gх20 ОСТ 37.001.123-96
Кол-во
2
?
58
13-3508134
Втулка
Кол-во
2
?
59
252005-П29
Шайба 8 ОСТ 37.001.144-96
Кол-во
1
?
60
252006-П29
Шайба 10 ОСТ 37.001.144-96
Кол-во
3
?
В наличии
5 ₽
под заказ
цена по запросу
61
293298-П29
Шайба 10
Кол-во
2
?
62
21-1108041-Б
Втулка валика акселератора
Кол-во
2
?
63
14-1108039
Кронштейн
Кол-во
1
?
64
14-1108030
Валик акселератора в сборе
Кол-во
1
?
65
13-1108032-Б
Рычаг
Кол-во
1
?
66
252273-П29
Шайба 5 ОСТ 37.001.146-75
Кол-во
2
?
67
250464-П29
Гайка М5-6Н ОСТ 37.001.124-93
Кол-во
2
?
68
13-1108068
Ролик
Кол-во
2
?
69
14-1108042
Пружина
Кол-во
1
?
70
13-1108067-Б
Винт
Кол-во
2
?
71
252274-П29
Шайба 6 ОСТ 37.001.146-75
Кол-во
1
?
72
201422-П29
Болт М6-6gх25 ОСТ 37.001.123-96
Кол-во
1
?
73
14-1108065
Рычаг
Кол-во
1
?
74
14-1108034-10
Тяга рычага валика акселератора в сборе
Кол-во
1
?
75
14-1108099
Втулка рычага педали
Кол-во
1
?
76
14-1108035-10
Тяга рычага валика акселератора
Кол-во
1
?
77
21Ю-1712156
Наконечник
Кол-во
1
?
78
14-1108174
Пружина
Кол-во
1
?
79
14-1108038-10
Кронштейн пружины акселератора
Кол-во
1
?
Есть готовая заявка? Отправьте ее нам!
Если у вас уже есть список необходимых запчастей, загрузите файл с ним или укажите артикулы и названия запчастей в поле Комментарий, а также оставьте свои контактные данные. В течение рабочего дня мы оценим вашу заявку и отправим вам коммерческое предложение.
Отдел продаж

Если у вас уже есть готовая заявка на запасные части, то просто прикрепите файл с ней либо в поле «Комментарии» напишите артикулы и названия необходимых вам запчастей и оставьте контактные данные.

В течение рабочего дня мы выполним расчёт по вашей заявке и направим вам коммерческое предложение.

Только один файл.
Ограничение 128 МБ.
Допустимые типы: txt, rtf, pdf, doc, docx, odt, ppt, pptx, odp, xls, xlsx, ods.
пример: 89511234567 или +79511324567
Отправляя форму вы подтверждаете согласие с политикой обработки персональных данных.