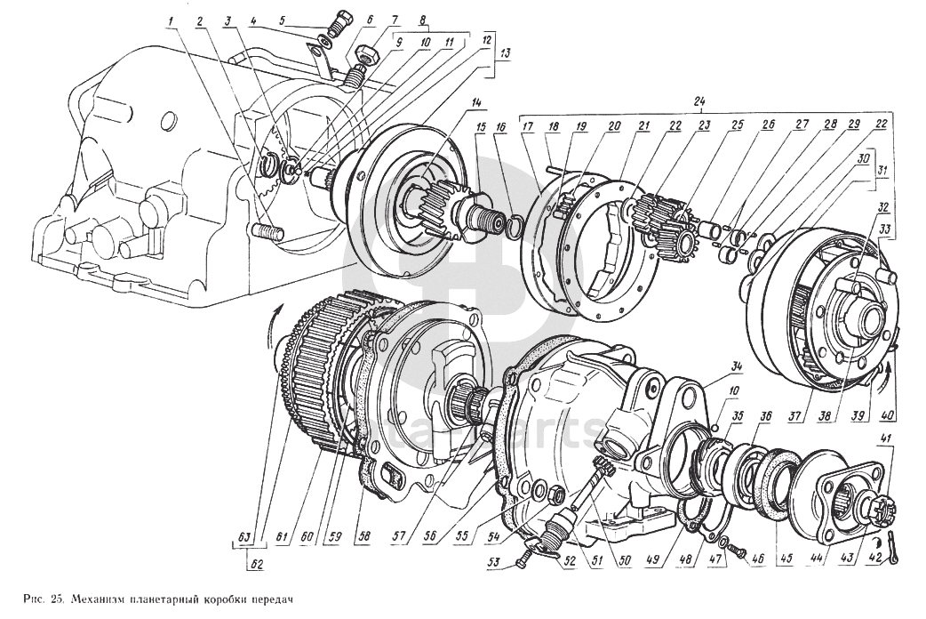
Механизм планетарный коробки передач ГАЗ-14 (Чайка)

1
291847-П2
Шпилька М12х1,25-4hх32
Кол-во
5
?
2
21-1710054
Кольцо уплотнительное центрального вала переднее
Кол-во
2
?
3
21-1710055
Кольцо уплотнительное центрального вала среднее
Кол-во
2
?
4
252204-П29
Шайба 10 стопорная
Кол-во
2
?
5
21-1710078
Болт специальный стопорный промежуточной опоры
Кол-во
2
?
6
21-1711383
Винт регулировочный
Кол-во
2
?
7
250559-П29
Гайка М14х1,5-6Н ОСТ 37.001.124-93
Кол-во
1
?
В наличии
5 ₽
В наличии
36 ₽
В наличии
40 ₽
8
14-1710040
Вал центральный коробки передач с распределительной трубкой и шариковым клапаном в сборе
Кол-во
1
?
9
13-1710051
Седло шарикового клапана центрального вала
Кол-во
1
?
10
Б V 6,35 мм П ГОСТ 3
Шарик (508605)
Кол-во
1
?
10
Б V 6,35 мм П ГОСТ
Шарик (508605)
Кол-во
1
?
11
13-1710052
Пружина шарикового клапана центрального вала
Кол-во
1
?
12
13-1710089
Втулка промежуточной опоры
Кол-во
1
?
13
14-1710075
Опора промежуточная с втулкой в сборе
Кол-во
1
?
14
21-1710062
Шайба упорная центрального вала передняя
Кол-во
1
?
15
14-1710063
Шайба упорная центрального вала задняя
Кол-во
1
?
16
21-1710056
Кольцо уплотнительное центрального вала
Кол-во
2
?
17
14-1710252
Ступица наружная муфты свободного хода
Кол-во
1
?
18
294969-П
Штифт 5Х45
Кол-во
6
?
19
Б III 8Х16 АР Н31-5
Ролик (13-1710258)
Кол-во
12
?
20
21-1710260-01
Пружина ролика
Кол-во
12
?
21
14-1710253
Сепаратор муфты свободного хода в сборе
Кол-во
1
?
21
21-1710073
Втулка задняя солнечной шестерни
Кол-во
1
?
22
21-1710094-Б
Шайба упорная сателлитов
Кол-во
12
?
22
14-1710070
Шестерня солнечная со втулками в сборе
Кол-во
1
?
23
14-1710090
Сателлит длинный
Кол-во
3
?
23
21-1710072
Втулка передняя солнечной шестерни
Кол-во
1
?
24
14-1710079
Каретка сателлитов с наружной ступицей муфты свободного хода, сепаратором и сателлитами в сборе
Кол-во
1
?
25
296055-П
Шпонка 5Х7,5Х19
Кол-во
2
?
25
14-1710095
Сателлит короткий
Кол-во
3
?
26
13-1710093
Втулка распорная подшипников длинного сателлита передняя
Кол-во
3
?
27
2Х10 ГОСТ 6870-72
Игла подшипников сателлитов (20-3401072)
Кол-во
315
?
28
21-1710097
Втулка распорная подшипников длинного сателлита задняя
Кол-во
3
?
29
21-1710097-Б
Втулка распорная подшипников короткого сателлита
Кол-во
3
?
30
21-1710085
Втулка крышки каретки сателлитов
Кол-во
1
?
31
14-1710080
Каретка сателлитов в сборе
Кол-во
1
?
32
21-1710096-А
Ось сателлита короткого
Кол-во
3
?
33
13-1710092
Ось сателлита длинного
Кол-во
3
?
34
21-1710205-Б
Крышка задняя коробки передач
Кол-во
1
?
35
13-3802033-В
Шестерня привода спидометра ведущая
Кол-во
1
?
36
6-206КШ
Подшипник ведомого вала коробки передач (14-1710236)
Кол-во
1
?
37
21-1711360-01
Лента заднего тормоза с фрикционной накладкой в сборе
Кол-во
1
?
38
21-1710087-Г
Шайба упорная каретки сателлитов толщиной 2,5
Кол-во
1
?
38
21-1710087
Шайба упорная каретки сателлитов толщиной 1,6
Кол-во
1
?
38
21-1710087-Б
Шайба упорная каретки сателлитов толщиной 1,9
Кол-во
1
?
38
21-1710087-В
Шайба упорная каретки сателлитов толщиной 2,2
Кол-во
1
?
39
21-1711378
Пластина нажимная рычага тормоза 1-й передачи и заднего хода
Кол-во
1
?
40
21-1711382
Пластина упорная
Кол-во
2
?
41
292917-П
Гайка М20х1,5-5Н6Н
Кол-во
1
?
42
258054-П
Шплинт 4х30
Кол-во
1
?
43
20-2402064-Б
Шайба 21
Кол-во
1
?
под заказ
цена по запросу
44
14-1710238
Фланец ведомого вала с маслоотражателем в сборе
Кол-во
1
?
45
20-1701210
Сальник
Кол-во
1
?
46
201415-П29
Болт М6-6gх10 ОСТ 37.001.123-96
Кол-во
2
?
47
252269-П29
Шайба 6 ОСТ 37.001.145-75
Кол-во
2
?
48
21-1710210-Б
Крышка люка центробежного регулятора
Кол-во
1
?
49
21-1710214-Б
Прокладка крышки люка центробежного регулятора
Кол-во
1
?
50
14-3802034
Шестерня ведомая привода спидометр
Кол-во
1
?
51
14-3802029
Штуцер в сборе
Кол-во
1
?
52
21А-3802031
Стопор штуцера
Кол-во
1
?
В наличии
80 ₽
53
206461-П29
Болт М6-6gх14
Кол-во
1
?
54
251815-П29
Гайка М12х1,25-6Н
Кол-во
5
?
55
252205-П29
Шайба 12
Кол-во
5
?
56
21-1710203
Прокладка задней крышки
Кол-во
1
?
57
21-1710112
Кольцо уплотнительное ведомого вала
Кол-во
4
?
58
21-1710163
Прокладка заднего масляного насоса
Кол-во
1
?
59
21-1710099
Кольцо стопорное
Кол-во
1
?
60
21-1710118
Шайба упорная ведомого вала
Кол-во
1
?
61
14-1710098
Шестерня кольцевая
Кол-во
1
?
62
14-1710100
Вал ведомый с распределительной трубкой в сборе
Кол-во
1
?
63
21-1710108
Втулка ведомого вала
Кол-во
1
?
Есть готовая заявка? Отправьте ее нам!
Если у вас уже есть список необходимых запчастей, загрузите файл с ним или укажите артикулы и названия запчастей в поле Комментарий, а также оставьте свои контактные данные. В течение рабочего дня мы оценим вашу заявку и отправим вам коммерческое предложение.
Отдел продаж

Если у вас уже есть готовая заявка на запасные части, то просто прикрепите файл с ней либо в поле «Комментарии» напишите артикулы и названия необходимых вам запчастей и оставьте контактные данные.

В течение рабочего дня мы выполним расчёт по вашей заявке и направим вам коммерческое предложение.

Только один файл.
Ограничение 128 МБ.
Допустимые типы: txt, rtf, pdf, doc, docx, odt, ppt, pptx, odp, xls, xlsx, ods.
пример: 89511234567 или +79511324567
Отправляя форму вы подтверждаете согласие с политикой обработки персональных данных.