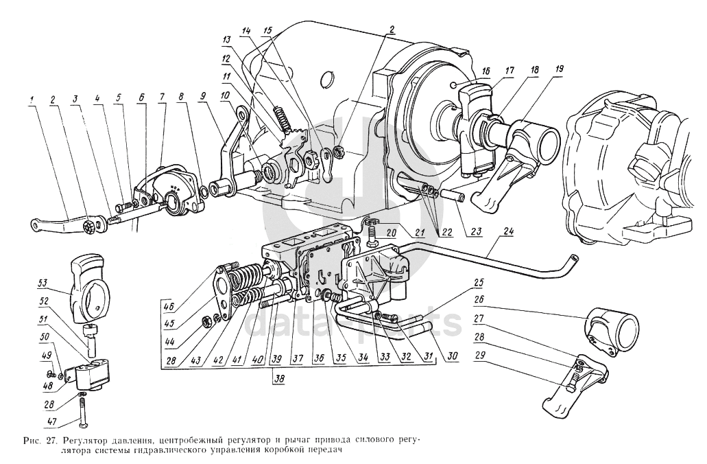
Регулятор давления, центробежный регулятор и рычаг привода силового регулятора системы гидравлического управления коробкой передач ГАЗ-14 (Чайка)

1
14-1712181
Рычаг привода силового регулятора
Кол-во
1
?
2
292752-П8
Гайка М8х1
Кол-во
2
?
3
14-1712182
Ось рычага привода силового регулятора
Кол-во
1
?
4
201422-П29
Болт М6-6gх25 ОСТ 37.001.123-96
Кол-во
2
?
5
252274-П29
Шайба 6 ОСТ 37.001.146-75
Кол-во
2
?
6
21Ю-1104142
Хомутик крепления трубки
Кол-во
1
?
7
14-3733010
Выключатель блокировочный
Кол-во
1
?
8
51-1106100-Б
Кольцо уплотнительное
Кол-во
1
?
9
14-1712170
Рычаг переключения с осью в сборе
Кол-во
1
?
10
21-1712174
Кольцо
Кол-во
1
?
11
14-1712175
Сектор переключения передач в сборе
Кол-во
1
?
12
Б VI 9,525 мм П ГОСТ
Шарик (263014-П)
Кол-во
1
?
13
20-1702106
Пружина стопорного шарика
Кол-во
1
?
14
292854-П8
Гайка М14х1
Кол-во
1
?
15
21-1712183
Рычаг золотниковый привода силового регулятора
Кол-во
1
?
16
Б V 6,35 мм П ГОСТ 3
Шарик (508605)
Кол-во
1
?
17
24-24-1712110
Регулятор центробежный в сборе
Кол-во
1
?
18
21-1711138
Кольцо стопорное
Кол-во
1
?
19
21-1712118
Соединитель с втулкой распределительной в сборе
Кол-во
1
?
20
201455-П8
Болт М8-6gх18
Кол-во
2
?
21
252155-П2
Шайба 8Л ОСТ 37.001.115-75
Кол-во
2
?
22
21-1712121
Трубка соединительная
Кол-во
3
?
23
21-1712122
Распорка соединителя
Кол-во
1
?
24
21-1712107
Трубка маслопровода смазки коробки передач
Кол-во
1
?
25
21-1712105
Трубка соединительная регуляторов коробки передач
Кол-во
1
?
26
21-1712125
Втулка распределительная
Кол-во
1
?
27
21-1712120
Соединитель
Кол-во
1
?
28
252154-П2
Шайба 6Л ОСТ 37.001.115-75
Кол-во
1
?
29
201420-П8
Болт М6-6gх20
Кол-во
2
?
30
21-1712106
Трубка соединительная регуляторов коробки передач
Кол-во
1
?
31
222501-П29
Винт М5-6gх20
Кол-во
8
?
32
252153-П2
Шайба 5Л ОСТ 37.001.115-75
Кол-во
8
?
33
13-1712014
Крышка корпуса регулятора давления в сборе
Кол-во
1
?
34
21-1712101
Пружина клапана
Кол-во
2
?
35
21-1712034
Тарелка клапана переднего насоса коробки передач
Кол-во
1
?
36
21-1712018
Пластина регулятора давления
Кол-во
1
?
37
14-1712012
Корпус регулятора давления в сборе
Кол-во
1
?
38
14-1712010
Регулятор давления в сборе
Кол-во
1
?
39
21-1712032
Шпилька упорной пластины пружин регулятора давления
Кол-во
1
?
40
21-1712020
Золотник регулятора подпитки гидротрансформатора
Кол-во
1
?
41
21-1712024
Золотник регулятора главного давления коробки передач в сборе
Кол-во
1
?
42
21-1712021
Пружина регулятора питания гидротрансформатора
Кол-во
1
?
43
14-1712028
Пружина золотника регулятора главного давления
Кол-во
1
?
44
250508-П8
Гайка М6-6Н
Кол-во
1
?
45
21-1712030
Пластина упорная пружин регулятора давления
Кол-во
1
?
46
21-1712031
Штырь упорной пластины
Кол-во
1
?
47
200213-П29
Болт М6-6gх35
Кол-во
2
?
48
21-1712113-Б
Пластина центробежного регулятора
Кол-во
1
?
49
221577-П29
Винт М5-6gх10
Кол-во
2
?
50
252213-П8
Шайба стопорная 5
Кол-во
2
?
51
24-24-1712112
Корпус центробежного регулятора
Кол-во
1
?
52
24-24-1712115
Золотник центробежного регулятора
Кол-во
1
?
53
21-1712116-Б
Противовес центробежного регулятора
Кол-во
1
?
Есть готовая заявка? Отправьте ее нам!
Если у вас уже есть список необходимых запчастей, загрузите файл с ним или укажите артикулы и названия запчастей в поле Комментарий, а также оставьте свои контактные данные. В течение рабочего дня мы оценим вашу заявку и отправим вам коммерческое предложение.
Отдел продаж

Если у вас уже есть готовая заявка на запасные части, то просто прикрепите файл с ней либо в поле «Комментарии» напишите артикулы и названия необходимых вам запчастей и оставьте контактные данные.

В течение рабочего дня мы выполним расчёт по вашей заявке и направим вам коммерческое предложение.

Только один файл.
Ограничение 128 МБ.
Допустимые типы: txt, rtf, pdf, doc, docx, odt, ppt, pptx, odp, xls, xlsx, ods.
пример: 89511234567 или +79511324567
Отправляя форму вы подтверждаете согласие с политикой обработки персональных данных.