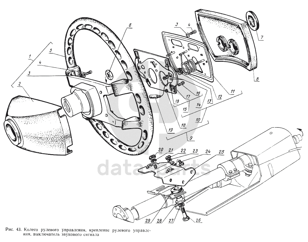
Колесо рулевого управления, крепление рулевого управления, выключатель звукового сигнала ГАЗ-14 (Чайка)

1
14-3402010
Колесо рулевого управления с облицовкой в сборе
Кол-во
1
?
2
14-3402033
Кожух облицовочный каркаса колеса рулевого управления
Кол-во
1
?
3
252132-П29
Шайба 4
Кол-во
4
?
4
220051-П29
Винт М4-6gх10 ОСТ 37.001.127-81
Кол-во
4
?
5
14-3402015
Колесо рулевого управления в сборе
Кол-во
1
?
6
250636-П29
Гайка М16х1,5-6Н ОСТ 37.001.124-93
Кол-во
1
?
7
14-3721022
Эмблема с ободком в сборе
Кол-во
1
?
8
14-3721018
Накладка включателя звукового сигнала
Кол-во
1
?
9
14-3721014
Включатель звукового сигнала с проводами в сборе
Кол-во
1
?
10
14-3721016
Включатель звукового сигнала
Кол-во
1
?
11
14-3721020
Рамка включателя звукового сигнала
Кол-во
1
?
12
51-3721040
Пружина контактная на массу звукового сигнала
Кол-во
3
?
13
14-3721142
Втулка шпильки
Кол-во
3
?
14
250762-П29
Гайка М4
Кол-во
6
?
15
14-3721130
Основание включателя звукового сигнала в сборе
Кол-во
1
?
16
220005-П29
Винт М3х12
Кол-во
4
?
17
14-3721132
Основание включателя
Кол-во
1
?
18
250760-П29
Гайка М3
Кол-во
8
?
19
14-3724018
Провод кнопки звукового сигнала
Кол-во
1
?
20
250610-П29
Гайка М8-6Н ОСТ 37.001.124-93
Кол-во
1
?
21
252155-П29
Шайба пружинная 8
Кол-во
1
?
22
250608-П29
Гайка М6-6Н ОСТ 37.001.124-93
Кол-во
1
?
23
252154-П29
Шайба 6Л ОСТ 37.001.115-75
Кол-во
1
?
24
201418-П29
Болт М6-6gх16 ОСТ 37.001.123-96
Кол-во
1
?
25
14-3403014
Планка крепления колонки в сборе
Кол-во
1
?
26
200263-П29
Болт М8-6gх35 ОСТ 37.001.122-96
Кол-во
2
?
27
252135-П29
Шайба 8Т
Кол-во
2
?
28
14-3403042
Втулка крепления колонки
Кол-во
2
?
29
14-3403043
Кольцо втулки крепления колонки
Кол-во
2
?
Есть готовая заявка? Отправьте ее нам!
Если у вас уже есть список необходимых запчастей, загрузите файл с ним или укажите артикулы и названия запчастей в поле Комментарий, а также оставьте свои контактные данные. В течение рабочего дня мы оценим вашу заявку и отправим вам коммерческое предложение.
Отдел продаж

Если у вас уже есть готовая заявка на запасные части, то просто прикрепите файл с ней либо в поле «Комментарии» напишите артикулы и названия необходимых вам запчастей и оставьте контактные данные.

В течение рабочего дня мы выполним расчёт по вашей заявке и направим вам коммерческое предложение.

Только один файл.
Ограничение 128 МБ.
Допустимые типы: txt, rtf, pdf, doc, docx, odt, ppt, pptx, odp, xls, xlsx, ods.
пример: 89511234567 или +79511324567
Отправляя форму вы подтверждаете согласие с политикой обработки персональных данных.