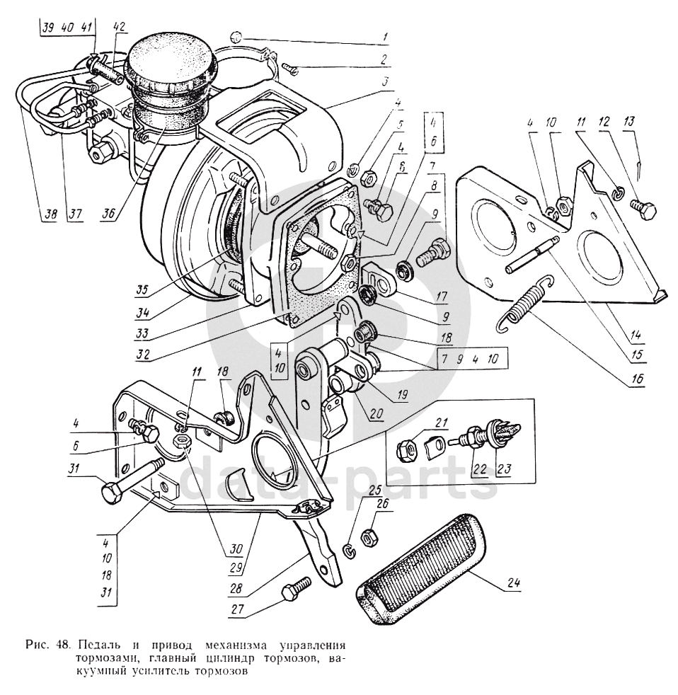
Педаль и привод механизма управления тормозами, главный цилиндр тормозов, вакуумный усилитель тормозов ГАЗ-14 (Чайка)

1
250763-П29
Гайка М5
Кол-во
2
?
2
222500-П29
Винт М5Х16
Кол-во
2
?
3
14-3505113
Кронштейн бачков в сборе
Кол-во
1
?
4
252156-П29
Шайба 10
Кол-во
6
?
5
14-3506537
Гайка
Кол-во
4
?
6
201497-П29
Болт М10-6gх25 ОСТ 37.001.123-96
Кол-во
2
?
В наличии
20 ₽
7
24-3504038
Ось толкателя педали
Кол-во
3
?
8
292809-П29
Гайка М10х1-5Н6Н
Кол-во
1
?
9
21-3504039
Втулка оси толкателя
Кол-во
6
?
10
250613-П29
Гайка 10х1-6Н
Кол-во
5
?
11
252135-П29
Шайба 8Т
Кол-во
4
?
12
201455-П29
Болт М8-6gх18 ОСТ 37.001.123-96
Кол-во
2
?
13
258013-П29
Шплинт 2х16 ОСТ 37.001.171-93
Кол-во
1
?
14
14-3504050
Кронштейн правый
Кол-во
1
?
15
14-3504034
Ось
Кол-во
1
?
16
М-7523-А
Пружина
Кол-во
1
?
17
24-3510068-01
Проушина
Кол-во
1
?
18
13-3504023
Втулка оси педали тормоза
Кол-во
4
?
19
14-3504129
Толкатель
Кол-во
1
?
20
24-3504120
Рычаг усилителя тормоза в сборе
Кол-во
1
?
21
2101-3720000
Выключатель сигнала торможения ВК412
Кол-во
1
?
22
24-3720050
Гайка М12х1,5
Кол-во
2
?
23
2101-3720125
Наконечник выключателя сигнала торможения
Кол-во
1
?
24
13-3504040
Площадка
Кол-во
1
?
25
252155-П29
Шайба пружинная 8
Кол-во
1
?
26
250510-П29
Гайка М8-6Н ОСТ 37.001.124-93
Кол-во
1
?
27
201458-П29
Болт М8-6gх25 ОСТ 37.001.123-96
Кол-во
1
?
В наличии
10 ₽
28
14-3504010
Педаль
Кол-во
1
?
29
14-3504051
Кронштейн левый
Кол-во
1
?
30
250610-П29
Гайка М8-6Н ОСТ 37.001.124-93
Кол-во
2
?
31
13-3504020
Ось рычага усилителя тормоза
Кол-во
2
?
32
14-3510161
Прокладка кронштейна
Кол-во
1
?
33
14-3510160
Кронштейн усилителя
Кол-во
1
?
34
14-3510008
Усилитель вакуумный с главным цилиндром в сборе
Кол-во
1
?
35
14-3510159
Уплотнитель усилителя
Кол-во
1
?
36
14-3505102
Бачок главного цилиндра в сборе
Кол-во
2
?
37
14-3505146
Трубопровод от левого бачка в сборе
Кол-во
1
?
38
14-3505144
Трубопровод от правою бачка в сборе
Кол-во
1
?
39
297543-П29
Лента 5х190 крепления шланга
Кол-во
2
?
40
297540-П29
Пряжка 3,3х5,5
Кол-во
2
?
41
297535-П29
Шплинт 2,7х12
Кол-во
2
?
42
14-3505134
Шланг соединительный
Кол-во
2
?
Есть готовая заявка? Отправьте ее нам!
Если у вас уже есть список необходимых запчастей, загрузите файл с ним или укажите артикулы и названия запчастей в поле Комментарий, а также оставьте свои контактные данные. В течение рабочего дня мы оценим вашу заявку и отправим вам коммерческое предложение.
Отдел продаж

Если у вас уже есть готовая заявка на запасные части, то просто прикрепите файл с ней либо в поле «Комментарии» напишите артикулы и названия необходимых вам запчастей и оставьте контактные данные.

В течение рабочего дня мы выполним расчёт по вашей заявке и направим вам коммерческое предложение.

Только один файл.
Ограничение 128 МБ.
Допустимые типы: txt, rtf, pdf, doc, docx, odt, ppt, pptx, odp, xls, xlsx, ods.
пример: 89511234567 или +79511324567
Отправляя форму вы подтверждаете согласие с политикой обработки персональных данных.