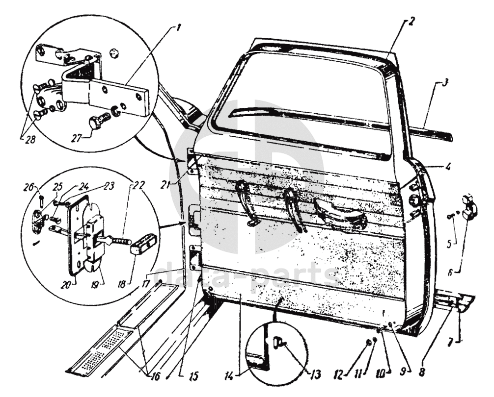
Дверь передняя ГАЗ-21

1
21-6106010
Петля передней двери с кронштейном в сборе - правая
Кол-во
2
?
2
21-6107020-А
Уплотнитель фланца передней двери
Кол-во
2
?
3
21-6101480-А1
Молдинг передней двери поясной - правый (комплект)
Кол-во
1
?
4
21-6100014
Дверь передняя в сборе сварка - правая
Кол-во
1
?
5
223153-П29
Винт 1М8х22 крепления фиксатора
Кол-во
4
?
6
21-6106100-Б
Фиксатор двери в сборе - правый
Кол-во
1
?
7
21-6101488
Молдинг передней двери нижний - правый
Кол-во
1
?
8
21-8403120
Держатель молдинга
Кол-во
10
?
9
293158-П
Шайба 4
Кол-во
4
?
10
241820-П13
Винт М4х8
Кол-во
4
?
11
252233-П8
Шайба 5 пружинная
Кол-во
10
?
12
250763-П8
Гайка М5х0,8
Кол-во
10
?
13
21-6102080
Пистон крепления обивки в сборе
Кол-во
24
?
14
21-6102010
Обивка передней двери в сборе комплект - правая
Кол-во
1
?
15
21-6107028
Уплотнитель торца передней двери
Кол-во
2
?
16
21-6101560
Облицовка порога передней двери - правая
Кол-во
1
?
17
21-6107048
Кант проема передней двери в сборе
Кол-во
2
?
18
30-6106086
Буфер ограничителя двери
Кол-во
2
?
19
21-6106180
Стопор ограничителя передней двери в сборе
Кол-во
2
?
20
21-0106192
Облицовка ограничителя передней двери
Кол-во
2
?
21
21-6102092
Держатель обивки передней двери - правый
Кол-во
1
?
22
21-6106090
Рычаг ограничителя передней двери
Кол-во
2
?
23
224624-П8
Винт М6-6gх14
Кол-во
4
?
24
221605-П8
Винт М6х16
Кол-во
4
?
25
32-6106088
Кронштейн ограничителя передней двери
Кол-во
2
?
26
260009-П8
Палец 6х14 крепления рычага ограничителя
Кол-во
2
?
27
290754-П8
Болт М10х1-6gх28
Кол-во
12
?
28
221691-П8
Винт 1М8х18
Кол-во
20
?
Есть готовая заявка? Отправьте ее нам!
Если у вас уже есть список необходимых запчастей, загрузите файл с ним или укажите артикулы и названия запчастей в поле Комментарий, а также оставьте свои контактные данные. В течение рабочего дня мы оценим вашу заявку и отправим вам коммерческое предложение.
Отдел продаж

Если у вас уже есть готовая заявка на запасные части, то просто прикрепите файл с ней либо в поле «Комментарии» напишите артикулы и названия необходимых вам запчастей и оставьте контактные данные.

В течение рабочего дня мы выполним расчёт по вашей заявке и направим вам коммерческое предложение.

Только один файл.
Ограничение 128 МБ.
Допустимые типы: txt, rtf, pdf, doc, docx, odt, ppt, pptx, odp, xls, xlsx, ods.
пример: 89511234567 или +79511324567
Отправляя форму вы подтверждаете согласие с политикой обработки персональных данных.