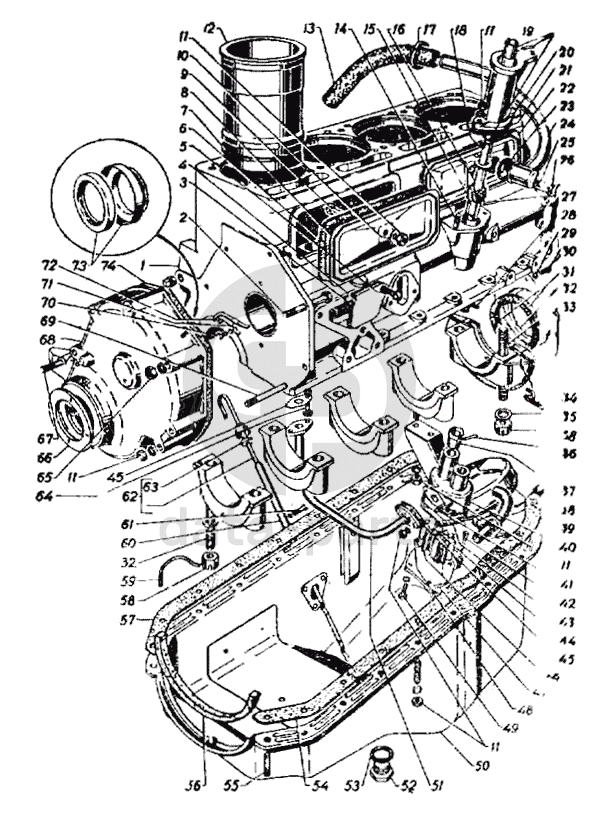
Блок цилиндров ГАЗ-21

1
21-1002010-Б
Блок цилиндров в сборе
Кол-во
1
?
2
200272-П8
Болт М8х1,25х65
Кол-во
2
?
3
21-1017316
Прокладка заглушки
Кол-во
1
?
4
321-1017395
Заглушка сливного отверстия фильтра центробежной очистки масла
Кол-во
1
?
5
290757-П
Винт М10х30 крепления заглушки
Кол-во
3
?
6
20-1002116-А
Прокладка крышки коробки толкателей
Кол-во
1
?
7
21-1002024
Кольцо уплотнительное гильзы цилиндра
Кол-во
4
?
8
20-1002110
Крышка клапанной коробки передняя в сборе
Кол-во
1
?
9
216244-П8
Шпилька 1М8х45 крепления крышки коробки толкателей
Кол-во
2
?
10
293264-П
Шайба 8
Кол-во
2
?
11
250511-П8
Гайка М8х1
Кол-во
18
?
В наличии
10 ₽
11
250511-П
Гайка М8х1-6Н
Кол-во
2
?
12
21-1002020-Б
Гильза цилиндра в сборе
Кол-во
4
?
13
64-6745
Шланг
Кол-во
1
?
14
291747-П
Шпилька 1М8х22 крепления масляного насоса
Кол-во
2
?
14
291747-П8
Шпилька М8х1-4hх22
Кол-во
2
?
15
21-1016018-Б
Шестерня привода распределителя
Кол-во
1
?
16
21-1011220-Б
Валик привода масляного насоса
Кол-во
1
?
17
297584-П8
Лента 10х235
Кол-во
4
?
18
258709-П
Штифт диаметр 3х12 цилиндрический валика привода маслонасоса
Кол-во
1
?
19
21-1016012-Б
Валик привода распределителя с упорной втулкой в сборе
Кол-во
1
?
20
21-1016019-А
Корпус привода распределителя в сборе
Кол-во
1
?
21
21-1016023
Прокладка корпуса привода распределителя
Кол-во
1
?
22
21-1002111
Крышка коробки толкателей задняя в сборе
Кол-во
1
?
23
51-1014053-Б
Прокладка патрубка
Кол-во
1
?
24
21-1014055-Б
Трубка вытяжная вентиляции картера в сборе
Кол-во
1
?
25
293264-П
Шайба 8
Кол-во
0
?
26
200272-П8
Болт М8х1,25х65
Кол-во
0
?
27
258616-П
Штифт 4х22
Кол-во
1
?
28
11-6335-Б
Прокладка уплотнительная крышки заднего подшипника коленчатого вала правая
Кол-во
1
?
29
252174-П8
Шайба 6 пружинная
Кол-во
6
?
30
290489-П
Болт М6-6gх12
Кол-во
6
?
31
11-6702-А2
Набивка сальника
Кол-во
2
?
32
11-6699-А
Держатель сальника заднего подшипника коленчатого вала
Кол-во
2
?
33
291907-П
Шпилька 1М14х78 крепления подшипников коленчатого вала
Кол-во
10
?
34
11-6336-Б
Прокладка уплотнительная крышки заднего подшипника коленчатого вала левая
Кол-во
1
?
35
293398-П18
Шайба 15
Кол-во
10
?
36
294958-П
Штифт 4х19
Кол-во
1
?
37
21-1011066-Б
Втулка валика масляного насоса
Кол-во
1
?
38
21-1009073
Прокладка масляного картера - задняя
Кол-во
1
?
39
11-6660
Маслоприемник в сборе
Кол-во
1
?
40
21-1011015-Б
Корпус масляного насоса в сборе
Кол-во
1
?
41
216232-П
Шпилька М8х1х16
Кол-во
2
?
42
258040-П
Шплинт 2,7х25
Кол-во
1
?
43
21-1011065
Прокладка крышки масляного насоса
Кол-во
1
?
44
21-1011042-Б
Валик масляного насоса
Кол-во
1
?
45
21-1011086
Прокладка фланца нагнетательной трубки масляного насоса
Кол-во
2
?
46
21-1011032
Шестерня ведомая масляного насоса
Кол-во
2
?
47
21-1011052-Б
Крышка масляного насоса
Кол-во
1
?
48
258926-П
Штифт 3х18
Кол-во
1
?
49
201420-П2
Болт М6х20 крышки масляного насоса
Кол-во
4
?
50
21-1009010-А2
Картер масляный в сборе
Кол-во
1
?
51
21-1011082-Б1
Трубка нагнетательная масляного насоса в сборе
Кол-во
1
?
52
296507-П8
Пробка М22х1,5х10
Кол-во
1
?
53
297282-П
Прокладка диаметром 22 пробки в сборе
Кол-во
1
?
54
21-1009071
Прокладка масляного картера - левая
Кол-во
1
?
55
216232-П
Шпилька М8х1х16
Кол-во
0
?
56
21-1009072
Прокладка масляного картера - передняя
Кол-во
1
?
57
21-1009070
Прокладка масляного картера - правая
Кол-во
1
?
58
292857-П
Гайка 1М14 шпилек крепления подшипников коленчатого вала прорезная
Кол-во
10
?
59
257885-П
Шплинт-проволока диаметром 1,6х275
Кол-во
5
?
60
21-1009045
Трубка указателя уровня масла
Кол-во
1
?
61
201422-П8
Болт М6-6gх25
Кол-во
1
?
62
21-1009050
Указатель уровня масла в сборе
Кол-во
1
?
63
21-1009056
Шайба уплотнительная указателя уровня масла
Кол-во
1
?
64
201243-П8
Болт М8х25 крепления нагнетательной трубки к блоку
Кол-во
2
?
65
250510-П8
Гайка М8х1,25
Кол-во
2
?
66
21-1002069-Б
Кольцо уплотнительное сальника крышки распределительных шестерен
Кол-во
1
?
67
291752-П8
Шпилька 1М8х38 крепления крышки распределительных шестерен
Кол-во
1
?
68
21-1002058-Б
Крышка распределительных шестерен в сборе
Кол-во
1
?
69
291758-П8
Шпилька 1М8х58 крепления крышки распределительных шестерен
Кол-во
4
?
70
290489-П
Болт М6-6gх12
Кол-во
0
?
71
11-6095
Скоба крепления привода замка капота
Кол-во
1
?
72
11-6094
Трубка смазки распределительных шестерен
Кол-во
1
?
73
21-1005032
Сальник передний коленчатого вала с отражателем в сборе
Кол-во
1
?
74
21-1002064-Б
Прокладка крышки распределительных шестерен
Кол-во
1
?
Есть готовая заявка? Отправьте ее нам!
Если у вас уже есть список необходимых запчастей, загрузите файл с ним или укажите артикулы и названия запчастей в поле Комментарий, а также оставьте свои контактные данные. В течение рабочего дня мы оценим вашу заявку и отправим вам коммерческое предложение.
Отдел продаж

Если у вас уже есть готовая заявка на запасные части, то просто прикрепите файл с ней либо в поле «Комментарии» напишите артикулы и названия необходимых вам запчастей и оставьте контактные данные.

В течение рабочего дня мы выполним расчёт по вашей заявке и направим вам коммерческое предложение.

Только один файл.
Ограничение 128 МБ.
Допустимые типы: txt, rtf, pdf, doc, docx, odt, ppt, pptx, odp, xls, xlsx, ods.
пример: 89511234567 или +79511324567
Отправляя форму вы подтверждаете согласие с политикой обработки персональных данных.