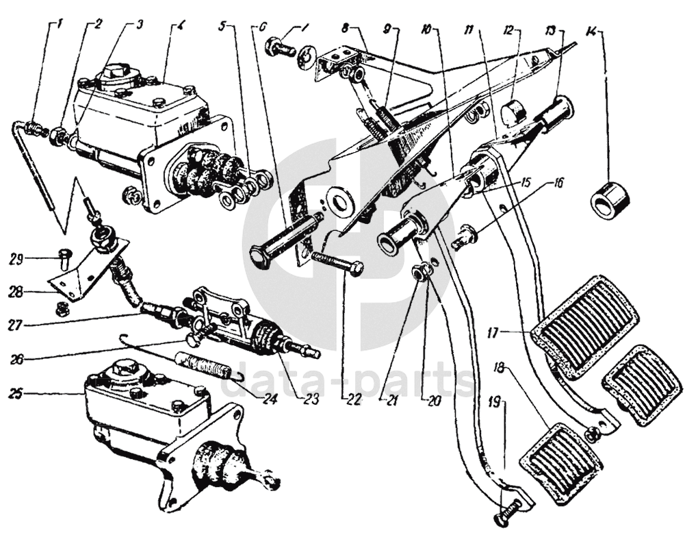
Привод выключения сцепления и тормозная педаль ГАЗ-21

1
21А-1602580-Б
Трубка от главного цилиндра к кронштейну гибкого шланга в сборе
Кол-во
0
?
2
20-3506005
Штуцер
Кол-во
0
?
3
51-3506013
Прокладка
Кол-во
0
?
4
21А-3505010
Главный цилиндр тормоза и выключения сцепления в сборе
Кол-во
0
?
5
21-3504039
Втулка оси толкателя
Кол-во
2
?
6
21-3504020
Ось педалей сцепления и тормоза
Кол-во
1
?
7
201495-П8
Болт М10-6gх20
Кол-во
0
?
8
21-3504050-Б
Кронштейн педали тормоза в сборе
Кол-во
1
?
8
21-3504050
Кронштейн педалей сцепления и тормоза в сборе
Кол-во
0
?
9
М-2059-С
Пружина оттяжная педали
Кол-во
1
?
10
21А-1602410
Педаль сцепления в сборе
Кол-во
0
?
11
21А-3504010
Педаль тормоза в сборе
Кол-во
1
?
12
21-3504018
Буфер
Кол-во
1
?
13
21А-1602468
Втулка оси рычагов
Кол-во
1
?
14
21-3504022-Б
Втулка распорная
Кол-во
1
?
15
21-3504024
Шайба упорная
Кол-во
1
?
16
21-3504038
Ось толкателя педали
Кол-во
1
?
17
21-3504040
Площадка педали тормоза в сборе
Кол-во
1
?
18
21А-1602438
Площадка педалей обрезиненная
Кол-во
0
?
19
290646-П4
Болт 1М8х22 крепления площадки к педали сцепления
Кол-во
0
?
19
290646-П8
Болт 1М8х1х22
Кол-во
1
?
20
252156-П2
Шайба 10Л ОСТ 37.001.115-75
Кол-во
0
?
21
250613-П8
Гайка М10х1
Кол-во
0
?
22
200320-П8
Болт М10-6gх55
Кол-во
0
?
23
21А-1602510
Цилиндр привода выключения сцепления в сборе
Кол-во
0
?
24
21А-1602596
Пружина оттяжная вилки выключения сцепления
Кол-во
0
?
25
21-3505010-Б
Главный цилиндр тормоза в сборе
Кол-во
1
?
26
201456-П4
Болт М8х20 крепления цилиндра, привода выключения сцепления
Кол-во
0
?
27
21А-1602590
Шланг
Кол-во
0
?
28
21А-1602584-Б
Кронштейн крепления гибкого шланга привода выключения сцепления
Кол-во
0
?
29
201417-П8
Болт М6х1х14
Кол-во
0
?
Есть готовая заявка? Отправьте ее нам!
Если у вас уже есть список необходимых запчастей, загрузите файл с ним или укажите артикулы и названия запчастей в поле Комментарий, а также оставьте свои контактные данные. В течение рабочего дня мы оценим вашу заявку и отправим вам коммерческое предложение.
Отдел продаж

Если у вас уже есть готовая заявка на запасные части, то просто прикрепите файл с ней либо в поле «Комментарии» напишите артикулы и названия необходимых вам запчастей и оставьте контактные данные.

В течение рабочего дня мы выполним расчёт по вашей заявке и направим вам коммерческое предложение.

Только один файл.
Ограничение 128 МБ.
Допустимые типы: txt, rtf, pdf, doc, docx, odt, ppt, pptx, odp, xls, xlsx, ods.
пример: 89511234567 или +79511324567
Отправляя форму вы подтверждаете согласие с политикой обработки персональных данных.