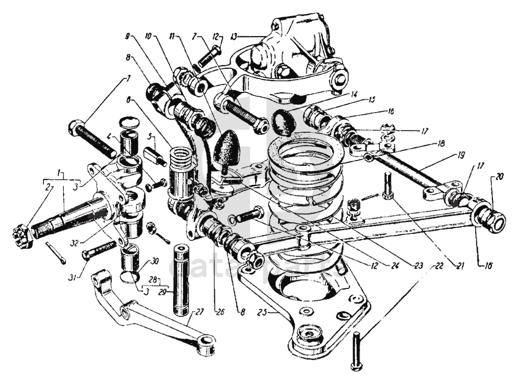
Передняя подвеска в сборе ГАЗ-21

1
20-3001012-Б
Кулак поворотный правый со втулками в сборе
Кол-во
1
?
2
292957-П2
Гайка М24х1,5-4Н5Н
Кол-во
2
?
3
11-3109
Втулка шкворня поворотного кулака
Кол-во
4
?
4
290644-П8
Болт 1М8х1х20
Кол-во
2
?
5
20-3001025
Штифт стопорный шкворня поворотного кулака
Кол-во
2
?
6
20-3001022
Шайба поворотного кулака регулировочная
Кол-во
0
?
7
20-2904068-А
Палец стойки передней подвески резьбовой
Кол-во
4
?
8
20-2904092
Кольцо резьбового пальца передней подвески уплотнительное
Кол-во
8
?
9
21-2904056
Стойка передней подвески
Кол-во
2
?
10
21-2904062
Втулка стойки передней подвески резьбовая
Кол-во
2
?
11
20-2902622-А
Буфер хода сжатия передней подвески
Кол-во
2
?
12
290763-П
Болт М10х45 резьбовых втулок стяжной
Кол-во
4
?
13
21-2905006
Амортизатор передней подвески в сборе
Кол-во
2
?
14
21-2902654
Упор рамки радиатора
Кол-во
4
?
15
21-2904040
Втулка нижних рычагов передней подвески в сборе
Кол-во
2
?
16
20-2904020-Б
Рычаги передней подвески нижние (комплект)
Кол-во
2
?
17
20-2904034
Кольцо защитное оси нижних рычагов передней подвески
Кол-во
4
?
18
20-2902730
Прокладка пружины передней подвески
Кол-во
2
?
19
21-2904032
Ось нижних рычагов передней подвески правая
Кол-во
1
?
20
20-2904040
Втулка резьбовая нижних рычагов передней подвески в сборе
Кол-во
2
?
21
290759-П8
Болт 1М10х35 крепления оси нижних рычагов передней подвески к поперечине
Кол-во
8
?
22
205445-П8
Болт 1М10х1х48
Кол-во
8
?
23
21-2902712
Пружина передней подвески
Кол-во
2
?
24
20-2902620
Ограничитель хода сжатия передней подвески
Кол-во
2
?
25
20-2902734
Чашка опорная пружины передней подвески правая в сборе
Кол-во
1
?
26
21-2904063
Втулка стойки передней подвески резьбовая эксцентриковая
Кол-во
2
?
27
21-3001030
Рычаг рулевой трапеции - правый
Кол-во
1
?
28
21-2900101
Втулки и шкворни (комплект) для ремонта поворотного кулака
Кол-во
1
?
29
21-3001018
Шкворень поворотного кулака с заглушкой в сборе
Кол-во
2
?
30
260313-П
Заглушка 32 ОСТ 37.001.173-82
Кол-во
4
?
31
290917-П8
Болт 1М12х1,25х50
Кол-во
4
?
32
21-3001020
Подшипник шкворня поворотного кулака упорный
Кол-во
2
?
Есть готовая заявка? Отправьте ее нам!
Если у вас уже есть список необходимых запчастей, загрузите файл с ним или укажите артикулы и названия запчастей в поле Комментарий, а также оставьте свои контактные данные. В течение рабочего дня мы оценим вашу заявку и отправим вам коммерческое предложение.
Отдел продаж

Если у вас уже есть готовая заявка на запасные части, то просто прикрепите файл с ней либо в поле «Комментарии» напишите артикулы и названия необходимых вам запчастей и оставьте контактные данные.

В течение рабочего дня мы выполним расчёт по вашей заявке и направим вам коммерческое предложение.

Только один файл.
Ограничение 128 МБ.
Допустимые типы: txt, rtf, pdf, doc, docx, odt, ppt, pptx, odp, xls, xlsx, ods.
пример: 89511234567 или +79511324567
Отправляя форму вы подтверждаете согласие с политикой обработки персональных данных.