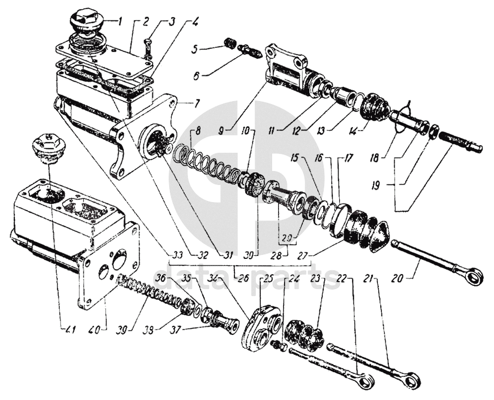
Главный цилиндр тормоза ГАЗ-21

1
51-3505075
Пробка наливная главного цилиндра тормоза в сборе
Кол-во
1
?
2
51-3505006
Крышка картера главного цилиндра тормоза
Кол-во
1
?
3
201418-П2
Болт М6х16
Кол-во
6
?
4
51-3505007
Прокладка крышки картера главного цилиндра тормоза
Кол-во
1
?
5
12-3501049
Колпачок перепускного клапана колесного цилиндра тормоза защитный
Кол-во
1
?
6
12-3501048
Клапан
Кол-во
1
?
7
21-3505015
Картер главного цилиндра тормоза
Кол-во
1
?
8
51-3505031
Пружина возвратная поршня главного цилиндра тормоза
Кол-во
1
?
9
21А-1602512
Цилиндр
Кол-во
1
?
10
51-3505022
Держатель возвратной пружины поршня главного цилиндра тормоза
Кол-во
1
?
11
21А-1602516
Манжета
Кол-во
1
?
12
21А-1602514
Поршень цилиндра привода выключения сцепления
Кол-во
1
?
13
11-7544
Кольцо стопорное
Кол-во
1
?
14
21А-1602528
Колпак
Кол-во
1
?
15
51-3505048
Шайба упорная поршня
Кол-во
1
?
16
51-3505038
Кольцо
Кол-во
1
?
17
51-3505046
Кольцо стяжное защитного колпака главного цилиндра тормоза
Кол-во
1
?
18
257824-П
Шплинт-проволока диаметром 0,8х150 защитного колпака
Кол-во
1
?
19
21А-1602520
Толкатель вилки выключения сцепления в сборе
Кол-во
1
?
20
21-3505060-Б
Толкатель поршня главного цилиндра тормоза
Кол-во
1
?
21
21А-3505060
Толкатель поршня главного цилиндра тормоза
Кол-во
1
?
22
21А-1602568
Толкатель поршня главного цилиндра выключения сцепления
Кол-во
1
?
23
21А-3505065
Колпак защитный главного цилиндра
Кол-во
1
?
24
201457-П8
Болт М8-6gх22
Кол-во
2
?
25
21А-3505048
Крышка упорная поршня главного цилиндра тормоза и выключения сцепления
Кол-во
1
?
26
ВК-21-3500105
Комплект деталей для главного цилиндра тормоза
Кол-во
1
?
27
21-3505065
Колпак защитный
Кол-во
1
?
28
12-3505028
Поршень главного цилиндра тормоза в сборе
Кол-во
1
?
29
12-3501051
Манжета уплотнительная
Кол-во
1
?
30
51-3505035
Манжета
Кол-во
1
?
31
51-3505020
Клапан главного цилиндра тормоза в сборе
Кол-во
1
?
32
51-3505058
Прокладка наливной пробки
Кол-во
1
?
33
51-3506013
Прокладка
Кол-во
1
?
34
21А-3505049
Прокладка упорной крышки
Кол-во
1
?
35
21А-1602546
Поршень главного цилиндра выключения сцепления
Кол-во
1
?
36
21А-1602552
Клапан поршня главного цилиндра выключения сцепления
Кол-во
1
?
37
21А-1602548
Манжета уплотнительная поршня главного цилиндра выключения сцепления
Кол-во
1
?
38
21А-1602554
Манжета уплотнительная внутренняя главного цилиндра выключения сцепления
Кол-во
1
?
39
21А-1602560
Пружина возвратная поршня главного цилиндра выключения сцепления в сборе
Кол-во
1
?
40
21А-3505015
Картер главного цилиндра тормоза и выключения сцепления
Кол-во
1
?
41
21А-3505075
Пробка наливная главного цилиндра тормоза в сборе
Кол-во
1
?
Есть готовая заявка? Отправьте ее нам!
Если у вас уже есть список необходимых запчастей, загрузите файл с ним или укажите артикулы и названия запчастей в поле Комментарий, а также оставьте свои контактные данные. В течение рабочего дня мы оценим вашу заявку и отправим вам коммерческое предложение.
Отдел продаж

Если у вас уже есть готовая заявка на запасные части, то просто прикрепите файл с ней либо в поле «Комментарии» напишите артикулы и названия необходимых вам запчастей и оставьте контактные данные.

В течение рабочего дня мы выполним расчёт по вашей заявке и направим вам коммерческое предложение.

Только один файл.
Ограничение 128 МБ.
Допустимые типы: txt, rtf, pdf, doc, docx, odt, ppt, pptx, odp, xls, xlsx, ods.
пример: 89511234567 или +79511324567
Отправляя форму вы подтверждаете согласие с политикой обработки персональных данных.