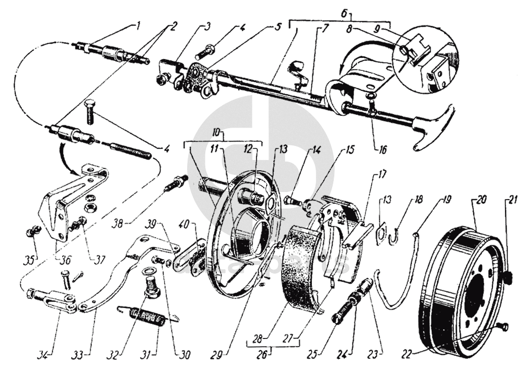
Центральный тормоз и управление центральным тормозом ГАЗ-21

1
12-3508086
Хомут защитный отверстия для смазки оболочки переднего троса
Кол-во
1
?
2
21-3508068
Трос и оболочка привода центрального тормоза в сборе
Кол-во
1
?
3
21-3508087
Кронштейн крепления оболочки переднего троса центрального тормоза к щиту
Кол-во
1
?
4
201460-П8
Болт М8-6gх30
Кол-во
2
?
5
21-3508125
Уплотнитель кожуха стержня привода центрального тормоза
Кол-во
1
?
6
21-3508014
Стержень привода центрального тормоза с кожухом в сборе
Кол-во
1
?
7
21-3508015
Стержень привода центрального тормоза в сборе
Кол-во
1
?
8
21-3508036
Пружина собачки
Кол-во
1
?
9
21-3508030
Собачка стержня привода центрального тормоза
Кол-во
1
?
10
21-3507011
Щит центрального тормоза в сборе
Кол-во
1
?
11
21-3507043
Пружина прижимная колодок центрального тормоза
Кол-во
2
?
12
21-3507022
Палец опорный колодок центрального тормоза
Кол-во
1
?
13
21-3507089
Шайба крепления колодки к опорному пальцу
Кол-во
2
?
14
290507-П8
Болт М6х20 крепления рычага привода к колодке
Кол-во
1
?
15
21А-3507045
Рычаг привода колодок центрального тормоза
Кол-во
1
?
16
201452-П8
Болт М8х1,25х12
Кол-во
2
?
17
21-3507040
Звено разжимное колодок центрального тормоза
Кол-во
1
?
18
21-3507024
Шайба стопорная опорного пальца колодок центрального тормоза
Кол-во
1
?
19
21-3507048
Пружина стяжная колодок центрального тормоза
Кол-во
1
?
20
21-3507052
Барабан центрального тормоза
Кол-во
1
?
21
21-3507075
Заглушка регулировочной щели барабана центрального тормоза
Кол-во
1
?
22
201415-П8
Болт М6-6gх10
Кол-во
2
?
23
21-3507080
Корпус регулировочного механизма центрального тормоза
Кол-во
1
?
24
21-3507082
Гайка опорного винта регулировочного механизма центрального тормоза
Кол-во
1
?
25
21-3507083
Винт опорный регулировочного механизма центрального тормоза
Кол-во
1
?
26
21-3507014
Колодка центрального тормоза с фрикционной накладкой в сборе
Кол-во
2
?
27
21-3507018
Колодка центрального тормоза в сборе
Кол-во
2
?
28
21-3507020
Накладка фрикционная центрального тормоза
Кол-во
2
?
29
21-3508105
Звено приводного рычага привода центрального тормоза
Кол-во
1
?
30
201415-П8
Болт М6-6gх10
Кол-во
0
?
31
20-3508220-Б
Пружина оттяжная рычага привода центрального тормоза
Кол-во
1
?
32
290755-П8
Болт М10х20 крепления рычага к коробке передач
Кол-во
1
?
33
21А-3508152
Рычаг привода центрального тормоза
Кол-во
1
?
34
20-3508045
Вилка регулировочная троса привода центрального тормоза
Кол-во
1
?
35
201418-П8
Болт М6-6gх16
Кол-во
1
?
36
21А-3508088
Кронштейн крепления оболочки троса привода центрального тормоза в сборе - нижний
Кол-во
1
?
37
201454-П8
Болт М8-6gх16
Кол-во
2
?
38
290653-П8
Болт М12х1,25х38
Кол-во
1
?
39
21-3507092
Пластина защитного чехла рычага привода центрального тормоза
Кол-во
1
?
40
21-3507091
Чехол защитный рычага привода центрального тормоза
Кол-во
1
?
Есть готовая заявка? Отправьте ее нам!
Если у вас уже есть список необходимых запчастей, загрузите файл с ним или укажите артикулы и названия запчастей в поле Комментарий, а также оставьте свои контактные данные. В течение рабочего дня мы оценим вашу заявку и отправим вам коммерческое предложение.
Отдел продаж

Если у вас уже есть готовая заявка на запасные части, то просто прикрепите файл с ней либо в поле «Комментарии» напишите артикулы и названия необходимых вам запчастей и оставьте контактные данные.

В течение рабочего дня мы выполним расчёт по вашей заявке и направим вам коммерческое предложение.

Только один файл.
Ограничение 128 МБ.
Допустимые типы: txt, rtf, pdf, doc, docx, odt, ppt, pptx, odp, xls, xlsx, ods.
пример: 89511234567 или +79511324567
Отправляя форму вы подтверждаете согласие с политикой обработки персональных данных.