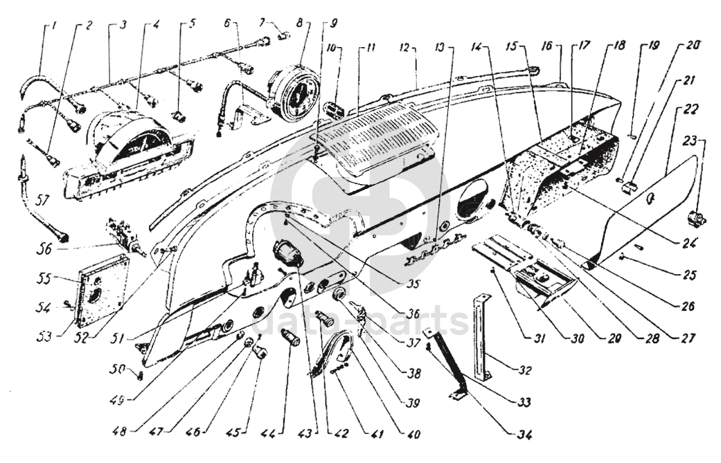
Панель приборов ГАЗ-21

1
20-3802020-В
Вал привода спидометра гибкий в сборе (ГВ20-В)
Кол-во
1
?
2
ПП24
Патрон контрольной лампы включения дальнего света фар в сборе
Кол-во
1
?
3
ПП21
Патроны ламп освещения шкал приборов в сборе
Кол-во
1
?
4
КП21
Комбинация приборов в сборе
Кол-во
1
?
5
ПД20-100-Д
Патрон контрольной лампы включения указателя поворота в сборе
Кол-во
1
?
6
21-3804070
Кронштейн
Кол-во
1
?
7
А-22
Лампа 12 в
Кол-во
0
?
8
АЧВ
Часы в сборе
Кол-во
1
?
9
290392-П8
Болт М5 крепления решетки
Кол-во
4
?
10
ПТ3-3725001
Скоба креплений прикуривателя
Кол-во
1
?
11
21-5301210
Решетка панели приборов
Кол-во
1
?
12
21-5301156
Прокладка панели приборов
Кол-во
1
?
13
21-5301228
Орнамент панели приборов в сборе
Кол-во
1
?
14
ПТ3-3725100
Гнездо патрона прикуривателя в сборе
Кол-во
1
?
15
21-5303012
Ящик вещевой в сборе
Кол-во
1
?
16
21-5301126
Панель приборов в сборе - сварка
Кол-во
1
?
17
292647-П2
Гайка 4
Кол-во
6
?
18
30-5303074
Упор замка вещевого ящика
Кол-во
1
?
19
30-5303045
Буфер
Кол-во
4
?
20
220028-П8
Винт М3,5х0,6х10
Кол-во
1
?
21
32-5303078
Колпачок замка вещевого ящика
Кол-во
1
?
22
21-5303016
Дверца вещевого ящика в сборе
Кол-во
1
?
23
30-5303052
Замок вещевого ящика в сборе
Кол-во
1
?
24
220053-П8
Винт М4х12 крепления упора
Кол-во
2
?
25
224571-П8
Винт М4х10 крепления дверцы вещевого ящика
Кол-во
2
?
26
21-3725135
Ручка патрона прикуривателя в сборе
Кол-во
1
?
27
ПТ1-3725011
Облицовка патрона прикуривателя
Кол-во
1
?
28
ПТ4-3725200
Патрон прикуривателя в сборе
Кол-во
1
?
29
21-8203008
Пепельница передняя в сборе
Кол-во
1
?
30
21-8203030
Направляющая передней пепельницы
Кол-во
1
?
31
220051-П8
Винт М4х10
Кол-во
2
?
32
21-5301116
Распорка панели приборов у руля - правая
Кол-во
1
?
33
21-5301147
Распорка панели приборов у руля - левая
Кол-во
1
?
34
201415-П8
Болт М6-6gх10
Кол-во
2
?
35
21-3801065
Скоба крепления комбинации приборов к панели приборов
Кол-во
5
?
36
220077-П8
Винт М5х0,8х10
Кол-во
8
?
37
К-11618
Кольцо для ключей замка зажигания
Кол-во
1
?
38
20-3704024
Гайка
Кол-во
1
?
39
51-3704100
Ключ
Кол-во
2
?
40
21-5301134
Облицовка панели приборов у рулевой колонки
Кол-во
1
?
41
222964-П13
Винт М3х10 крепления облицовки
Кол-во
3
?
42
ПД20-Б
Фонарь контрольной лампы температуры воды в радиаторе в сборе
Кол-во
1
?
43
21-3704010-Л
Включатель зажигания и стартера с запорным цилиндром в сборе
Кол-во
1
?
44
ПД20
Фонарь контрольной лампы включения ручного тормоза
Кол-во
1
?
45
21-3709051
Ручка тяги центрального переключателя света с вставкой в сборе
Кол-во
1
?
46
290115-П8
Винт М3х4
Кол-во
1
?
47
21-3709030
Гайка
Кол-во
1
?
48
21-3709038
Шайба прокладочная
Кол-во
1
?
49
224601-П8
Винт М5х0,4х18
Кол-во
2
?
50
210031-П8
Болт М6х1х14
Кол-во
2
?
51
ПР2-Б
Предохранитель на 20А
Кол-во
1
?
52
201415-П8
Болт М6-6gх10
Кол-во
0
?
53
21-5301114
Держатель уплотнителя щитка передка у рулевой колонки
Кол-во
1
?
54
201418-П8
Болт М6-6gх16
Кол-во
4
?
55
21-5301112
Уплотнитель щитка передка у рулевой колонки
Кол-во
1
?
56
П38
Центральный переключатель света в сборе
Кол-во
1
?
57
20-1104091
Втулка уплотнительная
Кол-во
1
?
Есть готовая заявка? Отправьте ее нам!
Если у вас уже есть список необходимых запчастей, загрузите файл с ним или укажите артикулы и названия запчастей в поле Комментарий, а также оставьте свои контактные данные. В течение рабочего дня мы оценим вашу заявку и отправим вам коммерческое предложение.
Отдел продаж

Если у вас уже есть готовая заявка на запасные части, то просто прикрепите файл с ней либо в поле «Комментарии» напишите артикулы и названия необходимых вам запчастей и оставьте контактные данные.

В течение рабочего дня мы выполним расчёт по вашей заявке и направим вам коммерческое предложение.

Только один файл.
Ограничение 128 МБ.
Допустимые типы: txt, rtf, pdf, doc, docx, odt, ppt, pptx, odp, xls, xlsx, ods.
пример: 89511234567 или +79511324567
Отправляя форму вы подтверждаете согласие с политикой обработки персональных данных.