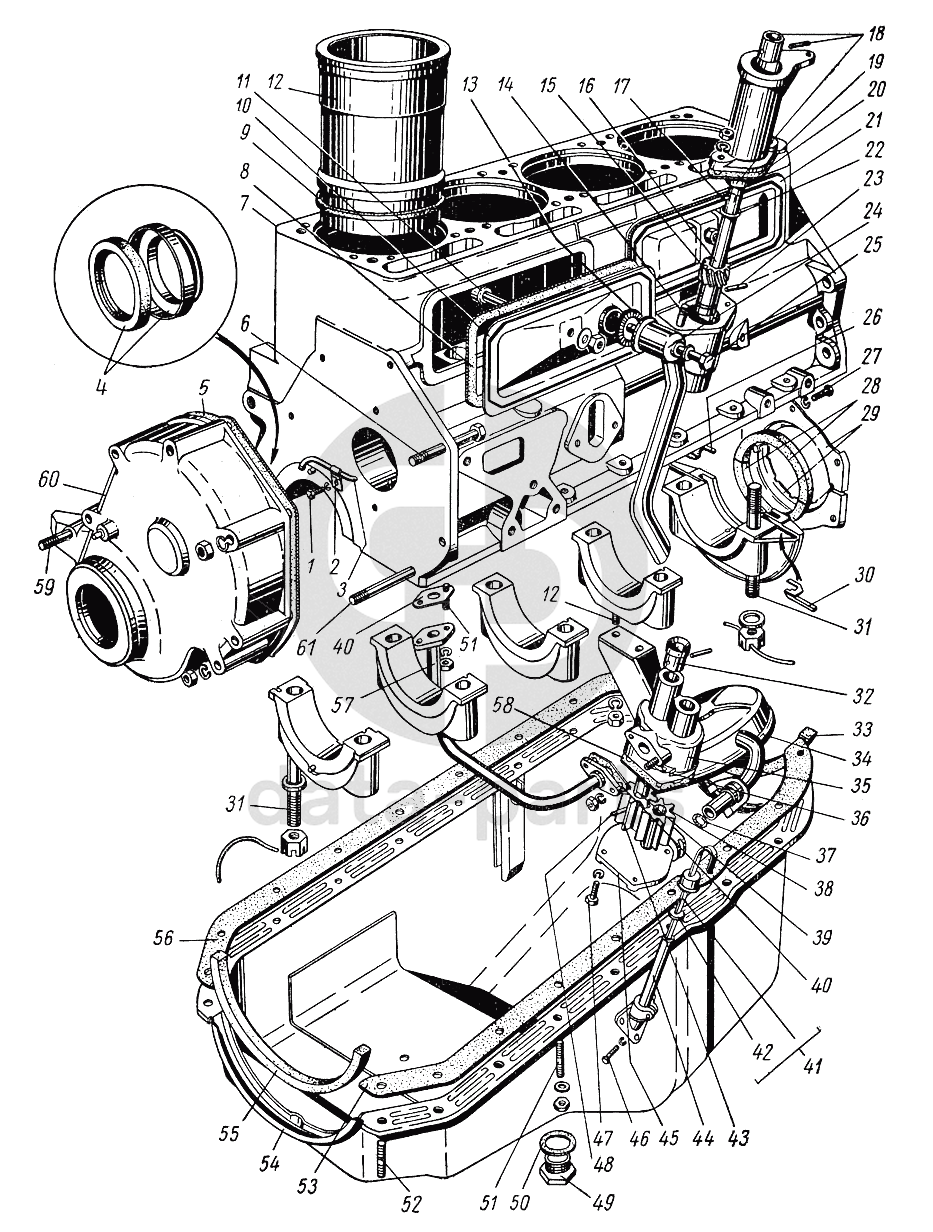
Блок цилиндров ГАЗ-21

1
290489-П
Болт М6-6gх12
Кол-во
1
?
1
252174-П8
Шайба 6 пружинная
Кол-во
1
?
2
12-1006267
Скоба
Кол-во
1
?
3
21-1006049-Б
Трубка
Кол-во
1
?
4
21-1005032
Сальник передний коленчатого вала с отражателем в сборе
Кол-во
1
?
5
21-1002064-Б
Прокладка крышки распределительных шестерен
Кол-во
1
?
6
200272-П8
Болт М8х1,25х65
Кол-во
2
?
7
21-1002010-Б1
Блок цилиндров в сборе
Кол-во
1
?
8
20-1002116-А
Прокладка крышки коробки толкателей
Кол-во
2
?
9
21-1002024
Кольцо уплотнительное гильзы цилиндра
Кол-во
4
?
10
20-1002110
Крышка клапанной коробки передняя в сборе
Кол-во
1
?
11
293264-П
Шайба 8
Кол-во
2
?
11
250511-П8
Гайка М8х1
Кол-во
0
?
В наличии
10 ₽
11
216244-П2
Шпилька М8х1х45 крепления крышки коробки толкателей
Кол-во
2
?
12
21-1002020-Б
Гильза цилиндра в сборе
Кол-во
4
?
13
51-1014053-Б
Прокладка патрубка
Кол-во
1
?
14
250511-П8
Гайка М8х1
Кол-во
0
?
В наличии
10 ₽
14
291747-П
Шпилька 1М8х22 крепления масляного насоса
Кол-во
2
?
14
291747-П2
Шпилька М8х1-4hх22
Кол-во
2
?
14
252155-П2
Шайба 8Л ОСТ 37.001.115-75
Кол-во
0
?
14
250511-П
Гайка М8х1-6Н
Кол-во
2
?
15
21-1016018-Б
Шестерня привода распределителя
Кол-во
1
?
16
21-1011220-Б
Валик привода масляного насоса
Кол-во
1
?
17
258709-П
Штифт диаметр 3х12 цилиндрический валика привода маслонасоса
Кол-во
1
?
18
21-1016012-Б
Валик привода распределителя с упорной втулкой в сборе
Кол-во
1
?
19
21-1016019-А
Корпус привода распределителя в сборе
Кол-во
1
?
20
21-1016023-Б
Прокладка корпуса привода
Кол-во
1
?
21
21-1002111
Крышка коробки толкателей задняя в сборе
Кол-во
1
?
22
293371-П
Шайба 13
Кол-во
1
?
23
258616-П
Штифт 4х22
Кол-во
1
?
24
21-1014055-В1
Трубка вытяжная вентиляции картера в сборе
Кол-во
1
?
25
200272-П8
Болт М8х1,25х65
Кол-во
0
?
25
293264-П
Шайба 8
Кол-во
0
?
26
21-1005162
Прокладка крышки заднего подшипника правая
Кол-во
1
?
27
290489-П
Болт М6-6gх12
Кол-во
0
?
27
252174-П8
Шайба 6 пружинная
Кол-во
0
?
28
11-6702-А2
Набивка сальника
Кол-во
2
?
29
21-1005160
Держатель сальника заднего подшипника коленчатого вала
Кол-во
2
?
30
21-1005163
Прокладка крышки заднего подшипника левая
Кол-во
1
?
31
258285-П
Шплинт-проволока 1,6х275
Кол-во
5
?
31
293398-П18
Шайба 15
Кол-во
10
?
31
292857-П
Гайка 1М14 шпилек крепления подшипников коленчатого вала прорезная
Кол-во
10
?
31
291911-П
Шпилька М14х1,5х85 крепления подшипников коленчатого вала
Кол-во
10
?
32
294958-П
Штифт 4х19
Кол-во
1
?
32
21-1011066-Б
Втулка валика масляного насоса
Кол-во
1
?
32
252135-П2
Шайба 8Т ОСТ 37.001.115-75
Кол-во
2
?
В наличии
4 ₽
33
21-1009073
Прокладка масляного картера - задняя
Кол-во
1
?
34
258040-П
Шплинт 2,7х25
Кол-во
1
?
34
11-6660
Маслоприемник в сборе
Кол-во
1
?
35
21-1011015-Б
Корпус масляного насоса в сборе
Кол-во
1
?
36
250511-П
Гайка М8х1-6Н
Кол-во
0
?
36
216232-П
Шпилька М8х1х16
Кол-во
2
?
36
252135-П2
Шайба 8Т ОСТ 37.001.115-75
Кол-во
0
?
В наличии
4 ₽
37
21-1011153
Кольцо уплотнительное крышки масляного насоса
Кол-во
1
?
38
21-1011032
Шестерня ведомая масляного насоса
Кол-во
1
?
39
21-1011042-Б
Валик масляного насоса
Кол-во
1
?
40
21-1011086-А
Прокладка
Кол-во
2
?
41
21-1009050-А2
Указатель уровня масла в сборе
Кол-во
1
?
42
51-1009056
Шайба уплотнительная указателя уровня масла
Кол-во
1
?
43
70-6613-В
Шестерня ведущая масляного насоса
Кол-во
1
?
44
21-1009045
Трубка указателя уровня масла
Кол-во
1
?
45
21-1011052-Б
Крышка масляного насоса
Кол-во
1
?
46
201422-П8
Болт М6-6gх25
Кол-во
1
?
47
252134-П2
Шайба 6Т ОСТ 37.001.115-75
Кол-во
0
?
47
201420-П2
Болт М6х20 крышки масляного насоса
Кол-во
4
?
48
258926-П
Штифт 3х18
Кол-во
1
?
49
296507-П8
Пробка М22х1,5х10
Кол-во
1
?
50
297282-П
Прокладка диаметром 22 пробки в сборе
Кол-во
1
?
51
291736-П
Шпилька 1М8х16
Кол-во
2
?
52
293277-П8
Шайба 8
Кол-во
18
?
52
250511-П8
Гайка М8х1
Кол-во
0
?
В наличии
10 ₽
52
216232-П
Шпилька М8х1х16
Кол-во
0
?
52
291732-П
Шпилька М8х1х14
Кол-во
17
?
53
21-1009071
Прокладка масляного картера - левая
Кол-во
1
?
54
21-1009010-А2
Картер масляный в сборе
Кол-во
1
?
55
21-1009072
Прокладка масляного картера - передняя
Кол-во
1
?
56
21-1009070
Прокладка масляного картера - правая
Кол-во
1
?
57
21-1011082-Б2
Трубка нагнетательная масляного насоса в сборе
Кол-во
1
?
58
21-1011065
Прокладка крышки масляного насоса
Кол-во
1
?
59
291752-П2
Шпилька М8х1-4hх38
Кол-во
1
?
60
21-1002058-Б
Крышка распределительных шестерен в сборе
Кол-во
1
?
61
291758-П2
Шпилька М8х1х58
Кол-во
4
?
Есть готовая заявка? Отправьте ее нам!
Если у вас уже есть список необходимых запчастей, загрузите файл с ним или укажите артикулы и названия запчастей в поле Комментарий, а также оставьте свои контактные данные. В течение рабочего дня мы оценим вашу заявку и отправим вам коммерческое предложение.
Отдел продаж

Если у вас уже есть готовая заявка на запасные части, то просто прикрепите файл с ней либо в поле «Комментарии» напишите артикулы и названия необходимых вам запчастей и оставьте контактные данные.

В течение рабочего дня мы выполним расчёт по вашей заявке и направим вам коммерческое предложение.

Только один файл.
Ограничение 128 МБ.
Допустимые типы: txt, rtf, pdf, doc, docx, odt, ppt, pptx, odp, xls, xlsx, ods.
пример: 89511234567 или +79511324567
Отправляя форму вы подтверждаете согласие с политикой обработки персональных данных.