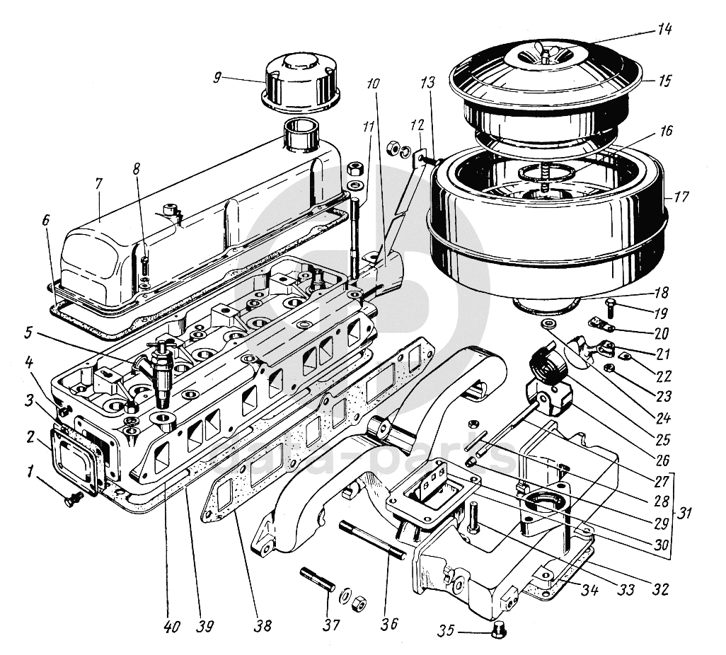
Головка блока цилиндров ГАЗ-21

1
201455-П8
Болт М8-6gх18
Кол-во
4
?
1
252135-П2
Шайба 8Т ОСТ 37.001.115-75
Кол-во
0
?
В наличии
4 ₽
2
21-1003082
Крышка отверстия водяной рубашки головки цилиндров
Кол-во
1
?
В наличии
50 ₽
3
21-1003084
Прокладка
Кол-во
1
?
4
262531-П
Пробка КГ 1/8"
Кол-во
1
?
5
30-8101020-А
Краник запорный отопителя в сборе
Кол-во
1
?
6
21-1007245-Б
Прокладка крышки коромысел
Кол-во
1
?
7
21-1007230-Г
Крышка коромысел в сборе
Кол-во
1
?
8
252004-П29С
Шайба диаметром 6
Кол-во
6
?
8
252004-П8
Шайба 6
Кол-во
6
?
8
222525-П8
Винт М6х16
Кол-во
6
?
8
222525-П29
Винт М6-6gх16 ОСТ 37.001.128-96
Кол-во
6
?
9
53Ф-1014150
Фильтр вентиляции картера в сборе
Кол-во
1
?
10
21-1003073
Труба
Кол-во
1
?
11
291839-П
Шпилька 1М11х102 крепления головки цилиндров
Кол-во
10
?
11
293334-П8
Шайба 11,5
Кол-во
10
?
11
292798-П8
Гайка М11х1
Кол-во
10
?
12
21-1109142-В
Кронштейн крепления воздушного фильтра
Кол-во
1
?
13
210131-П8
Болт М8х1х18
Кол-во
1
?
14
12-1109158
Винт крепления воздушного фильтра
Кол-во
1
?
15
321-1109013
Крышка воздушного фильтра с корпусом фильтрующего элемента в сборе
Кол-во
1
?
16
21-1109042
Прокладка горловины крышки воздушного фильтра
Кол-во
1
?
17
21-1109033-Б
Корпус воздушного фильтра с глушителем шума всасывания в сборе
Кол-во
1
?
18
21-1109129
Прокладка патрубка крепления воздушного фильтра
Кол-во
1
?
19
290410-П8
Болт М5х0,8х18
Кол-во
1
?
20
12-1008074
Ограничитель поворота заслонки подогрева смеси в сборе
Кол-во
1
?
21
12-1008052
Противовес заслонки подогрева смеси
Кол-во
1
?
22
12-1008072
Фиксатор противовеса оси заслонки подогрева смеси
Кол-во
1
?
23
250763-П8
Гайка М5х0,8
Кол-во
1
?
24
252037-П8
Шайба 6
Кол-во
1
?
25
12-1008044-Б
Термостат заслонки подогрева смеси
Кол-во
1
?
26
20-1008082-А2
Кожух термостата заслонки подогрева смеси в сборе
Кол-во
1
?
27
20-1008041-В
Ось заслонки подогрева смеси
Кол-во
1
?
28
258952-П
Штифт 5х40 цилиндрический
Кол-во
1
?
29
51-1008047
Втулка оси заслонки подогрева смеси
Кол-во
2
?
30
21-1008038-Б
Заслонка подогрева смеси
Кол-во
1
?
31
21-1008024-А
Коллектор выпускной в сборе
Кол-во
1
?
32
20-1008019
Прокладка между впускной трубой и выпускным коллектором
Кол-во
1
?
33
201460-П8
Болт М8-6gх30
Кол-во
4
?
33
250510-П8
Гайка М8х1,25
Кол-во
4
?
34
21-1008015-Б
Труба впускная
Кол-во
1
?
35
353052-S8
Пробка 1/4"-18 коническая
Кол-во
1
?
36
292782-П
Гайка М10х1
Кол-во
7
?
36
291815-П
Шпилька М10х1-4hх80
Кол-во
2
?
36
252006-П2
Шайба 10
Кол-во
2
?
36
293309-П8
Шайба 10
Кол-во
5
?
37
291797-П
Шпилька М10х1х30
Кол-во
5
?
38
21-1008080
Прокладка газопровода
Кол-во
1
?
39
21-1003020-Б2
Прокладка головки цилиндров в сборе
Кол-во
1
?
40
21Д-1003010-В
Головка цилиндров в сборе
Кол-во
1
?
40
21-1003010
Головка блока цилиндров в сборе
Кол-во
1
?
40
21Д-1003010
Головка блока цилиндров в сборе
Кол-во
1
?
Есть готовая заявка? Отправьте ее нам!
Если у вас уже есть список необходимых запчастей, загрузите файл с ним или укажите артикулы и названия запчастей в поле Комментарий, а также оставьте свои контактные данные. В течение рабочего дня мы оценим вашу заявку и отправим вам коммерческое предложение.
Отдел продаж

Если у вас уже есть готовая заявка на запасные части, то просто прикрепите файл с ней либо в поле «Комментарии» напишите артикулы и названия необходимых вам запчастей и оставьте контактные данные.

В течение рабочего дня мы выполним расчёт по вашей заявке и направим вам коммерческое предложение.

Только один файл.
Ограничение 128 МБ.
Допустимые типы: txt, rtf, pdf, doc, docx, odt, ppt, pptx, odp, xls, xlsx, ods.
пример: 89511234567 или +79511324567
Отправляя форму вы подтверждаете согласие с политикой обработки персональных данных.