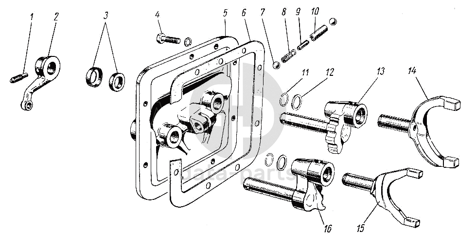
Механизм переключения передач ГАЗ-21

1
2
3
4
5
6
7
8
9
10
10
10
10
10
11
12
13
14
15
16
%
1
295025-П
Штифт диаметром 6х28 рычага
Кол-во
2
?
2
21А-1702115
Рычаг переключения передач с пальцем в сборе
Кол-во
2
?
3
20-1702018
Сальник боковой крышки коробки передач в сборе
Кол-во
2
?
4
201458-П8
Болт М8х1,25х25
Кол-во
8
?
5
20-1702015-Б3
Крышка боковая коробки передач
Кол-во
1
?
6
20-1702014
Прокладка между картером и боковой крышкой коробки передач
Кол-во
1
?
7
263014-П
Шарик диаметром 9,5 мм фиксатора механизма переключения передач
Кол-во
2
?
8
20-1702106
Пружина стопорного шарика
Кол-во
1
?
9
21А-1702083
Фиксатор стопорных шариков вилок переключения передач
Кол-во
1
?
10
20-1702108-Б
Плунжер блокирующий рычага переключения передач
Кол-во
1
?
10
20-1702108-А
Плунжер блокирующий рычага переключения передач
Кол-во
1
?
10
20-1702108-В
Плунжер блокирующий рычага переключения передач
Кол-во
1
?
10
20-1702108-Г
Плунжер блокирующий рычага переключения передач
Кол-во
1
?
10
20-1702108-Д
Плунжер блокирующий рычага переключения передач
Кол-во
1
?
11
20-1702047
Кольцо стопорное
Кол-во
2
?
12
20-1702045
Кольцо упорное вилок переключения передач
Кол-во
2
?
13
20-1702031-А3
Сектор переключения 2-й и 3-й передач с осью в сборе
Кол-во
1
?
14
20-1702030-Б
Вилка переключения 2-й и 3-й передач коробки передач
Кол-во
1
?
15
20-1702024-Б
Вилка переключения 1-й передачи и заднего хода коробки передач
Кол-во
1
?
16
20-1702025-А3
Сектор переключения 1-й передачи и заднего хода с осью в сборе
Кол-во
1
?
Есть готовая заявка? Отправьте ее нам!
Если у вас уже есть список необходимых запчастей, загрузите файл с ним или укажите артикулы и названия запчастей в поле Комментарий, а также оставьте свои контактные данные. В течение рабочего дня мы оценим вашу заявку и отправим вам коммерческое предложение.
Отдел продаж

Если у вас уже есть готовая заявка на запасные части, то просто прикрепите файл с ней либо в поле «Комментарии» напишите артикулы и названия необходимых вам запчастей и оставьте контактные данные.

В течение рабочего дня мы выполним расчёт по вашей заявке и направим вам коммерческое предложение.

Только один файл.
Ограничение 128 МБ.
Допустимые типы: txt, rtf, pdf, doc, docx, odt, ppt, pptx, odp, xls, xlsx, ods.
пример: 89511234567 или +79511324567
Отправляя форму вы подтверждаете согласие с политикой обработки персональных данных.