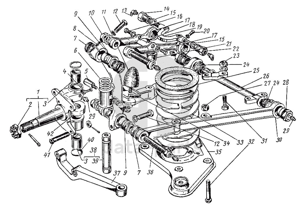
Передняя подвеска ГАЗ-21

1
20-2301012-Б
Кулак поворотный со втулками в сборе правый
Кол-во
1
?
2
292957-П2
Гайка М24х1,5-4Н5Н
Кол-во
2
?
3
11-3109
Втулка шкворня поворотного кулака
Кол-во
4
?
4
290644-П8
Болт 1М8х1х20
Кол-во
2
?
5
20-3001025
Штифт стопорный шкворня поворотного кулака
Кол-во
2
?
6
20-3001022
Шайба поворотного кулака регулировочная
Кол-во
8
?
7
20-2904092
Кольцо резьбового пальца передней подвески уплотнительное
Кол-во
8
?
8
21-2904056-А
Стойка передней подвески
Кол-во
2
?
9
21-2904063-А
Втулка стойки передней подвески резьбовая эксцентриковая
Кол-во
4
?
10
250637-П8
Гайка М18
Кол-во
4
?
11
20-2902622-А
Буфер хода сжатия передней подвески
Кол-во
2
?
12
290763-П
Болт М10х45 резьбовых втулок стяжной
Кол-во
4
?
13
264030-П8
Пресс-масленка 2.3.45.Ц6
Кол-во
4
?
14
20-2904084
Втулка кронштейна маятникового рычага рулевой трапеции в сборе - нижняя
Кол-во
2
?
15
21-2904127
Кольцо защитное оси верхних рычагов передней подвески
Кол-во
4
?
16
201458-П8
Болт М8х1,25х25
Кол-во
4
?
17
21-2904103-Б
Рычаги передней подвески верхние (комплект)
Кол-во
2
?
18
21-2904130-Б
Опора буфера верхнего рычага передней подвески
Кол-во
2
?
19
21К-2904112
Ось верхних рычагов передней подвески
Кол-во
2
?
20
201482-П8
Болт М8х1-6gх35
Кол-во
2
?
21
12-2902654-А
Буфер хода отдачи
Кол-во
2
?
22
20-2904080
Втулка
Кол-во
2
?
23
292768-П8
Гайка 1М10 специальная
Кол-во
8
?
24
20-2904034
Кольцо защитное оси нижних рычагов передней подвески
Кол-во
4
?
25
20-2902730
Прокладка пружины передней подвески
Кол-во
2
?
26
20-2904032-Г
Ось нижних рычагов передней подвески правая
Кол-во
1
?
27
251665-П8
Гайка
Кол-во
8
?
28
20-2904040
Втулка резьбовая нижних рычагов передней подвески в сборе
Кол-во
4
?
29
264020-П8
Пресс-масленка К 1/8"
Кол-во
0
?
30
20-2904020-Б
Рычаги передней подвески нижние (комплект)
Кол-во
2
?
31
290759-П8
Болт 1М10х35 крепления оси нижних рычагов передней подвески к поперечине
Кол-во
8
?
32
201525-П8
Болт М10х1-6gх42
Кол-во
8
?
33
21-2902712
Пружина передней подвески
Кол-во
2
?
34
20-2902620
Ограничитель хода сжатия передней подвески
Кол-во
2
?
35
21-2902734
Чашка опорная пружины передней подвески правая в сборе
Кол-во
1
?
36
20-2904068-А
Палец стойки передней подвески резьбовой
Кол-во
4
?
37
21-3001030
Рычаг рулевой трапеции - правый
Кол-во
1
?
38
21-2900101
Втулки и шкворни (комплект) для ремонта поворотного кулака
Кол-во
1
?
39
21-3001018
Шкворень поворотного кулака с заглушкой в сборе
Кол-во
2
?
40
260313-П
Заглушка 32 ОСТ 37.001.173-82
Кол-во
4
?
41
290917-П8
Болт 1М12х1,25х50
Кол-во
4
?
42
11-3123
Подшипник 108905У шариковый упорный поворотного кулака переднего моста (ГПЗ-108905)
Кол-во
2
?
Есть готовая заявка? Отправьте ее нам!
Если у вас уже есть список необходимых запчастей, загрузите файл с ним или укажите артикулы и названия запчастей в поле Комментарий, а также оставьте свои контактные данные. В течение рабочего дня мы оценим вашу заявку и отправим вам коммерческое предложение.
Отдел продаж

Если у вас уже есть готовая заявка на запасные части, то просто прикрепите файл с ней либо в поле «Комментарии» напишите артикулы и названия необходимых вам запчастей и оставьте контактные данные.

В течение рабочего дня мы выполним расчёт по вашей заявке и направим вам коммерческое предложение.

Только один файл.
Ограничение 128 МБ.
Допустимые типы: txt, rtf, pdf, doc, docx, odt, ppt, pptx, odp, xls, xlsx, ods.
пример: 89511234567 или +79511324567
Отправляя форму вы подтверждаете согласие с политикой обработки персональных данных.