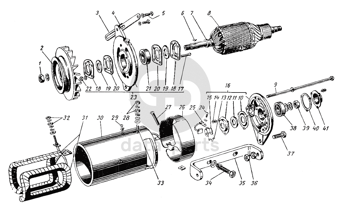
Генератор ГАЗ-21

1
МХ-0235
Гайка М16х1,5-6Н
Кол-во
1
?
2
Г12-3701051-А1
Шкив генератора
Кол-во
1
?
3
21-3701035-Б
Планка установочная генератора
Кол-во
1
?
4
70-10003
Скоба прижимная
Кол-во
1
?
5
291736-П
Шпилька 1М8х16
Кол-во
1
?
6
Б-16
Шпонка сегментная шкива генератора
Кол-во
1
?
7
Г21-3701005
Чашка переднего подшипника генератора опорная
Кол-во
1
?
8
Г12-3701200-А
Якорь в сборе
Кол-во
1
?
9
Г12-3701080
Шпилька стяжная
Кол-во
2
?
10
Г12-3701314
Держатель сальника внутренний
Кол-во
1
?
11
Х5-9268
Сальник заднего подшипника генератора
Кол-во
1
?
12
Г12-3701313
Держатель сальника наружный
Кол-во
1
?
13
Г12-3701304
Пружина щетки генератора
Кол-во
2
?
14
8Х-1541
Винт
Кол-во
3
?
15
Г29-3701305
Рычаг щетки генератора прижимной
Кол-во
2
?
16
Г12-3701300-А
Крышка генератора со стороны коллектора в сборе
Кол-во
1
?
17
7Х-4066
Винт крепления держателя сальника переднего подшипника якоря генератора
Кол-во
4
?
18
Г21-3701402-Б
Держатель сальника переднего подшипника якоря генератора наружный (шайба)
Кол-во
2
?
19
МХ-0326
Сальник переднего подшипника якоря генератора
Кол-во
2
?
20
Г21-3701403-Б
Держатель сальника переднего подшипника якоря генератора внутренний (шайба)
Кол-во
2
?
21
П-303-Л1Ш
Шарикоподшипник якоря генератора передний
Кол-во
1
?
22
Х-4003
Гайка М5-6Н
Кол-во
4
?
23
Г108-3701400-М
Крышка генератора со стороны привода в сборе
Кол-во
1
?
24
7Х-1598
Винт М5-8hх12
Кол-во
2
?
25
Г29-3701020
Щетка генератора изолированная
Кол-во
1
?
26
Г12-3701041
Лента защитная коллектора генератора
Кол-во
1
?
27
МХ-0139
Винт М5
Кол-во
1
?
28
8Х-1533
Гайка М6-6Н
Кол-во
2
?
29
7Х-1598
Винт М5-8hх12
Кол-во
0
?
30
Г12-3701100
Корпус генератора в сборе
Кол-во
1
?
31
Г12-3701110
Катушки в сборе
Кол-во
1
?
32
8Х-1532
Гайка вывода Ш
Кол-во
2
?
33
Г12-3701180
Вывод щеточный в сборе
Кол-во
1
?
34
291853-П
Шпилька М12х1,25х22
Кол-во
2
?
35
21-3701030-Г
Кронштейн генератора
Кол-во
1
?
36
250511-П8
Гайка М8х1
Кол-во
4
?
В наличии
10 ₽
37
290627-П8
Болт М8Х30
Кол-во
0
?
37
290627-П8
Болт М8х30
Кол-во
0
?
38
П-60202-Л1Ш
Шарикоподшипник якоря генератора задний
Кол-во
1
?
39
МХ-0830
Гайка крепления подшипника заднего конца якоря генератора
Кол-во
1
?
40
Г12-3701003
Прокладка крышки заднего подшипника генератора
Кол-во
1
?
41
Г12-3701002
Крышка заднего подшипника генератора
Кол-во
1
?
Есть готовая заявка? Отправьте ее нам!
Если у вас уже есть список необходимых запчастей, загрузите файл с ним или укажите артикулы и названия запчастей в поле Комментарий, а также оставьте свои контактные данные. В течение рабочего дня мы оценим вашу заявку и отправим вам коммерческое предложение.
Отдел продаж

Если у вас уже есть готовая заявка на запасные части, то просто прикрепите файл с ней либо в поле «Комментарии» напишите артикулы и названия необходимых вам запчастей и оставьте контактные данные.

В течение рабочего дня мы выполним расчёт по вашей заявке и направим вам коммерческое предложение.

Только один файл.
Ограничение 128 МБ.
Допустимые типы: txt, rtf, pdf, doc, docx, odt, ppt, pptx, odp, xls, xlsx, ods.
пример: 89511234567 или +79511324567
Отправляя форму вы подтверждаете согласие с политикой обработки персональных данных.