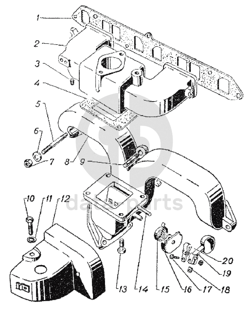
Газопровод ГАЗ-69

1
2
3
4
5
6
7
8
9
10
11
12
13
14
15
16
17
18
19
20
%
1
20-1008080
Прокладка газопровода
Кол-во
1
?
2
20-1008015-А
Труба впускная
Кол-во
1
?
3
353052-58
Пробка К1/4"
Кол-во
1
?
4
20-1008019
Прокладка между впускной трубой и выпускным коллектором
Кол-во
1
?
5
291811-П
Шпилька М10Х72 газопровода длинная
Кол-во
2
?
6
293309-П8
Шайба 10
Кол-во
4
?
7
292782-П
Гайка М10х1
Кол-во
7
?
8
20-1008024
Коллектор выпускной в сборе
Кол-во
1
?
9
291798-П
Шпилька М10х1х30
Кол-во
5
?
10
201454-П8
Болт М8-6gх16
Кол-во
1
?
11
252175-П8
Шайба 8
Кол-во
1
?
12
69-1008098
Кожух газопровода
Кол-во
1
?
13
201458-П8
Болт М8х1,25х25
Кол-во
4
?
14
258952-П
Штифт 5х40 цилиндрический
Кол-во
1
?
15
12-1008044-Б
Термостат заслонки подогрева смеси
Кол-во
1
?
16
20-1008082-А
Кожух термостата заслонки подогрева смеси в сборе
Кол-во
1
?
17
290410-П8
Болт М5х0,8х18
Кол-во
1
?
18
12-1008072
Фиксатор противовеса оси заслонки подогрева смеси
Кол-во
1
?
19
12-1008052
Противовес заслонки подогрева смеси
Кол-во
1
?
20
12-1008074
Ограничитель поворота заслонки подогрева смеси в сборе
Кол-во
1
?
Есть готовая заявка? Отправьте ее нам!
Если у вас уже есть список необходимых запчастей, загрузите файл с ним или укажите артикулы и названия запчастей в поле Комментарий, а также оставьте свои контактные данные. В течение рабочего дня мы оценим вашу заявку и отправим вам коммерческое предложение.
Отдел продаж

Если у вас уже есть готовая заявка на запасные части, то просто прикрепите файл с ней либо в поле «Комментарии» напишите артикулы и названия необходимых вам запчастей и оставьте контактные данные.

В течение рабочего дня мы выполним расчёт по вашей заявке и направим вам коммерческое предложение.

Только один файл.
Ограничение 128 МБ.
Допустимые типы: txt, rtf, pdf, doc, docx, odt, ppt, pptx, odp, xls, xlsx, ods.
пример: 89511234567 или +79511324567
Отправляя форму вы подтверждаете согласие с политикой обработки персональных данных.