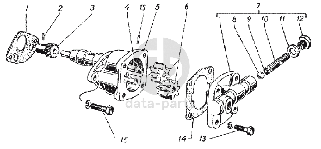
Масляный насос ГАЗ-69

1
2
3
4
5
6
7
8
9
10
11
12
13
14
15
16
%
1
11-6605-А1
Прокладка корпуса масляного насоса
Кол-во
1
?
2
258616-П
Штифт 4х22
Кол-во
1
?
3
20-1011070
Шестерня привода масляного насоса
Кол-во
1
?
4
20-1011040-А
Валик масляного насоса
Кол-во
1
?
5
20-1011015
Корпус масляного насоса в сборе
Кол-во
1
?
6
70-6613-В
Шестерня ведущая масляного насоса
Кол-во
2
?
7
20-1011050-А2
Крышка масляного насоса в сборе
Кол-во
1
?
8
353094-S
Шарик диаметром 15,081 мм редукционного клапана
Кол-во
1
?
9
51-3011061
Колпачок направляющий пружины редукционного клапана
Кол-во
1
?
10
51-1011058
Пружина редукционного клапана масляного насоса
Кол-во
1
?
11
297248-П
Прокладка диаметром 18 пробки в сборе
Кол-во
1
?
12
296496-П8
Пробка 1М18х1,5 редукционного клапана
Кол-во
1
?
13
201458-П8
Болт М8х1,25х25
Кол-во
4
?
14
70-6617-А1
Прокладка крышки масляного насоса
Кол-во
1
?
15
258926-П
Штифт 3х18
Кол-во
1
?
16
201499-П8
Болт М10-6gх30
Кол-во
2
?
Есть готовая заявка? Отправьте ее нам!
Если у вас уже есть список необходимых запчастей, загрузите файл с ним или укажите артикулы и названия запчастей в поле Комментарий, а также оставьте свои контактные данные. В течение рабочего дня мы оценим вашу заявку и отправим вам коммерческое предложение.
Отдел продаж

Если у вас уже есть готовая заявка на запасные части, то просто прикрепите файл с ней либо в поле «Комментарии» напишите артикулы и названия необходимых вам запчастей и оставьте контактные данные.

В течение рабочего дня мы выполним расчёт по вашей заявке и направим вам коммерческое предложение.

Только один файл.
Ограничение 128 МБ.
Допустимые типы: txt, rtf, pdf, doc, docx, odt, ppt, pptx, odp, xls, xlsx, ods.
пример: 89511234567 или +79511324567
Отправляя форму вы подтверждаете согласие с политикой обработки персональных данных.