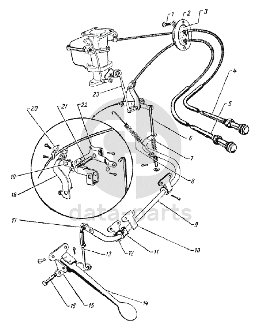
Педаль управления дроссельной заслонкой и управление воздушной заслонкой ГАЗ-69

%
1
220103-П8
Винт М6х1х12
Кол-во
2
?
2
11-700788
Обойма уплотнителя на щитке передка
Кол-во
1
?
3
51-1108110
Уплотнитель оболочек тяг воздушной заслонки и ручного управления педалью дроссельной заслонки
Кол-во
1
?
4
69-1108119
Тяга воздушной заслонки в сборе
Кол-во
1
?
5
69-1108120
Тяга ручного управления педалью дроссельной заслонки в сборе
Кол-во
1
?
6
20-1108044
Тяга рычага валика педали управления дроссельной заслонкой
Кол-во
1
?
7
51-1108042
Пружина тяги рычага валика педали управления дроссельной заслонкой
Кол-во
1
?
8
М-2059-С
Пружина оттяжная педали
Кол-во
1
?
9
69-1108031
Валик педали управления дроссельной заслонкой
Кол-во
1
?
10
69-1108045
Подкладка кронштейна валика педали управления дроссельной заслонкой
Кол-во
2
?
11
20-1108041
Втулка
Кол-во
2
?
12
12-1108039
Кронштейн валика педали управления дроссельной заслонкой
Кол-во
2
?
13
69-1108035
Тяга валика педали управления дроссельной заслонкой
Кол-во
1
?
14
69-1108010
Педаль управления дроссельной заслонкой в сборе
Кол-во
1
?
15
64-9753
Кронштейн педали управления дроссельной заслонкой
Кол-во
1
?
16
260039-П8
Ось 8х38 упора
Кол-во
1
?
17
11-9795
Шарнир тяги валика педали управления дроссельной заслонкой в сборе
Кол-во
1
?
18
20-И08070-А
Кронштейн оболочки тяги ручного управления дроссельной заслонкой
Кол-во
1
?
19
20-1108122-Б1
Рычаг тяги ручного управления педалью дроссельной заслонки в сборе
Кол-во
1
?
20
М-9706-А
Зажим
Кол-во
1
?
21
69-1108124
Шпилька
Кол-во
1
?
22
20-1108101-А
Рычаг тяги дроссельной заслонки карбюратора
Кол-во
1
?
23
69-1108050
Тяга рычага дроссельной заслонки в сборе
Кол-во
1
?
Есть готовая заявка? Отправьте ее нам!
Если у вас уже есть список необходимых запчастей, загрузите файл с ним или укажите артикулы и названия запчастей в поле Комментарий, а также оставьте свои контактные данные. В течение рабочего дня мы оценим вашу заявку и отправим вам коммерческое предложение.
Отдел продаж

Если у вас уже есть готовая заявка на запасные части, то просто прикрепите файл с ней либо в поле «Комментарии» напишите артикулы и названия необходимых вам запчастей и оставьте контактные данные.

В течение рабочего дня мы выполним расчёт по вашей заявке и направим вам коммерческое предложение.

Только один файл.
Ограничение 128 МБ.
Допустимые типы: txt, rtf, pdf, doc, docx, odt, ppt, pptx, odp, xls, xlsx, ods.
пример: 89511234567 или +79511324567
Отправляя форму вы подтверждаете согласие с политикой обработки персональных данных.