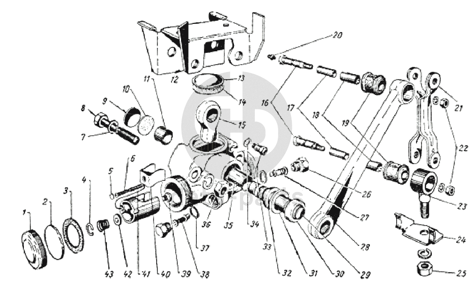
Амортизаторы задней подвески ГАЗ-69

1
11-18020
Крышка днища цилиндра картера амортизатора
Кол-во
4
?
2
11-18021
Пластина крышки днища картера амортизатора
Кол-во
4
?
3
11-18022
Прокладка крышки днища картера амортизатора
Кол-во
4
?
4
11-18045
Кольцо стопорное пружины впускного клапана амортизатора
Кол-во
4
?
5
296906-П
Заглушка 9
Кол-во
4
?
6
11-18037
Пружина стяжного винта поршня амортизатора
Кол-во
4
?
7
293393-П
Специальная шайба плоская кронштейна амортизатора задней подвески
Кол-во
4
?
8
291055-П8
Болт М14х1,5х75
Кол-во
4
?
9
296986-П
Заглушка 30
Кол-во
2
?
10
11-18025
Прокладка заглушки заднего отверстия картера амортизатора
Кол-во
2
?
11
18018-Б
Втулка валика амортизатора задней подвески -малая
Кол-во
2
?
12
69-2915534
Кронштейн амортизатора задней подвески -правый в сборе
Кол-во
1
?
13
296995-П
Заглушка 52
Кол-во
2
?
14
11-18026
Прокладка заглушки верхнего отверстия картера амортизатора
Кол-во
2
?
15
11-18065-Б
Кулачок амортизатора
Кол-во
2
?
16
69-2915418
Палец стойки амортизатора
Кол-во
4
?
17
11-18080
Втулка (бронзовая) головки рычага амортизатора
Кол-во
2
?
18
11-18079
Втулка рычага и проушины стойки амортизатора задней подвески стальная
Кол-во
2
?
19
11-18078
Втулка рычага и проушины стойки амортизатора задней подвески резиновая
Кол-во
2
?
20
264072-П8
Пресс-масленка М6х1 коническая
Кол-во
4
?
21
69-2915430
Стойка амортизатора задней подвески
Кол-во
2
?
22
250789-П8
Гайка 1М8х1
Кол-во
4
?
23
11-5887
Проушина стойки амортизатора задней подвески
Кол-во
2
?
24
69-2915510
Кронштейн стойки амортизатора задней подвески
Кол-во
2
?
25
250835-П8
Гайка 1М12х1,25
Кол-во
2
?
26
11-2905054
Пробка рабочего клапана амортизатора
Кол-во
4
?
27
51-2905240
Клапан рабочий хода отдачи амортизатора задней подвески в сборе
Кол-во
2
?
28
69-2915126
Рычаг амортизатора задней подвески
Кол-во
2
?
29
11-18062-Б
Валик амортизатора
Кол-во
2
?
30
11-18068-Б
Колпачок сальника валика амортизатора
Кол-во
2
?
31
11-18066-Б
Кольцо уплотнительное сальника валика амортизатора (пробковое)
Кол-во
2
?
32
20-2915150
Кольцо уплотнительное сальника валика амортизатора (резиновое)
Кол-во
2
?
33
69-2915072
Пробка наливного отверстия картера амортизатора задней подвески
Кол-во
2
?
34
11-18024
Прокладка пробки наливного отверстия картера амортизатора
Кол-во
2
?
35
11-18017-Б
Втулка валика амортизатора - большая
Кол-во
2
?
36
250559-П8
Гайка М14х1,5
Кол-во
4
?
37
11-2905092
Прокладка пробки рабочего клапана амортизатора
Кол-во
4
?
38
20-2915142
Клапан рабочий хода сжатия амортизатора задней подвески в сборе
Кол-во
2
?
39
20-2915170
Головка упорная поршня амортизатора
Кол-во
4
?
40
11-18035
Пластина пружинная поршня амортизатора
Кол-во
2
?
41
290325-П
Винт М4х0,7х62
Кол-во
4
?
42
11-18038
Тарелка впускного клапана амортизатора в сборе
Кол-во
4
?
43
11-18044
Пружина впускного клапана амортизатора
Кол-во
4
?
Есть готовая заявка? Отправьте ее нам!
Если у вас уже есть список необходимых запчастей, загрузите файл с ним или укажите артикулы и названия запчастей в поле Комментарий, а также оставьте свои контактные данные. В течение рабочего дня мы оценим вашу заявку и отправим вам коммерческое предложение.
Отдел продаж

Если у вас уже есть готовая заявка на запасные части, то просто прикрепите файл с ней либо в поле «Комментарии» напишите артикулы и названия необходимых вам запчастей и оставьте контактные данные.

В течение рабочего дня мы выполним расчёт по вашей заявке и направим вам коммерческое предложение.

Только один файл.
Ограничение 128 МБ.
Допустимые типы: txt, rtf, pdf, doc, docx, odt, ppt, pptx, odp, xls, xlsx, ods.
пример: 89511234567 или +79511324567
Отправляя форму вы подтверждаете согласие с политикой обработки персональных данных.