Стартер ГАЗ-69

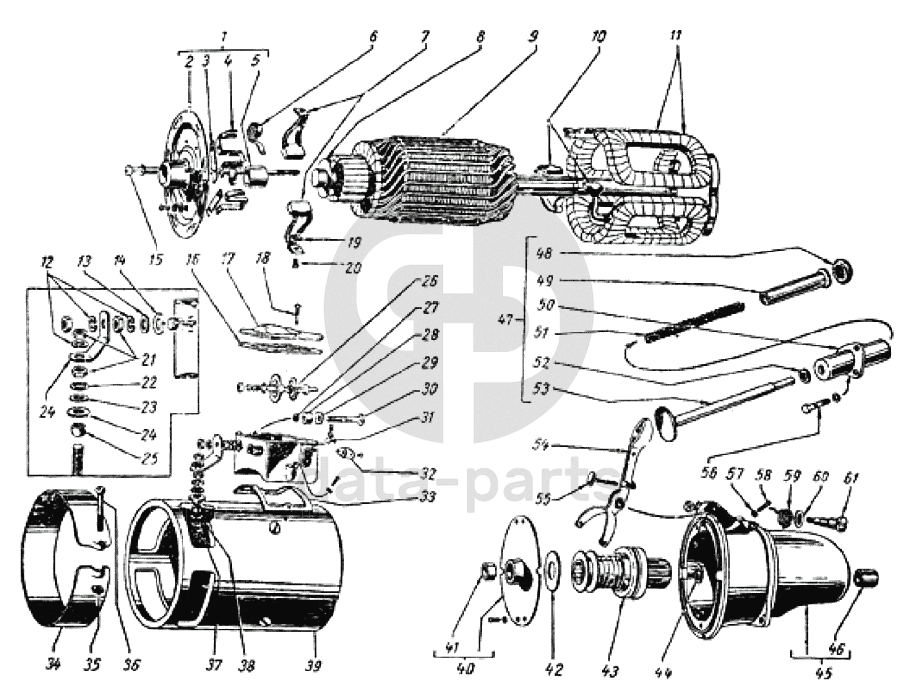
1
СТ06-3708300
Крышка со стороны коллектора в сборе
Кол-во
1
?
2
2-МАР-1065
Крышка со стороны коллектора
Кол-во
1
?
3
1-М3-43А
Изоляционная прокладка
Кол-во
4
?
4
1-М3-16
Щеткодержатель
Кол-во
4
?
5
1-М3-40А
Втулка крышки со стороны коллектора
Кол-во
1
?
6
1-М3-19
Пружина щетки стартера
Кол-во
4
?
7
1-МАФ-13
Щетка стартера в сборе на массу
Кол-во
2
?
8
Х3-9411
Шайба упорная якоря стартера передняя
Кол-во
1
?
9
СТ15-3708200-Г
Якорь стартера в сборе
Кол-во
1
?
10
1-МАФ-12
Щетка стартера в сборе изолированная
Кол-во
2
?
11
СТ-20-3708110
Катушка возбуждения в сборе
Кол-во
1
?
12
МХ-0246
Шайба 8 пружинная
Кол-во
4
?
13
1-МЮ-37
Шайба контактного болта
Кол-во
2
?
14
1-МАБ-31
Шайба контактного болта изолирующая
Кол-во
1
?
15
1-МВВ-20-Б
Винт корпуса стартера стяжной
Кол-во
2
?
16
ВК14-3708045
Прокладка крышки включателя
Кол-во
1
?
17
ВК14-3708041
Крышка включателя стартера
Кол-во
1
?
18
МХ-0278
Винт
Кол-во
2
?
19
8Х-1531
Гайка М5
Кол-во
2
?
20
8Х-1580
Винт крепления щетки
Кол-во
2
?
21
8Х-1537
Гайка М8
Кол-во
0
?
22
МХ-0246
Шайба 8 пружинная
Кол-во
0
?
23
1-МЮ-37
Шайба контактного болта
Кол-во
0
?
24
СТ20-3708090-В
Шина соединительная
Кол-во
1
?
25
1-МАБ-85
Втулка контактного болта
Кол-во
1
?
26
ВК14-3708060
Плунжер с дисками в сборе
Кол-во
1
?
27
1-МЮ-52
Шайба контактного болта изолирующая
Кол-во
4
?
28
ВК14-3708005
Втулка контактного болта
Кол-во
2
?
29
ВК14-3708046
Прокладка контактного болта
Кол-во
2
?
30
ВК14-3708047
Болт контактный включателя
Кол-во
2
?
31
ВК14-3708053
Скоба клеммы включателя стартера
Кол-во
2
?
32
ВК14-3708030
Фланец с фильцем в сборе
Кол-во
1
?
33
МАФ-10-1358
Прокладка
Кол-во
1
?
34
СЛ-8534-Б
Лента защитная
Кол-во
1
?
35
Х-1531
Гайка М6
Кол-во
1
?
36
МХ-0139
Винт М5
Кол-во
1
?
37
1МЮ-28
Болт контактный
Кол-во
1
?
38
1-МЮ-39
Шайба изоляционная контактного болта
Кол-во
1
?
39
СТ20-3708100-В
Корпус стартера в сборе
Кол-во
1
?
40
СТ8-3708050
Подшипник промежуточный в сборе
Кол-во
1
?
41
СТ8-3708052
Втулка промежуточного подшипника
Кол-во
1
?
42
СТ06005
Шайба упорная привода стартера
Кол-во
1
?
43
СТ8-3708600-А
Привод стартера в сборе
Кол-во
1
?
44
1-МЮ-54
Шайба упорная якоря стартера задняя
Кол-во
1
?
45
СТ20-3708400-В
Крышка со стороны привода в сборе
Кол-во
1
?
46
СЛ-138-88
Втулка крышки со стороны привода
Кол-во
1
?
47
20-3708015-Б
Педаль включения привода стартера в сборе
Кол-во
1
?
48
20-3708048
Накладка
Кол-во
1
?
49
20-3708040
Площадка педали включения стартера с трубкой в сборе
Кол-во
1
?
50
20-3708084-Б
Фланец педали включения стартера с кожухом в сборе
Кол-во
1
?
51
20-3708094
Пружина педали включения стартера
Кол-во
1
?
52
20-3708070
Шайба
Кол-во
1
?
53
20-3708027
Стержень педали включения стартера с головкой в сборе
Кол-во
1
?
54
СТ20-3708020-В
Рычаг включения привода стартера в сборе
Кол-во
1
?
55
СТ8-3708080-Б
Упор включателя стартера
Кол-во
1
?
56
201416-П8
Болт М6-6gх12
Кол-во
3
?
57
МП-9
Контргайка
Кол-во
1
?
58
МП-40991
Винт ограничения хода рычага включения привода стартера
Кол-во
1
?
59
СТ8-3708016
Пружина оси рычага
Кол-во
1
?
60
СТ8-3708015
Седло пружины оси рычага
Кол-во
1
?
61
СТ8-3708014
Ось рычага включения привода стартера
Кол-во
1
?
Есть готовая заявка? Отправьте ее нам!
Если у вас уже есть список необходимых запчастей, загрузите файл с ним или укажите артикулы и названия запчастей в поле Комментарий, а также оставьте свои контактные данные. В течение рабочего дня мы оценим вашу заявку и отправим вам коммерческое предложение.
Отдел продаж

Если у вас уже есть готовая заявка на запасные части, то просто прикрепите файл с ней либо в поле «Комментарии» напишите артикулы и названия необходимых вам запчастей и оставьте контактные данные.

В течение рабочего дня мы выполним расчёт по вашей заявке и направим вам коммерческое предложение.

Только один файл.
Ограничение 128 МБ.
Допустимые типы: txt, rtf, pdf, doc, docx, odt, ppt, pptx, odp, xls, xlsx, ods.
пример: 89511234567 или +79511324567
Отправляя форму вы подтверждаете согласие с политикой обработки персональных данных.