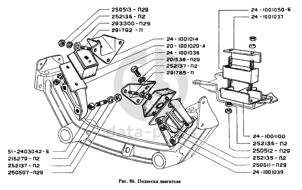
Подвеска двигателя ГАЗ-24

None
201538-П29
Болт М12-6gх25
Кол-во
2
?
None
24-1001050-Б
Подушка опоры двигателя задняя
Кол-во
1
?
None
250511-П29
Гайка М8х1-6Н ОСТ 37.001.124-93
Кол-во
4
?
None
250513-П29
Гайка М10х1-6Н
Кол-во
0
?
None
216279-П2
Шпилька
Кол-во
4
?
None
24-1001100
Ограничитель
Кол-во
1
?
None
24-1001038
Кронштейн правый
Кол-во
1
?
None
24-1001039
Кронштейн левый
Кол-во
1
?
None
252135-П2
Шайба 8Т ОСТ 37.001.115-75
Кол-во
4
?
В наличии
4 ₽
None
252136-П2
Шайба 10 ОТ ОСТ 37.001.115-75
Кол-во
10
?
None
51-2403042-Б
Втулка разжимная шпильки полуоси заднего моста
Кол-во
4
?
None
291792-П
Шпилька М10х1-4hх28
Кол-во
1
?
None
291785-П
Шпилька М10х1-4hх22
Кол-во
5
?
None
20-1001020-А
Подушка передней опоры двигателя в сборе
Кол-во
2
?
None
24-1001037
Ограничитель
Кол-во
1
?
None
24-1001014
Кронштейн передней опоры двигателя
Кол-во
2
?
None
250512-П29
Гайка М10-6Н ОСТ 37.001.124-93
Кол-во
4
?
В наличии
10 ₽
None
293300-П29
Шайба 10,5
Кол-во
1
?
None
250507-П29
Гайка М12х1,25-6Н
Кол-во
4
?
None
252137-П2
Шайба 12.ОТ ОСТ 37.001.115-75
Кол-во
0
?
Есть готовая заявка? Отправьте ее нам!
Если у вас уже есть список необходимых запчастей, загрузите файл с ним или укажите артикулы и названия запчастей в поле Комментарий, а также оставьте свои контактные данные. В течение рабочего дня мы оценим вашу заявку и отправим вам коммерческое предложение.
Отдел продаж

Если у вас уже есть готовая заявка на запасные части, то просто прикрепите файл с ней либо в поле «Комментарии» напишите артикулы и названия необходимых вам запчастей и оставьте контактные данные.

В течение рабочего дня мы выполним расчёт по вашей заявке и направим вам коммерческое предложение.

Только один файл.
Ограничение 128 МБ.
Допустимые типы: txt, rtf, pdf, doc, docx, odt, ppt, pptx, odp, xls, xlsx, ods.
пример: 89511234567 или +79511324567
Отправляя форму вы подтверждаете согласие с политикой обработки персональных данных.