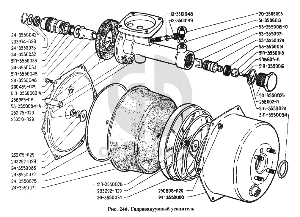
Гидровакуумный усилитель ГАЗ-24

None
258365-П8
Штифт
Кол-во
0
?
None
24-3550075
Диафрагма
Кол-во
0
?
None
12-3501048
Клапан
Кол-во
0
?
None
252175-П29
Шайба 8
Кол-во
0
?
None
293374-П29
Шайба 13,5
Кол-во
0
?
None
53-3550025
Пробка цилиндра гидровакуумного усилителя тормозов
Кол-во
0
?
None
24-3550033
Манжета уплотнительная
Кол-во
0
?
None
24-3550032
Корпус уплотнителей цилиндра гидровакуумного усилителя тормоза
Кол-во
0
?
None
51П-3550078
Кольцо уплотнительное гидровакуумного усилителя тормозов
Кол-во
0
?
None
51П-3550036
Кольцо уплотнительное
Кол-во
0
?
None
24-3550042
Кольцо стопорное
Кол-во
0
?
None
51П-3550024
Прокладка пробки
Кол-во
0
?
None
250608-П29
Гайка М6-6Н ОСТ 37.001.124-93
Кол-во
0
?
None
51-3506013
Прокладка
Кол-во
0
?
None
12-3501049
Колпачок перепускного клапана колесного цилиндра тормоза защитный
Кол-во
0
?
None
20-3506005
Штуцер
Кол-во
0
?
None
290489-П29
Болт
Кол-во
0
?
None
51П-3550018
Колпачок манжеты поршня
Кол-во
0
?
None
51П-3550034
Кольцо
Кол-во
0
?
None
24-3550080
Корпус
Кол-во
0
?
None
258002-П
Шплинт 1,4х16
Кол-во
0
?
None
508605-П
Шарик
Кол-во
0
?
None
51П-3550048
Шайба
Кол-во
0
?
None
293292-П29
Шайба 8,5
Кол-во
0
?
None
53-3550015-10
Цилиндр гидровакуумного усилителя тормозов
Кол-во
0
?
None
24-3550048
Упор
Кол-во
0
?
None
53-3550031
Толкатель клапана поршня цилиндра гидровакуумного усилителя тормозов
Кол-во
0
?
None
51П-3550060-А
Толкатель
Кол-во
0
?
None
51П-3550016
Пружина клапана поршня цилиндра
Кол-во
0
?
None
24-3550074
Пружина
Кол-во
0
?
None
53-3550084-А
Прокладка
Кол-во
0
?
None
24-3550072
Прижимной диск
Кол-во
0
?
None
53-3550029
Поршень
Кол-во
0
?
None
24-3550071
Поршень
Кол-во
0
?
None
53-3550051
Манжета (45331112)
Кол-во
0
?
None
24-3550086
Крышка
Кол-во
0
?
None
250510-П29
Гайка М8-6Н ОСТ 37.001.124-93
Кол-во
0
?
Есть готовая заявка? Отправьте ее нам!
Если у вас уже есть список необходимых запчастей, загрузите файл с ним или укажите артикулы и названия запчастей в поле Комментарий, а также оставьте свои контактные данные. В течение рабочего дня мы оценим вашу заявку и отправим вам коммерческое предложение.
Отдел продаж

Если у вас уже есть готовая заявка на запасные части, то просто прикрепите файл с ней либо в поле «Комментарии» напишите артикулы и названия необходимых вам запчастей и оставьте контактные данные.

В течение рабочего дня мы выполним расчёт по вашей заявке и направим вам коммерческое предложение.

Только один файл.
Ограничение 128 МБ.
Допустимые типы: txt, rtf, pdf, doc, docx, odt, ppt, pptx, odp, xls, xlsx, ods.
пример: 89511234567 или +79511324567
Отправляя форму вы подтверждаете согласие с политикой обработки персональных данных.