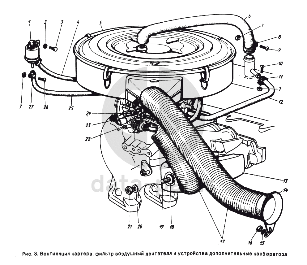
Вентиляция картера, фильтр воздушный двигателя и устройства дополнительного карбюратора ГАЗ-24-10

%
1
1902.3741000
Клапан электромагнитный
Кол-во
1
?
2
252174-П29
Шайба 2-6 ОСТ 37.001.145-75
Кол-во
1
?
3
201416-П29
Болт М6-6gх12 ОСТ 37.001.123-96
Кол-во
1
?
В наличии
5 ₽
4
24-10-1127038
Шланг резиновый
Кол-во
1
?
5
24-10-1109010
Фильтр воздушный
Кол-во
1
?
6
24-10-1014075
Шланг вентиляции
Кол-во
1
?
В наличии
130 ₽
7
251082-П29
Гайка М4-6Н ОСТ 37.001.112-91
Кол-во
4
?
8
24-1014210
Хомут
Кол-во
1
?
9
222476-П29
Винт М4-6gх20 ОСТ 37.001.128-96
Кол-во
1
?
10
220053-П29
Винт М4-6gх14
Кол-во
2
?
11
297403-П29
Хомут 14
Кол-во
2
?
12
4021.1014208
Шланг
Кол-во
1
?
13
3102-1109092
Экран подогрева воздуха в сборе
Кол-во
1
?
14
24-10-1109193
Патрубок воздухозаборный с держателем
Кол-во
1
?
15
252154-П29
Шайба 6Л ОСТ 37.001.115-75
Кол-во
1
?
16
250608-П29
Гайка М6-6Н ОСТ 37.001.124-93
Кол-во
1
?
17
3102-1109192
Шланг воздухопроводящий
Кол-во
2
?
18
252175-П29
Шайба 8
Кол-во
2
?
19
216232-П29
Шпилька М8х1-4hх16
Кол-во
2
?
20
252038-П29
Шайба 8 ОСТ 37.001.144-96
Кол-во
4
?
В наличии
2 ₽
21
250535-П
Гайка М8х1-6Н
Кол-во
2
?
22
220086-П29
Винт М5-6gх30 ОСТ 37.001.127-81
Кол-во
2
?
23
288018-П29
Хомут 58
Кол-во
2
?
24
251086-П29
Гайка М5-6Н ОСТ 37.001.112-91
Кол-во
2
?
25
24-10-1127037
Шланг управления пневмоустройством
Кол-во
1
?
26
220054-П29
Винт М4-6gх16
Кол-во
4
?
27
24-10-1127070
Хомут
Кол-во
1
?
Есть готовая заявка? Отправьте ее нам!
Если у вас уже есть список необходимых запчастей, загрузите файл с ним или укажите артикулы и названия запчастей в поле Комментарий, а также оставьте свои контактные данные. В течение рабочего дня мы оценим вашу заявку и отправим вам коммерческое предложение.
Отдел продаж

Если у вас уже есть готовая заявка на запасные части, то просто прикрепите файл с ней либо в поле «Комментарии» напишите артикулы и названия необходимых вам запчастей и оставьте контактные данные.

В течение рабочего дня мы выполним расчёт по вашей заявке и направим вам коммерческое предложение.

Только один файл.
Ограничение 128 МБ.
Допустимые типы: txt, rtf, pdf, doc, docx, odt, ppt, pptx, odp, xls, xlsx, ods.
пример: 89511234567 или +79511324567
Отправляя форму вы подтверждаете согласие с политикой обработки персональных данных.