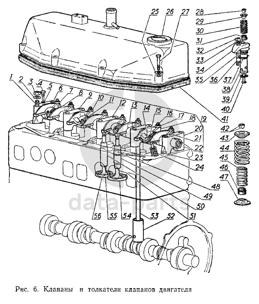
Клапаны и толкатели клапанов двигателя ГАЗ-3102

1
874335
Шпилька М8х1х58
Кол-во
10
?
2
252005-П
Шайба 8
Кол-во
10
?
3
250503-П
Гайка М8х1-6Н
Кол-во
10
?
4
4022.1007110
Фиксатор
Кол-во
2
?
5
252154-П2
Шайба 6Л ОСТ 37.001.115-75
Кол-во
2
?
6
4022.1007107
Стойка пятая
Кол-во
1
?
7
4022.1007142
Коромысло выпускного клапана с винтом регулировочным
Кол-во
4
?
8
4022.1007112
Коромысло впускного клапана с винтами регулировочными - правое
Кол-во
2
?
9
4022.1007105
Стойка вторая, четвертая
Кол-во
2
?
10
4022.1007113
Коромысло впускного клапана с винтами регулировочными - левое
Кол-во
2
?
11
21-1007161-Б
Пружина распорная коромысел
Кол-во
4
?
12
4022.1007106
Стойка третья
Кол-во
1
?
13
4022.1007114
Коромысло впускного клапана с втулкой - правое
Кол-во
2
?
14
250509-П
Гайка М6 х 0,75
Кол-во
4
?
15
4022.1007077
Винт регулировочный дополнительного клапана
Кол-во
4
?
16
66-1007075
Винт регулировочный
Кол-во
8
?
17
12-1007076
Гайка регулировочного винта
Кол-во
8
?
18
4022.1007115
Коромысло впускного клапана с втулкой - левое
Кол-во
2
?
19
4022.1007098
Ось с коромыслами и стойками в сборе
Кол-во
1
?
20
4022.1007108
Стойка первая
Кол-во
1
?
21
4022.1007144
Коромысло выпускного клапана с втулкой
Кол-во
4
?
22
4022.1007100
Ось в сборе
Кол-во
1
?
23
258624-П
Штифт 5х10
Кол-во
2
?
24
4022.1007260
Клапан дополнительный впускной
Кол-во
4
?
25
252004-П29
Шайба 6 ОСТ 37.001.144-96
Кол-во
8
?
26
4022.1007230
Крышка коромысел в сборе
Кол-во
1
?
27
201428-П29
Болт М6-6gх40 ОСТ 37.001.123-96
Кол-во
8
?
28
4022.1007292
Сухарь
Кол-во
8
?
29
4022.1007286
Тарелка
Кол-во
4
?
30
4022.1007284
Пружина
Кол-во
4
?
31
4022.1007293
Сальник дополнительного клапана с пружинами
Кол-во
4
?
32
250513-П
Гайка М10х1-4Н5Н
Кол-во
4
?
33
252176-П8
Шайба 10 пружинная
Кол-во
4
?
34
4022.1007289-0
Скоба
Кол-во
4
?
35
4022.1007279
Кольцо уплотнительное
Кол-во
4
?
36
291797-П
Шпилька М10х1х30
Кол-во
4
?
37
4022.1007277
Прокладка верхняя
Кол-во
4
?
38
4022.1007272
Корпус дополнительного впускного клапана
Кол-во
4
?
39
4022.1007276
Прокладка нижняя
Кол-во
4
?
40
4022.1007282
Клапан впускной дополнительный
Кол-во
4
?
41
4022.1007245
Прокладка
Кол-во
1
?
42
66-1007028
Сухарь клапана
Кол-во
16
?
под заказ
цена по запросу
43
24-1007025-11
Тарелка пружин клапанов
Кол-во
8
?
В наличии
145 ₽
44
24-1007020-10
Пружина наружная
Кол-во
8
?
45
24-1007021
Пружина клапана внутренняя
Кол-во
8
?
46
24-1007036
Колпачок в сборе
Кол-во
8
?
47
24-1007022
Шайба опорная пружин клапанов
Кол-во
8
?
48
13-1007034-Б
Кольцо стопорное
Кол-во
4
?
49
4022.1007033
Втулка направляющая впускного клапана
Кол-во
4
?
50
4022.1007038
Втулка направляющая выпускного клапана
Кол-во
4
?
под заказ
цена по запросу
51
4022.1007010-01
Клапан впускной
Кол-во
4
?
52
21-1007055-А4
Толкатель клапана в сборе
Кол-во
8
?
под заказ
цена по запросу
В наличии
345 ₽
В наличии
405 ₽
под заказ
цена по запросу
53
13-1007175
Штанга в сборе
Кол-во
8
?
54
4022.1007082
Седло вставное впускного клапана
Кол-во
4
?
55
4022.1007080
Седло вставное выпускного клапана
Кол-во
4
?
56
4022.1007015
Клапан выпускной
Кол-во
4
?
под заказ
цена по запросу
Есть готовая заявка? Отправьте ее нам!
Если у вас уже есть список необходимых запчастей, загрузите файл с ним или укажите артикулы и названия запчастей в поле Комментарий, а также оставьте свои контактные данные. В течение рабочего дня мы оценим вашу заявку и отправим вам коммерческое предложение.
Отдел продаж

Если у вас уже есть готовая заявка на запасные части, то просто прикрепите файл с ней либо в поле «Комментарии» напишите артикулы и названия необходимых вам запчастей и оставьте контактные данные.

В течение рабочего дня мы выполним расчёт по вашей заявке и направим вам коммерческое предложение.

Только один файл.
Ограничение 128 МБ.
Допустимые типы: txt, rtf, pdf, doc, docx, odt, ppt, pptx, odp, xls, xlsx, ods.
пример: 89511234567 или +79511324567
Отправляя форму вы подтверждаете согласие с политикой обработки персональных данных.