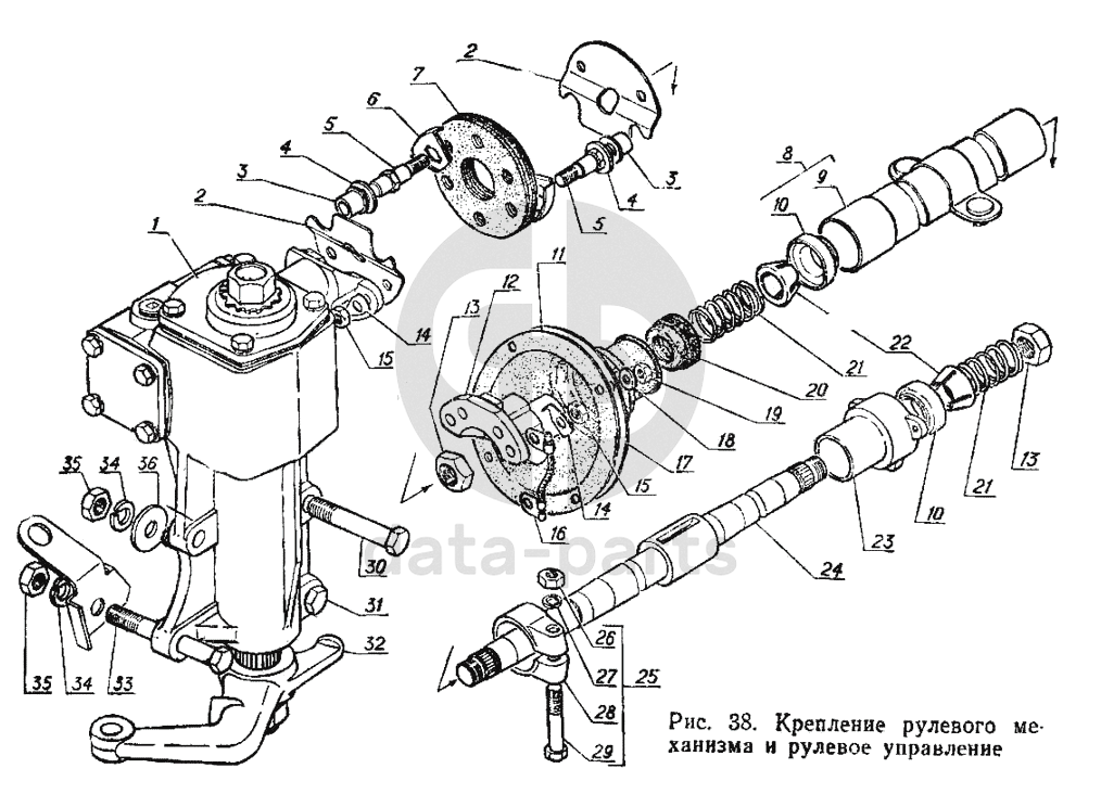
Крепление рулевого механизма и рулевое управление ГАЗ-3102

1
3102-3400014-10
Механизм рулевого управления в сборе
Кол-во
1
?
2
24-3401150
Пластина предохранительная
Кол-во
2
?
3
21-1108041-Б
Втулка валика акселератора
Кол-во
4
?
4
126-9302071
Шайба 10,5
Кол-во
4
?
5
13-3401155
Шпилька соединительной муфты
Кол-во
4
?
6
13-3401151
Усилитель муфты
Кол-во
4
?
7
13-3401142
Муфта соединительная
Кол-во
1
?
под заказ
цена по запросу
8
3102-3401100-10
Колонка рулевого управления с подшипником в сборе
Кол-во
1
?
9
3102-3401102-10
Колонка рулевого управления со скобой в сборе
Кол-во
1
?
10
636905
Подшипник (12-3401120) ГОСТ 520-89
Кол-во
2
?
11
3102-5301112
Уплотнитель рулевой колонки на щитке передка
Кол-во
1
?
12
24-3401140
Фланец соединительной муфты
Кол-во
2
?
13
250636-П29
Гайка М16х1,5-6Н ОСТ 37.001.124-93
Кол-во
3
?
14
24-3401154
Пластина стопорная
Кол-во
4
?
15
292735-П29
Гайка М8х1-4Н5Н
Кол-во
4
?
16
24-3401144
Провод к «массе»
Кол-во
1
?
17
3102-5301114
Держатель уплотнителя рулевой колонки
Кол-во
1
?
18
252004-П29
Шайба 6 ОСТ 37.001.144-96
Кол-во
4
?
19
250608-П29
Гайка М6-6Н ОСТ 37.001.124-93
Кол-во
4
?
20
3102-3401132
Колпачок защитный
Кол-во
1
?
21
12-3401130
Пружина
Кол-во
2
?
22
24-3401128-01
Кольцо разжимное
Кол-во
2
?
23
3102-3401104
Втулка
Кол-во
1
?
24
3102-3401032-10
Вал верхний с втулкой замка руля в сборе
Кол-во
1
?
25
М-3506
Хомут в сборе
Кол-во
1
?
26
250511-П29
Гайка М8х1-6Н ОСТ 37.001.124-93
Кол-во
1
?
27
252135-П29
Шайба 8Т
Кол-во
1
?
28
М-3507
Хомут колонки рулевого управления
Кол-во
1
?
29
201488-П29
Болт М8х1х50
Кол-во
1
?
30
200373-П29
Болт М12-6gх70
Кол-во
1
?
31
200384-П29
Болт М12-6gх130
Кол-во
1
?
32
24-3401090
Сошка рулевого управления
Кол-во
1
?
33
200378-П29
Болт М12-6gх95
Кол-во
2
?
34
252137-П29
Шайба 12
Кол-во
4
?
35
250514-П29
Гайка М12-6Н ОСТ 37.001.124-93
Кол-во
4
?
В наличии
16 ₽
под заказ
цена по запросу
36
252045-П29
Шайба 12 ОСТ 37.001.144-96
Кол-во
2
?
Есть готовая заявка? Отправьте ее нам!
Если у вас уже есть список необходимых запчастей, загрузите файл с ним или укажите артикулы и названия запчастей в поле Комментарий, а также оставьте свои контактные данные. В течение рабочего дня мы оценим вашу заявку и отправим вам коммерческое предложение.
Отдел продаж

Если у вас уже есть готовая заявка на запасные части, то просто прикрепите файл с ней либо в поле «Комментарии» напишите артикулы и названия необходимых вам запчастей и оставьте контактные данные.

В течение рабочего дня мы выполним расчёт по вашей заявке и направим вам коммерческое предложение.

Только один файл.
Ограничение 128 МБ.
Допустимые типы: txt, rtf, pdf, doc, docx, odt, ppt, pptx, odp, xls, xlsx, ods.
пример: 89511234567 или +79511324567
Отправляя форму вы подтверждаете согласие с политикой обработки персональных данных.