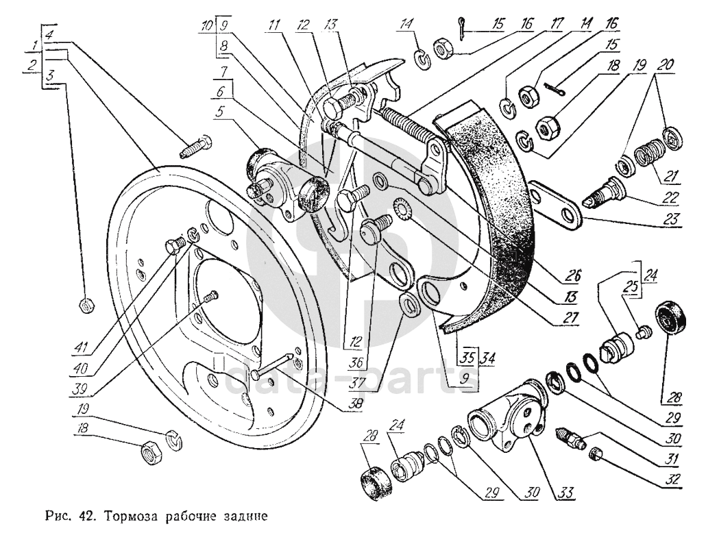
Тормоза рабочие задние ГАЗ-3102

1
24-3502012
Щит правый в сборе
Кол-во
1
?
2
24-3502013
Щит левый в сборе
Кол-во
1
?
3
250610-П29
Гайка М8-6Н ОСТ 37.001.124-93
Кол-во
4
?
4
290615-П29
Винт М8-6gх30
Кол-во
4
?
5
3102-3502040
Цилиндр в сборе
Кол-во
2
?
6
20-3508153-А
Рычаг приводной левый
Кол-во
1
?
7
20-3508152-А
Рычаг приводной правый
Кол-во
1
?
8
24-3501105-02
Накладка фрикционная короткая
Кол-во
2
?
9
24-3501095
Колодка тормоза
Кол-во
4
?
10
24-3501091
Колодка с фрикционной накладкой в сборе
Кол-во
2
?
11
20-3508161
Пружина
Кол-во
2
?
12
291491-П29
Болт М10х1-6hх25
Кол-во
2
?
В наличии
50 ₽
13
293363-П29
Шайба 13
Кол-во
2
?
14
252156-П8
Шайба 10Л
Кол-во
2
?
15
258024-П29
Шплинт 2,5х16 ОСТ 37.001.171-93
Кол-во
2
?
16
250613-П8
Гайка М10х1
Кол-во
2
?
17
12-3501035
Пружина стяжная колодок тормоза
Кол-во
2
?
18
250515-П8
Гайка М12х1,25
Кол-во
2
?
18
250515-П29
Гайка М12х1,25-6Н ОСТ 37.001.124-93
Кол-во
4
?
19
252137-П8
Шайба 12 пружинная
Кол-во
2
?
19
252137-П29
Шайба 12
Кол-во
4
?
20
М-2066-С
Чашка отжимной пружины колодок тормоза верхняя
Кол-во
8
?
21
М-2065-С
Пружина отжимная колодок тормоза
Кол-во
4
?
22
21Р-3502068
Палец опорный
Кол-во
4
?
23
20-3501030
Пластина опорного пальца
Кол-во
2
?
24
24-3501042-10
Поршень в сборе
Кол-во
4
?
25
24-3502044
Стержень упорный
Кол-во
4
?
26
12-3508156
Рычаг разжимной ручного привода тормоза с маятником в сборе
Кол-во
2
?
27
252193-П29
Шайба 12 ОСТ 37.001.146-75
Кол-во
2
?
28
24-3501058-10
Колпак защитный
Кол-во
4
?
29
24-3501051-10
Кольцо уплотнительное
Кол-во
8
?
30
24-3501057
Кольцо упорное
Кол-во
4
?
31
53-3501048
Клапан прокачки колесного цилиндра
Кол-во
2
?
32
12-3501049
Колпачок перепускного клапана колесного цилиндра тормоза защитный
Кол-во
2
?
33
3102-3502046
Цилиндр
Кол-во
2
?
34
24-3501090
Колодка и фрикционная накладка в сборе передняя
Кол-во
2
?
35
24-3501105-01
Накладка фрикционная длинная
Кол-во
2
?
36
12-3508164
Эксцентрик разжимного рычага в сборе
Кол-во
2
?
37
20-3501028
Эксцентрик опорного пальца колодок тормоза
Кол-во
4
?
38
М-2068-С
Стержень чашек
Кол-во
4
?
39
221577-П29
Винт М5-6gх10
Кол-во
4
?
40
252135-П29
Шайба 8Т
Кол-во
4
?
41
201452-П29
Болт М8-6gх12 ОСТ 37.001.123-96
Кол-во
4
?
Есть готовая заявка? Отправьте ее нам!
Если у вас уже есть список необходимых запчастей, загрузите файл с ним или укажите артикулы и названия запчастей в поле Комментарий, а также оставьте свои контактные данные. В течение рабочего дня мы оценим вашу заявку и отправим вам коммерческое предложение.
Отдел продаж

Если у вас уже есть готовая заявка на запасные части, то просто прикрепите файл с ней либо в поле «Комментарии» напишите артикулы и названия необходимых вам запчастей и оставьте контактные данные.

В течение рабочего дня мы выполним расчёт по вашей заявке и направим вам коммерческое предложение.

Только один файл.
Ограничение 128 МБ.
Допустимые типы: txt, rtf, pdf, doc, docx, odt, ppt, pptx, odp, xls, xlsx, ods.
пример: 89511234567 или +79511324567
Отправляя форму вы подтверждаете согласие с политикой обработки персональных данных.