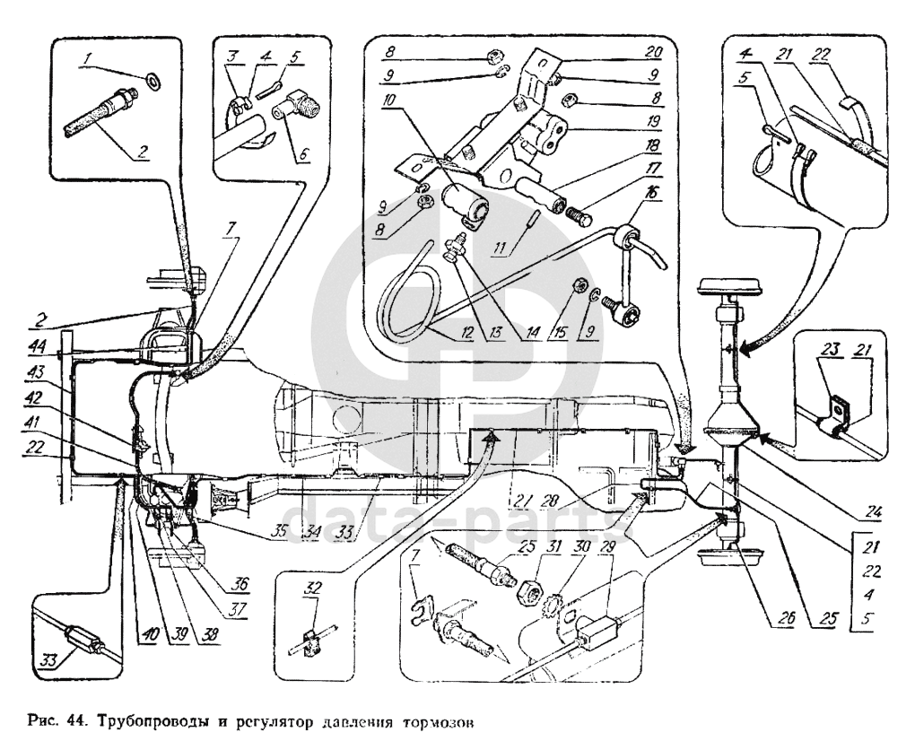
Трубопроводы и регулятор давления тормозов ГАЗ-3102

1
24-76-3506013
Прокладка крепления муфты шлангов задних тормозов
Кол-во
4
?
2
24-3506025
Шланг гибкий передних тормозов с наконечниками
Кол-во
4
?
3
297582-П29
Лента 10х180
Кол-во
2
?
4
297580-П29
Пряжка
Кол-во
2
?
5
297575-П29
Шплинт 5,6х22
Кол-во
2
?
6
66-02-4222017
Штуцер угловой
Кол-во
1
?
7
24-3506042
Скоба крепления шланга
Кол-во
5
?
8
250510-П29
Гайка М8-6Н ОСТ 37.001.124-93
Кол-во
4
?
9
252155-П29
Шайба пружинная 8
Кол-во
5
?
10
24-3535066
Рычаг нажимной регулятора давления
Кол-во
1
?
11
45 9841 1387
Штифт 6х25
Кол-во
1
?
12
24-3535074
Пружина нагрузочная
Кол-во
1
?
13
24-3535080
Болт регулировочный
Кол-во
1
?
14
250513-П29
Гайка М10х1-6Н
Кол-во
1
?
15
250511-П29
Гайка М8х1-6Н ОСТ 37.001.124-93
Кол-во
1
?
16
24-3535090
Стойка в сборе
Кол-во
1
?
17
290617-П29
Болт М8-6gх22
Кол-во
1
?
18
24-3535070
Ось нажимного рычага
Кол-во
1
?
19
24-3535010
Регулятор давления тормозов
Кол-во
1
?
20
24-3535100
Кронштейн переходный регулятора давления тормозов
Кол-во
1
?
21
20-3506046
Втулка защитная
Кол-во
29
?
22
297594-П29
Лента 10х580
Кол-во
2
?
23
69Ю-3506050
Хомут крепления трубки к заднему мосту
Кол-во
1
?
24
24-3506040-10
Трубопровод в сборе
Кол-во
1
?
25
24-3506025-10
Шланг гибкий тормозов заднего моста
Кол-во
1
?
26
24-3506035-10
Трубопровод в сборе
Кол-во
1
?
27
3102-3506030
Трубопровод в сборе
Кол-во
1
?
28
3102-3506440-10
Трубопровод в сборе
Кол-во
1
?
29
24-3506033
Тройник трубопровода
Кол-во
1
?
30
252154-П29
Шайба 6Л ОСТ 37.001.115-75
Кол-во
1
?
31
250508-П29
Гайка М6-6Н ОСТ 37.001.124-93
Кол-во
1
?
32
24-3506043
Скоба крепления трубопроводов
Кол-во
4
?
33
24-3506094
Муфта соединительная правая и левая гидропривода тормозов
Кол-во
3
?
34
31011-3506430
Трубопровод в сборе
Кол-во
1
?
35
3102-3506576
Трубопровод в сборе
Кол-во
1
?
36
3102-3506586-01
Трубопровод в сборе
Кол-во
1
?
37
3102-3506612
Трубопровод в сборе
Кол-во
1
?
38
3102-3506550-01
Трубопровод в сборе
Кол-во
1
?
39
3102-3506590
Трубопровод в сборе
Кол-во
1
?
40
3102-3506554
Трубопровод в сборе
Кол-во
1
?
41
24-3552054-10
Шланг вакуумного усилителя тормозов
Кол-во
1
?
42
297508-П29
Скоба 20
Кол-во
1
?
43
3102-3506562
Трубопровод в сборе
Кол-во
1
?
44
3102-3506602
Трубопровод в сборе
Кол-во
1
?
Есть готовая заявка? Отправьте ее нам!
Если у вас уже есть список необходимых запчастей, загрузите файл с ним или укажите артикулы и названия запчастей в поле Комментарий, а также оставьте свои контактные данные. В течение рабочего дня мы оценим вашу заявку и отправим вам коммерческое предложение.
Отдел продаж

Если у вас уже есть готовая заявка на запасные части, то просто прикрепите файл с ней либо в поле «Комментарии» напишите артикулы и названия необходимых вам запчастей и оставьте контактные данные.

В течение рабочего дня мы выполним расчёт по вашей заявке и направим вам коммерческое предложение.

Только один файл.
Ограничение 128 МБ.
Допустимые типы: txt, rtf, pdf, doc, docx, odt, ppt, pptx, odp, xls, xlsx, ods.
пример: 89511234567 или +79511324567
Отправляя форму вы подтверждаете согласие с политикой обработки персональных данных.