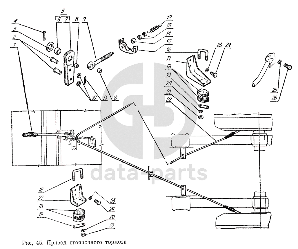
Привод стояночного тормоза ГАЗ-3102

1
3102-3508010
Рычаг привода стояночного тормоза в сборе
Кол-во
1
?
2
260034-П29
Палец 8х25
Кол-во
2
?
3
252016-П29
Шайба 14 ОСТ 37.001.144-96
Кол-во
1
?
4
258040-П29
Шплинт 3,2х25 ОСТ 37.001.171-93
Кол-во
1
?
5
3102-3508056
Рычаг уравнителя в сборе
Кол-во
1
?
6
41-1602036
Втулка рычага тяги уравнителя
Кол-во
1
?
7
3102-3508070
Рычаг привода уравнителя с усилителем в сборе
Кол-во
1
?
8
3102-3508134
Втулка оси тяги уравнителя троса привода стояночного тормоза
Кол-во
2
?
9
3102-3508098
Тяга уравнителя троса
Кол-во
1
?
10
252005-П29
Шайба 8 ОСТ 37.001.144-96
Кол-во
2
?
11
258038-П29
Шплинт 3,2х16 ОСТ 37.001.171-93
Кол-во
2
?
12
13-1108042
Пружина возвратная тяги уравнителя
Кол-во
1
?
13
250511-П29
Гайка М8х1-6Н ОСТ 37.001.124-93
Кол-во
2
?
14
3102-3508076
Втулка тяги уравнителя
Кол-во
1
?
15
3102-3508105
Уравнитель
Кол-во
1
?
16
24-3508216
Скоба
Кол-во
2
?
17
3102-3508213
Кронштейн крепления троса задний
Кол-во
2
?
18
24-3508215
Направляющая троса
Кол-во
4
?
19
24-3508214
Пластина
Кол-во
2
?
20
252133-П29
Шайба 5
Кол-во
4
?
21
250464-П29
Гайка М5-6Н ОСТ 37.001.124-93
Кол-во
4
?
22
3102-3508180
Трос в сборе
Кол-во
1
?
23
252134-П29
Шайба 6
Кол-во
4
?
24
201417-П29
Болт М6-6gх14 ОСТ 37.001.123-96
Кол-во
4
?
25
252135-П29
Шайба 8Т
Кол-во
4
?
26
201474-П29
Болт М8х1-6gх16
Кол-во
4
?
27
3102-3508188
Кронштейн крепления троса передний
Кол-во
2
?
Есть готовая заявка? Отправьте ее нам!
Если у вас уже есть список необходимых запчастей, загрузите файл с ним или укажите артикулы и названия запчастей в поле Комментарий, а также оставьте свои контактные данные. В течение рабочего дня мы оценим вашу заявку и отправим вам коммерческое предложение.
Отдел продаж

Если у вас уже есть готовая заявка на запасные части, то просто прикрепите файл с ней либо в поле «Комментарии» напишите артикулы и названия необходимых вам запчастей и оставьте контактные данные.

В течение рабочего дня мы выполним расчёт по вашей заявке и направим вам коммерческое предложение.

Только один файл.
Ограничение 128 МБ.
Допустимые типы: txt, rtf, pdf, doc, docx, odt, ppt, pptx, odp, xls, xlsx, ods.
пример: 89511234567 или +79511324567
Отправляя форму вы подтверждаете согласие с политикой обработки персональных данных.