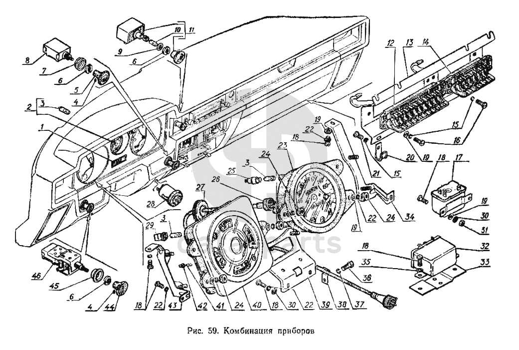
Комбинация приборов ГАЗ-3102

1
17.3803010
Табло контрольных ламп
Кол-во
1
?
2
АЧЖ-3
Часы автомобильные (4Ю28 17003ГЧ)
Кол-во
1
?
3
14-3713033
Лампа (АМН12-3)
Кол-во
2
?
4
290115-П29
Винт М3х4 ГОСТ 1477-84
Кол-во
1
?
5
3102-8126072-01
Ручка
Кол-во
1
?
6
53А-3726206
Гайка М12
Кол-во
1
?
7
14-8126074
Облицовка ручки
Кол-во
1
?
8
14-8126110
Переключатель П316
Кол-во
1
?
9
252177-П29
Шайба 2-12 ОСТ 37.001.145-75
Кол-во
1
?
10
А12-08-1
Лампа
Кол-во
1
?
11
53-70-3726200
Выключатель аварийной сигнализации ВК422-12-Э
Кол-во
1
?
12
14-3722227
Блок предохранителя для десяти плавких вставок ПР112
Кол-во
1
?
13
3102-3722240
Кронштейн
Кол-во
1
?
14
3102-3722228
Блок предохранителя для шести плавких вставок ПР120
Кол-во
1
?
15
252153-П29
Шайба 5
Кол-во
6
?
16
224601-П29
Винт М5-6gх18
Кол-во
4
?
17
3102-3743030
Реле включения противотуманных фар РС527
Кол-во
1
?
18
224597-П29
Винт М5-6gх10 ОСТ 37.001.130-81
Кол-во
2
?
19
252003-П29
Шайба 5 ОСТ 37.001.144-96
Кол-во
2
?
В наличии
3 ₽
20
51-3724093
Скоба крепления пучка проводов
Кол-во
1
?
21
224598-П29
Винт М5-6gх12 ОСТ 37.001.130-81
Кол-во
2
?
22
252133-П29
Шайба 5
Кол-во
5
?
23
14-3802010
Спидометр СП138Б-Э
Кол-во
1
?
24
14-3801076
Гайка М5
Кол-во
3
?
25
ЛВ211-329
Патрон (ЛВ211-3714329) со штекером
Кол-во
4
?
26
24-3802020-01
Вал гибкий спидометра ГВ20Д1-Э
Кол-во
1
?
27
20-1104091
Втулка уплотнительная
Кол-во
1
?
28
3102-3756054
Выключатель 2802.3710
Кол-во
1
?
29
КП 193-100
Патрон ламп
Кол-во
2
?
30
252268-П29
Шайба 5
Кол-во
1
?
31
250464-П29
Гайка М5-6Н ОСТ 37.001.124-93
Кол-во
2
?
32
14-3711360
Реле переключения фар РС711
Кол-во
1
?
33
3102-3711364
Кронштейн крепления реле фар в сборе
Кол-во
1
?
34
3102-3802038
Кронштейн правый в сборе
Кол-во
1
?
35
252233-П29
Шайба 2-5 ОСТ 37.001.146-75
Кол-во
4
?
36
201454-П29
Болт М8-6gх16 ОСТ 37.001.123-96
Кол-во
2
?
37
252155-П29
Шайба пружинная 8
Кол-во
1
?
38
297480-П29
Скоба крепления трубки
Кол-во
2
?
39
3102-3802039
Кронштейн левый в сборе
Кол-во
1
?
40
14-3801010
Комбинация приборов КП125-Э
Кол-во
1
?
41
А12-1,2
Лампа
Кол-во
7
?
В наличии
65 ₽
под заказ
цена по запросу
42
15-3801300
Патрон ламп
Кол-во
7
?
43
3102-3801039
Кронштейн левый в сборе
Кол-во
1
?
44
3102-3709051
Ручка переключателя освещения в сборе
Кол-во
1
?
В наличии
45 ₽
45
14-3726208
Облицовка ручки выключателя аварийной сигнализации
Кол-во
1
?
46
41.3709.000
Переключатель центральный
Кол-во
1
?
Есть готовая заявка? Отправьте ее нам!
Если у вас уже есть список необходимых запчастей, загрузите файл с ним или укажите артикулы и названия запчастей в поле Комментарий, а также оставьте свои контактные данные. В течение рабочего дня мы оценим вашу заявку и отправим вам коммерческое предложение.
Отдел продаж

Если у вас уже есть готовая заявка на запасные части, то просто прикрепите файл с ней либо в поле «Комментарии» напишите артикулы и названия необходимых вам запчастей и оставьте контактные данные.

В течение рабочего дня мы выполним расчёт по вашей заявке и направим вам коммерческое предложение.

Только один файл.
Ограничение 128 МБ.
Допустимые типы: txt, rtf, pdf, doc, docx, odt, ppt, pptx, odp, xls, xlsx, ods.
пример: 89511234567 или +79511324567
Отправляя форму вы подтверждаете согласие с политикой обработки персональных данных.