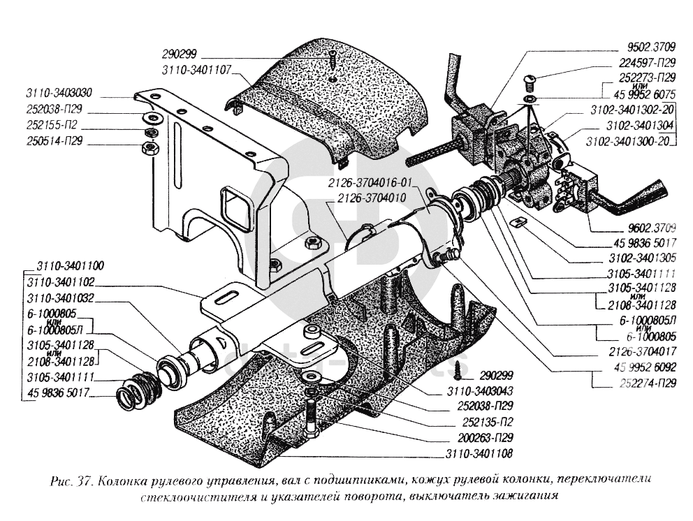
Колонка рулевого управления, вал с подшипниками, кожух рулевой колонки, переключатели стеклоочистителя и указателей поворота, выключатель зажигания ГУР 3110 и 3102

None
252135-П29
Шайба 8Т
Кол-во
0
?
None
3110-3403030
Кронштейн крепления рулевой колонки
Кол-во
0
?
None
3102-3401304
Кольцо контактное
Кол-во
0
?
None
3110-3401102
Колонка рулевого управления
Кол-во
0
?
None
3110-3401108
Кожух рулевой колонки нижняя часть
Кол-во
0
?
None
3110-3401107
Кожух рулевой колонки верхняя часть
Кол-во
0
?
None
3110-3401032
Вал рулевого управления с втулкой
Кол-во
0
?
None
224597-П29
Винт М5-6gх10 ОСТ 37.001.130-81
Кол-во
0
?
None
К-9617
Шайба облицовочная 6,5
Кол-во
0
?
None
252274-П29
Шайба 6 ОСТ 37.001.146-75
Кол-во
0
?
None
252273-П29
Шайба 5 ОСТ 37.001.146-75
Кол-во
0
?
None
2126-3704016-01
Скоба
Кол-во
0
?
None
2126-3704017
Болт М6 рулевого управления
Кол-во
0
?
None
252155-П2
Шайба 8Л ОСТ 37.001.115-75
Кол-во
0
?
None
290299
Винт 4х18
Кол-во
0
?
None
3102-3401302-20
Основание переключателя указателей поворота
Кол-во
0
?
None
3102-3401300-20
Основание переключателя с контактным кольцом в сборе
Кол-во
0
?
None
252038-П29
Шайба 8 ОСТ 37.001.144-96
Кол-во
0
?
В наличии
2 ₽
None
3102-3401305
Гайка
Кол-во
0
?
None
3110-3403043
Втулка
Кол-во
0
?
None
45 9836 5017
Кольцо А22
Кол-во
0
?
None
6-1000805Л
Подшипник вала рулевой колонки
Кол-во
0
?
None
6-1000805
Подшипник вала рулевой колонки
Кол-во
0
?
под заказ
цена по запросу
None
2108-3401128
Втулка подшипника вала
Кол-во
0
?
None
9602.3709
Переключатель указателей поворота
Кол-во
0
?
None
9502.3709
Переключатель стеклоочистителя (9502.3709000)
Кол-во
0
?
None
2126-3704010
Выключатель зажигания
Кол-во
0
?
None
250514-П29
Гайка М12-6Н ОСТ 37.001.124-93
Кол-во
0
?
В наличии
16 ₽
под заказ
цена по запросу
None
3105-3401128
Втулка подшипника вала
Кол-во
0
?
None
3110-3401100
Колонка рулевого управления в сборе
Кол-во
0
?
None
3105-3401111
Шайба
Кол-во
0
?
None
200263-П29
Болт М8-6gх35 ОСТ 37.001.122-96
Кол-во
0
?
Есть готовая заявка? Отправьте ее нам!
Если у вас уже есть список необходимых запчастей, загрузите файл с ним или укажите артикулы и названия запчастей в поле Комментарий, а также оставьте свои контактные данные. В течение рабочего дня мы оценим вашу заявку и отправим вам коммерческое предложение.
Отдел продаж

Если у вас уже есть готовая заявка на запасные части, то просто прикрепите файл с ней либо в поле «Комментарии» напишите артикулы и названия необходимых вам запчастей и оставьте контактные данные.

В течение рабочего дня мы выполним расчёт по вашей заявке и направим вам коммерческое предложение.

Только один файл.
Ограничение 128 МБ.
Допустимые типы: txt, rtf, pdf, doc, docx, odt, ppt, pptx, odp, xls, xlsx, ods.
пример: 89511234567 или +79511324567
Отправляя форму вы подтверждаете согласие с политикой обработки персональных данных.