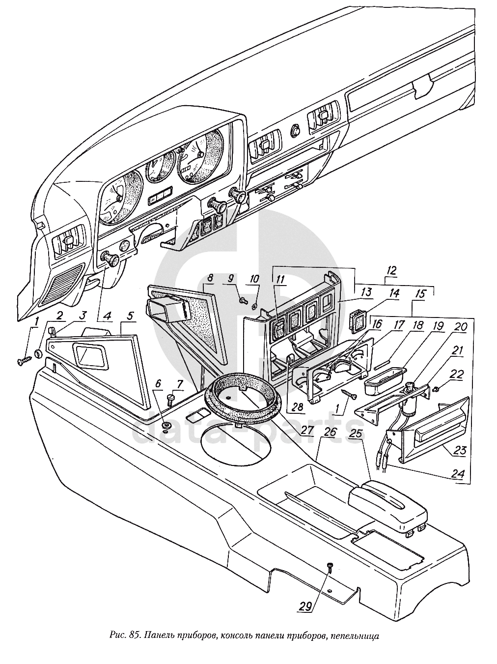
Панель приборов, консоль панели приборов, пепельница ГАЗ-31029

1
290303
Винт 4х30
Кол-во
2
?
2
293157
Шайба 4
Кол-во
2
?
3
3102-5303320
Гайка специальная
Кол-во
2
?
4
31029-5325010
Панель с приборами
Кол-во
1
?
5
3102-5326021
Боковина консоли левая с патрубком
Кол-во
1
?
6
252037-П29
Шайба 6 ОСТ 37.001.144-96
Кол-во
2
?
7
224624-П29
Винт М6-6gх14 ОСТ 37.001.130-81
Кол-во
2
?
8
3102-5326020
Боковина консоли правая с патрубком
Кол-во
1
?
9
240818-П29
Винт 4х12 ОСТ 37.001.188-81
Кол-во
2
?
10
252272-П29
Шайба 4
Кол-во
2
?
11
П150-05.20
Переключатель антенны
Кол-во
1
?
12
24-10-5326054
Надставка консоли передняя в сборе
Кол-во
1
?
13
3102-5326056
Надставка консоли передняя
Кол-во
1
?
14
3102-5326070
Заглушка
Кол-во
3
?
15
3102-8203006
Пепельница передняя в сборе
Кол-во
1
?
16
3102-8203030
Направляющая
Кол-во
2
?
17
3102-8203046
Обойма
Кол-во
1
?
18
258604-П29
Штифт 3х25
Кол-во
2
?
19
3102-8203010
Коробка в сборе
Кол-во
1
?
20
ПТ10-01
Прикуриватель
Кол-во
1
?
21
3102-8203026
Облицовка
Кол-во
1
?
22
255683-П21
Заклепка 3х6
Кол-во
4
?
23
3102-8203028
Корпус
Кол-во
1
?
24
14-3711082
Трубка защитная штекерного разъема фары
Кол-во
2
?
25
3102-5326074
Надставка консоли задняя
Кол-во
1
?
под заказ
цена по запросу
26
3102-5326028
Консоль панели приборов
Кол-во
1
?
27
3102-5326052
Надставка консоли
Кол-во
1
?
28
292665
Гайка 4
Кол-во
1
?
29
241819-П29
Винт 4х16
Кол-во
2
?
Есть готовая заявка? Отправьте ее нам!
Если у вас уже есть список необходимых запчастей, загрузите файл с ним или укажите артикулы и названия запчастей в поле Комментарий, а также оставьте свои контактные данные. В течение рабочего дня мы оценим вашу заявку и отправим вам коммерческое предложение.
Отдел продаж

Если у вас уже есть готовая заявка на запасные части, то просто прикрепите файл с ней либо в поле «Комментарии» напишите артикулы и названия необходимых вам запчастей и оставьте контактные данные.

В течение рабочего дня мы выполним расчёт по вашей заявке и направим вам коммерческое предложение.

Только один файл.
Ограничение 128 МБ.
Допустимые типы: txt, rtf, pdf, doc, docx, odt, ppt, pptx, odp, xls, xlsx, ods.
пример: 89511234567 или +79511324567
Отправляя форму вы подтверждаете согласие с политикой обработки персональных данных.