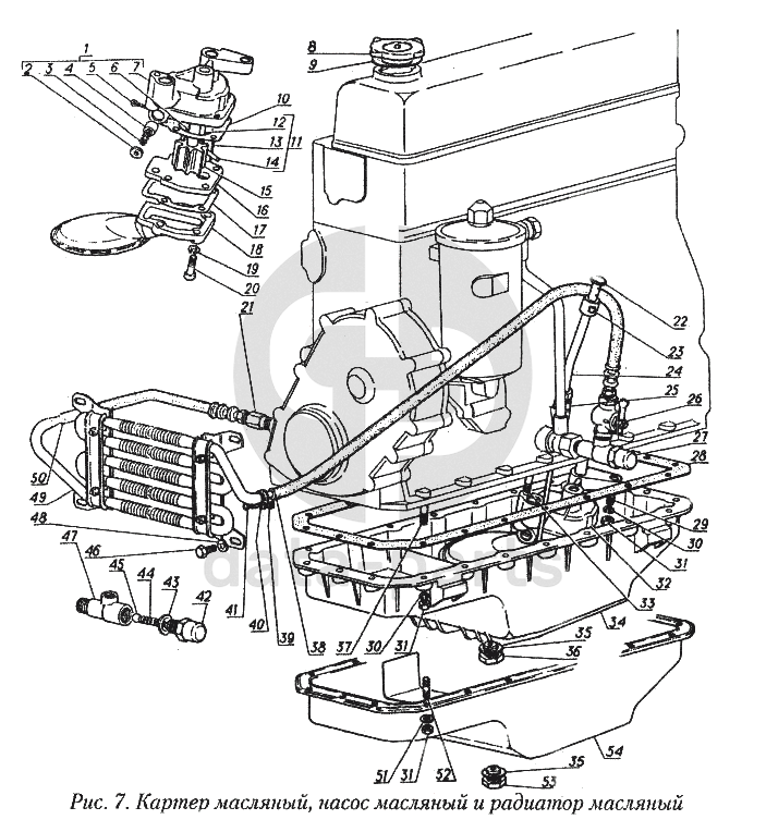
Картер масляный, насос масляный и радиатор масляный ГАЗ-31029

1
24-1011015-20
Корпус масляного насоса с осью в сборе
Кол-во
1
?
2
293171-П2
Шайба 5
Кол-во
1
?
3
21-1011058-Б
Пружина редукционного клапана
Кол-во
1
?
4
24-1011062
Плунжер редукционного клапана
Кол-во
1
?
5
258040-П
Шплинт 2,7х25
Кол-во
1
?
6
53-11-1011025
Ось ведомой шестерни
Кол-во
1
?
7
24-1011020-10
Корпус масляного насоса
Кол-во
1
?
8
24-1009153
Крышка маслоналивного патрубка в сборе
Кол-во
1
?
10
24-1011065-10
Прокладка крышки
Кол-во
1
?
11
24-1011040-30
Валик масляного насоса с ведущей шестерней
Кол-во
1
?
12
24-1011042-31
Валик масляного насоса и привода распределителя
Кол-во
1
?
13
13-1011032-А
Шестерня масляного насоса ведомая
Кол-во
1
?
14
258937-П
Штифт 4х22
Кол-во
1
?
15
13-1011032-А
Шестерня масляного насоса ведомая
Кол-во
1
?
16
24-1011052-30
Крышка масляного насоса
Кол-во
1
?
17
24-1011070-10
Прокладка приемного патрубка
Кол-во
0
?
18
24-1010054-01
Патрубок приемный масляного насоса с сеткой
Кол-во
1
?
19
252135-П2
Шайба 8Т ОСТ 37.001.115-75
Кол-во
4
?
В наличии
4 ₽
20
200263-П8
Болт М8-6gх35
Кол-во
4
?
21
298339-П29
Штуцер КГ 1/4"
Кол-во
1
?
22
4022.1009050-11
Указатель уровня масла в сборе
Кол-во
1
?
23
53-11-1009056-11
Уплотнитель
Кол-во
1
?
24
4022.1009046-10
Трубка указателя уровня масла в сборе
Кол-во
1
?
25
24-1009041-01
Штуцер трубки указателя уровня масла
Кол-во
1
?
26
Г-51-1013140-02
Краник ПП6-1
Кол-во
1
?
27
63-1013095
Клапан масляного радиатора в сборе
Кол-во
1
?
29
291751-П2
Шпилька М8х1-4hх30
Кол-во
1
?
30
252155-П2
Шайба 8Л ОСТ 37.001.115-75
Кол-во
21
?
31
250511-П8
Гайка М8х1
Кол-во
21
?
В наличии
10 ₽
32
24-1011009-01
Насос масляный с маслоприемником
Кол-во
1
?
33
874368-П2
Шпилька М8х1-4hх60
Кол-во
1
?
34
402.1009010
Картер масляный с пробкой и шайбой в сборе
Кол-во
1
?
35
53-11-1009034
Шайба 18
Кол-во
1
?
37
291750-П2
Шпилька М8х1-4hх25
Кол-во
21
?
38
40ПЮ-1023100-01
Шланг впускной в сборе
Кол-во
1
?
39
251082-П29
Гайка М4-6Н ОСТ 37.001.112-91
Кол-во
2
?
40
297403-П29
Хомут 14
Кол-во
2
?
41
222476-П29
Винт М4-6gх20 ОСТ 37.001.128-96
Кол-во
2
?
42
296499-П29
Пробка М18х1,5х12
Кол-во
1
?
43
297248-П
Прокладка диаметром 18 пробки в сборе
Кол-во
1
?
44
202-6092
Пружина перепускного клапана масляного радиатора
Кол-во
1
?
45
353087-5
Шарик ГОСТ 3722-81 Б11,906-60
Кол-во
1
?
46
201452-П29
Болт М8-6gх12 ОСТ 37.001.123-96
Кол-во
4
?
47
63-1013097
Корпус клапана масляного радиатора
Кол-во
1
?
48
293270-П29
Шайба 8,2
Кол-во
4
?
49
52-01-1013010-02
Радиатор масляный в сборе
Кол-во
1
?
50
62Ю-1013100-01
Шланг выпускной в сборе
Кол-во
1
?
51
293259-П8
Шайба 8
Кол-во
21
?
52
291732-П2
Шпилька М8х1-4hх14
Кол-во
21
?
53
296494-П8
Пробка М18х1,5х12
Кол-во
1
?
54
24-1009010-20
Картер масляный в сборе
Кол-во
1
?
Есть готовая заявка? Отправьте ее нам!
Если у вас уже есть список необходимых запчастей, загрузите файл с ним или укажите артикулы и названия запчастей в поле Комментарий, а также оставьте свои контактные данные. В течение рабочего дня мы оценим вашу заявку и отправим вам коммерческое предложение.
Отдел продаж

Если у вас уже есть готовая заявка на запасные части, то просто прикрепите файл с ней либо в поле «Комментарии» напишите артикулы и названия необходимых вам запчастей и оставьте контактные данные.

В течение рабочего дня мы выполним расчёт по вашей заявке и направим вам коммерческое предложение.

Только один файл.
Ограничение 128 МБ.
Допустимые типы: txt, rtf, pdf, doc, docx, odt, ppt, pptx, odp, xls, xlsx, ods.
пример: 89511234567 или +79511324567
Отправляя форму вы подтверждаете согласие с политикой обработки персональных данных.