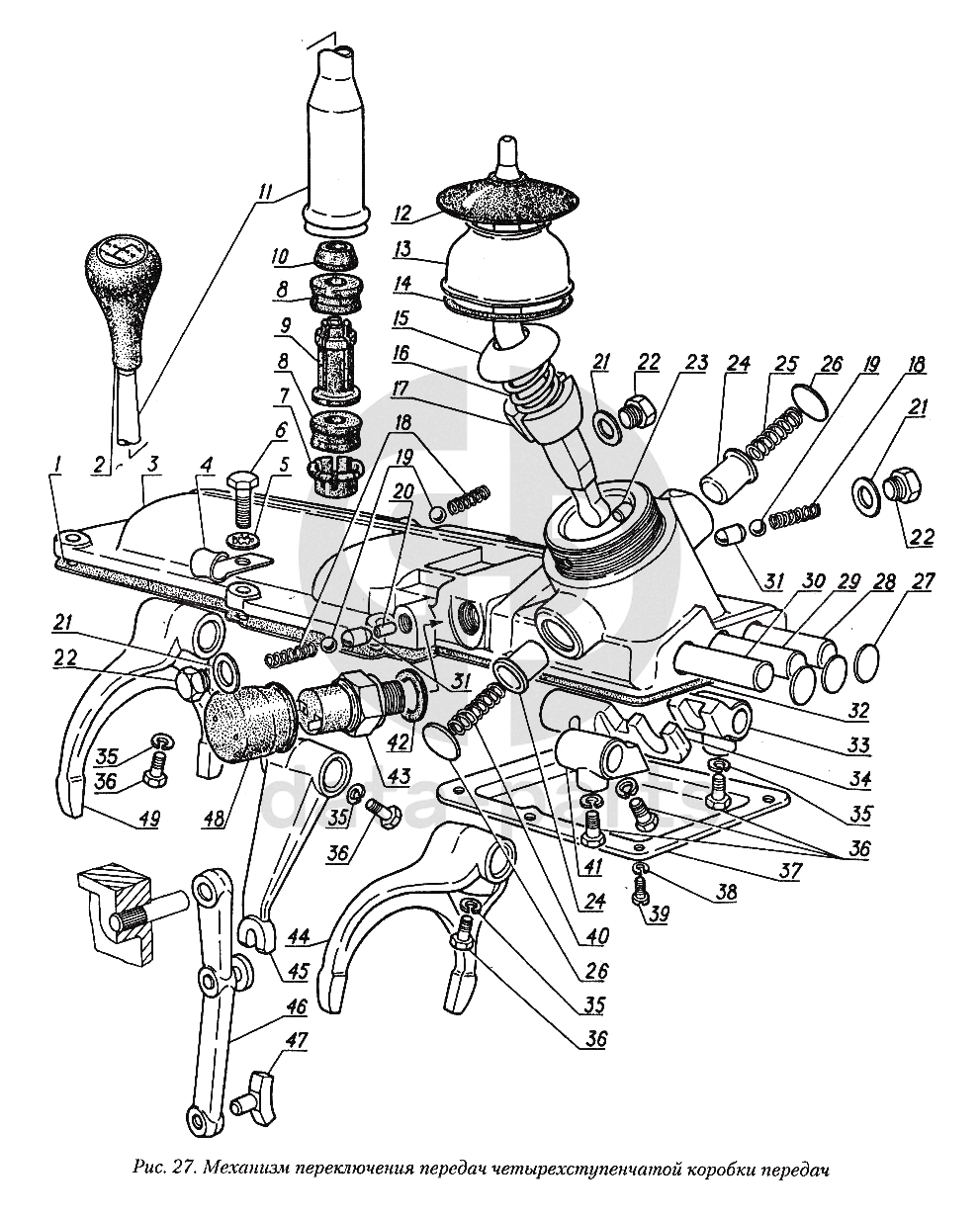
Механизм переключения передач четырехступенчатой коробки передач ГАЗ-31029

1
24-1702014
Прокладка механизма переключения передач
Кол-во
1
?
2
3102-1702159
Рукоятка рычага переключения передач
Кол-во
1
?
3
24-1702015-01
Крышка коробки передач
Кол-во
1
?
4
24-3724093
Скоба
Кол-во
1
?
5
252175-П29
Шайба 8
Кол-во
6
?
6
201458-П29
Болт М8-6gх25 ОСТ 37.001.123-96
Кол-во
6
?
В наличии
10 ₽
7
24-1702150
Втулка запорная
Кол-во
1
?
8
24-1702148
Подушка рычага
Кол-во
2
?
9
24-1702146
Втулка распорная
Кол-во
1
?
10
24-1702144-01
Конус упорный рычага
Кол-во
1
?
11
24-1702142
Верхняя часть рычага переключения передач
Кол-во
1
?
12
24-1702128
Уплотнитель верхней крышки
Кол-во
1
?
13
24-1702126
Колпак корпуса рычага
Кол-во
1
?
14
11-7207
Прокладка колпака
Кол-во
1
?
15
24-1702124
Седло пружины рычага переключения передач
Кол-во
1
?
16
24-1702122
Пружина рычага переключения передач
Кол-во
1
?
17
24-1702140
Рычаг переключения передач - нижняя часть
Кол-во
1
?
18
24-1702106
Пружина фиксатора передач
Кол-во
3
?
19
Б7,938-40
Шарик
Кол-во
3
?
20
24-1702075
Стопорный палец штока включения третьей и четвертой передач
Кол-во
1
?
21
51-3506013
Прокладка
Кол-во
3
?
22
24-3546030
Пробка М12х1,25х10
Кол-во
3
?
23
295033-П
Штифт 6х14 установочный
Кол-во
2
?
24
52-1702097
Предохранитель включений первой и второй передач и заднего хода
Кол-во
2
?
25
24-1702100
Пружина предохранителя первой и второй передач
Кол-во
1
?
26
260307-П
Заглушка 20
Кол-во
2
?
27
260305-П
Заглушка 16 ОСТ 37.001.173-82
Кол-во
3
?
28
24-1702040-11
Шток включения первой и второй передач
Кол-во
1
?
29
24-1702041-11
Шток включения третьей и четвертой передач
Кол-во
1
?
30
24-1702042-10
Шток включения заднего хода
Кол-во
1
?
31
24-1702080
Плунжер стопорный штоков включения передач
Кол-во
2
?
32
24-1702134
Прокладка поддона
Кол-во
1
?
33
24-1702054-10
Головка штока включения первой и второй передач
Кол-во
1
?
34
24-1702052-11
Головка штока включения третьей и четвертой передач
Кол-во
1
?
35
252134-П2
Шайба 6Т ОСТ 37.001.115-75
Кол-во
6
?
36
290517-П8
Болт М6-6gх20
Кол-во
6
?
37
24-1702133-10
Поддон крышки
Кол-во
1
?
38
252154-П2
Шайба 6Л ОСТ 37.001.115-75
Кол-во
6
?
39
224624-П8
Винт М6-6gх14
Кол-во
6
?
40
24-1702098
Пружина предохранителя включения заднего хода
Кол-во
1
?
41
24-1702095-10
Головка штока включения заднего хода
Кол-во
1
?
42
21П-3716078-Б
Прокладка выключателя света заднего хода
Кол-во
1
?
43
ВК418А-3716000
Выключатель света фонаря заднего хода ВК418А
Кол-во
1
?
44
24-1702024-10
Вилка включения первой и второй передач
Кол-во
1
?
45
24-1702092-10
Вилка включения заднего хода
Кол-во
1
?
46
24-1702102
Рычаг включения заднего хода в сборе
Кол-во
1
?
47
24-1702104
Сухарь рычага включения заднего хода
Кол-во
1
?
48
21П-3716083
Чехол защитный
Кол-во
1
?
49
24-1702030-10
Вилка включения третьей и четвертой передач
Кол-во
1
?
Есть готовая заявка? Отправьте ее нам!
Если у вас уже есть список необходимых запчастей, загрузите файл с ним или укажите артикулы и названия запчастей в поле Комментарий, а также оставьте свои контактные данные. В течение рабочего дня мы оценим вашу заявку и отправим вам коммерческое предложение.
Отдел продаж

Если у вас уже есть готовая заявка на запасные части, то просто прикрепите файл с ней либо в поле «Комментарии» напишите артикулы и названия необходимых вам запчастей и оставьте контактные данные.

В течение рабочего дня мы выполним расчёт по вашей заявке и направим вам коммерческое предложение.

Только один файл.
Ограничение 128 МБ.
Допустимые типы: txt, rtf, pdf, doc, docx, odt, ppt, pptx, odp, xls, xlsx, ods.
пример: 89511234567 или +79511324567
Отправляя форму вы подтверждаете согласие с политикой обработки персональных данных.