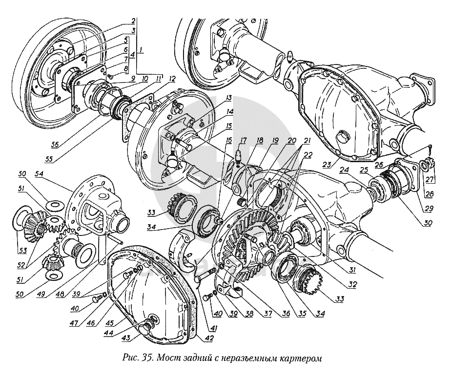
Мост задний с неразъемным картером (для автомобилей с передними дисковыми тормозами) ГАЗ-31029

1
3102-2403069-20
Полуось в сборе
Кол-во
2
?
2
3102-2403070-01
Полуось
Кол-во
2
?
3
21-2403025
Втулка наружного уплотнения полуоси
Кол-во
2
?
4
24-2403100
Корпус наружного уплотнения подшипника полуоси в сборе
Кол-во
2
?
5
24-2403102
Корпус наружного уплотнения подшипника полуоси в сборе
Кол-во
2
?
6
12-2403107
Набивка сальника
Кол-во
2
?
7
24-2403086
Пластина
Кол-во
2
?
8
221577-П29
Винт М5-6gх10
Кол-во
4
?
9
24-2403112
Прокладка
Кол-во
2
?
10
6-308УШ
Подшипник полуоси
Кол-во
2
?
11
3102-2403084
Кольцо зажимное
Кол-во
2
?
12
24-2403087
Прокладка
Кол-во
2
?
13
252157-П2
Шайба 12Л ОСТ 37.001.115-75
Кол-во
8
?
14
290862-П8
Болт М12х1,25-6gх45
Кол-во
8
?
15
20-2400020
Масленка в сборе
Кол-во
2
?
16
292759-П
Гайка 9 стопорная
Кол-во
10
?
17
298430-П
Сапун в сборе
Кол-во
1
?
В наличии
160 ₽
В наличии
130 ₽
18
292758-П
Гайка СпМ10х1
Кол-во
10
?
В наличии
25 ₽
19
296576-П29
Пробка КГ1/2"
Кол-во
1
?
20
24-2403011
Дифференциал с ведомой шестерней в сборе
Кол-во
1
?
21
3102-2403026
Крышка подшипников дифференциала
Кол-во
2
?
22
3102-2402020-10
Шестерни главной передачи
Кол-во
1
?
23
31029-2400012
Мост задний с тормозами в сборе
Кол-во
1
?
24
3102-2402170
Кольцо распорное
Кол-во
1
?
25
3102-2402025
Подшипник передний 6-7606К2Ш
Кол-во
1
?
26
258053-П
Шплинт 4х25
Кол-во
1
?
27
292917-П
Гайка М20х1,5-5Н6Н
Кол-во
1
?
28
20-2402064-Б
Шайба 21
Кол-во
1
?
В наличии
180 ₽
29
3102-2402138
Фланец ведущей шестерни
Кол-во
1
?
под заказ
цена по запросу
В наличии
855 ₽
В наличии
850 ₽
В наличии
1 620 ₽
30
12-2402052-23
Манжета ведущей шестерни в сборе
Кол-во
1
?
31
6-7607АУШ
Подшипник задний (3102-2402041-10)
Кол-во
1
?
32
24-2402046
Кольцо регулировочное толщиной 1,55 мм
Кол-во
1
?
33
3102-2403040
Гайка подшипников дифференциала
Кол-во
2
?
34
6У-7510АШ
Подшипник дифференциала моста (3302-3104020)
Кол-во
2
?
35
24-2403034
Болт Сп М10х1х28
Кол-во
10
?
36
252137-П2
Шайба 12.ОТ ОСТ 37.001.115-75
Кол-во
4
?
37
291559-П
Болт М12-6gх50
Кол-во
4
?
38
3102-2403044
Пластина стопорная
Кол-во
2
?
39
252135-П2
Шайба 8Т ОСТ 37.001.115-75
Кол-во
10
?
В наличии
4 ₽
40
201454-П8
Болт М8-6gх16
Кол-во
9
?
41
258287-П
Шплинт 1,6х325
Кол-во
2
?
42
3102-2402040
Прокладка
Кол-во
2
?
43
296507-П8
Пробка М22х1,5х10
Кол-во
1
?
44
297282-П
Прокладка диаметром 22 пробки в сборе
Кол-во
1
?
45
3102-2401013-10
Крышка картера в сборе
Кол-во
1
?
46
12-3506052
Втулка
Кол-во
1
?
47
201460-П8
Болт М8-6gх30
Кол-во
1
?
48
295047-П
Стопор оси сателлитов дифференциала заднего моста
Кол-во
1
?
49
24-2403060
Ось сателлитов
Кол-во
1
?
50
12-2403058-А2
Шайба опорная сателлита
Кол-во
2
?
51
24-2403055-10
Сателлит дифференциала
Кол-во
2
?
52
24-2403050-10
Шестерня полуоси заднего моста
Кол-во
2
?
53
12-2403030-А
Шайба опорная
Кол-во
2
?
54
24-2403018
Коробка дифференциала
Кол-во
1
?
55
12-2401060-Б
Сальник внутренний подшипника полуоси заднего моста с пружиной в сборе
Кол-во
2
?
В наличии
100 ₽
56
12-2403082
Прокладка пружинная подшипника полуоси заднего моста
Кол-во
1
?
Есть готовая заявка? Отправьте ее нам!
Если у вас уже есть список необходимых запчастей, загрузите файл с ним или укажите артикулы и названия запчастей в поле Комментарий, а также оставьте свои контактные данные. В течение рабочего дня мы оценим вашу заявку и отправим вам коммерческое предложение.
Отдел продаж

Если у вас уже есть готовая заявка на запасные части, то просто прикрепите файл с ней либо в поле «Комментарии» напишите артикулы и названия необходимых вам запчастей и оставьте контактные данные.

В течение рабочего дня мы выполним расчёт по вашей заявке и направим вам коммерческое предложение.

Только один файл.
Ограничение 128 МБ.
Допустимые типы: txt, rtf, pdf, doc, docx, odt, ppt, pptx, odp, xls, xlsx, ods.
пример: 89511234567 или +79511324567
Отправляя форму вы подтверждаете согласие с политикой обработки персональных данных.