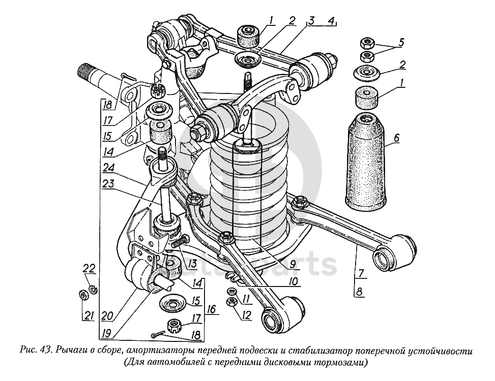
Рычаги в сборе, амортизаторы передней подвески и стабилизатор поперечной устойчивости (для автомобилей с передними дисковыми тормозами) ГАЗ-31029

%
1
21-2905460
Подушка крепления амортизаторов
Кол-во
4
?
2
21-2905544
Чашка подушки
Кол-во
4
?
3
3102-2904101
Рычаги верхние левые в сборе
Кол-во
1
?
4
3102-2904100
Рычаги верхние правые в сборе
Кол-во
1
?
5
250513-П
Гайка М10х1-4Н5Н
Кол-во
4
?
6
21-2905681
Кожух переднего амортизатора
Кол-во
2
?
7
3102-2904011
Рычаги нижние с чашкой левые
Кол-во
1
?
8
3102-2904010
Рычаги нижние с чашкой правые
Кол-во
1
?
9
3102-2905004-10
Амортизатор передней подвески с шарниром в сборе
Кол-во
2
?
10
24-2905448
Шарнир амортизатора передней подвески в сборе
Кол-во
0
?
под заказ
цена по запросу
11
252175-П29
Шайба 8
Кол-во
4
?
12
250510-П8
Гайка М8х1,25
Кол-во
4
?
13
201478-П29
Болт М8х1-6gх25
Кол-во
4
?
14
24-2906078
Подушка верхнего конца стойки стабилизатора
Кол-во
8
?
15
11-18077
Чашка подушки стойки стабилизатора
Кол-во
8
?
под заказ
цена по запросу
16
24-2906014
Штанга стабилизатора поперечной устойчивости передней подвески в сборе
Кол-во
1
?
17
292816-П29
Гайка М12х1,25-6Н
Кол-во
4
?
18
258038-П29
Шплинт 3,2х16 ОСТ 37.001.171-93
Кол-во
4
?
19
20-2906040
Подушка штанги стабилизатора передней подвески
Кол-во
2
?
20
24-2906048
Обойма подушки
Кол-во
0
?
21
250511-П29
Гайка М8х1-6Н ОСТ 37.001.124-93
Кол-во
4
?
22
252155-П29
Шайба пружинная 8
Кол-во
4
?
23
24-2906060-01
Стойка стабилизатора
Кол-во
2
?
24
24-2906016
Штанга стабилизатора
Кол-во
1
?
Есть готовая заявка? Отправьте ее нам!
Если у вас уже есть список необходимых запчастей, загрузите файл с ним или укажите артикулы и названия запчастей в поле Комментарий, а также оставьте свои контактные данные. В течение рабочего дня мы оценим вашу заявку и отправим вам коммерческое предложение.
Отдел продаж

Если у вас уже есть готовая заявка на запасные части, то просто прикрепите файл с ней либо в поле «Комментарии» напишите артикулы и названия необходимых вам запчастей и оставьте контактные данные.

В течение рабочего дня мы выполним расчёт по вашей заявке и направим вам коммерческое предложение.

Только один файл.
Ограничение 128 МБ.
Допустимые типы: txt, rtf, pdf, doc, docx, odt, ppt, pptx, odp, xls, xlsx, ods.
пример: 89511234567 или +79511324567
Отправляя форму вы подтверждаете согласие с политикой обработки персональных данных.