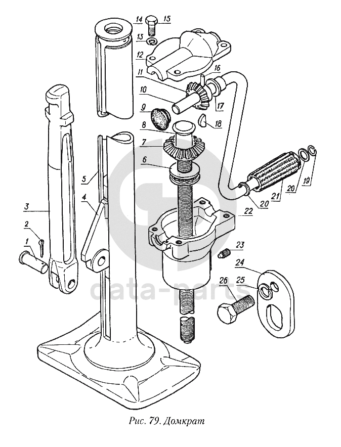
Домкрат ГАЗ-31029

%
1
260057-П29
Палец 10х28 ОСТ 37.001.163-97
Кол-во
1
?
2
258038-П29
Шплинт 3,2х16 ОСТ 37.001.171-93
Кол-во
1
?
3
24-3913452-02
Лапа
Кол-во
1
?
4
24-3913455
Кронштейн лапы
Кол-во
1
?
5
24-3913314-01
Корпус в сборе
Кол-во
1
?
6
8103
Подшипник домкрата
Кол-во
1
?
7
24-3913426
Шестерня ведомая винтового домкрата
Кол-во
1
?
8
24-3913318
Винт
Кол-во
1
?
9
24-3913414
Буфер головки
Кол-во
1
?
10
24-3913462
Вороток домкрата
Кол-во
1
?
11
24-3913348
Шестерня ведущая
Кол-во
1
?
12
24-3913422-01
Крышка
Кол-во
1
?
13
252154-П2
Шайба 6Л ОСТ 37.001.115-75
Кол-во
4
?
14
24-10-3913317
Шайба
Кол-во
1
?
15
201420-П29
Болт М6-6gх20 ОСТ 37.001.123-96
Кол-во
4
?
16
45 9841 1360
Штифт 4х20
Кол-во
1
?
17
21-1108041-Б
Втулка валика акселератора
Кол-во
1
?
18
45 9824 0256
Шпонка 3х5
Кол-во
1
?
19
24-3913465
Кольцо стопорное
Кол-во
1
?
20
293301-П29
Шайба 10
Кол-во
2
?
21
24-3913464-01
Ручка
Кол-во
1
?
22
24-3913412
Головка домкрата
Кол-во
1
?
23
290602
Винт М8х1-6hх15
Кол-во
1
?
24
24-3913467-10
Упор винтового домкрата
Кол-во
4
?
25
252157-П8
Шайба 12 пружинная
Кол-во
4
?
26
201561-П29
Болт М12х1,25-6gх25 ОСТ 37.001.123-96
Кол-во
4
?
Есть готовая заявка? Отправьте ее нам!
Если у вас уже есть список необходимых запчастей, загрузите файл с ним или укажите артикулы и названия запчастей в поле Комментарий, а также оставьте свои контактные данные. В течение рабочего дня мы оценим вашу заявку и отправим вам коммерческое предложение.
Отдел продаж

Если у вас уже есть готовая заявка на запасные части, то просто прикрепите файл с ней либо в поле «Комментарии» напишите артикулы и названия необходимых вам запчастей и оставьте контактные данные.

В течение рабочего дня мы выполним расчёт по вашей заявке и направим вам коммерческое предложение.

Только один файл.
Ограничение 128 МБ.
Допустимые типы: txt, rtf, pdf, doc, docx, odt, ppt, pptx, odp, xls, xlsx, ods.
пример: 89511234567 или +79511324567
Отправляя форму вы подтверждаете согласие с политикой обработки персональных данных.