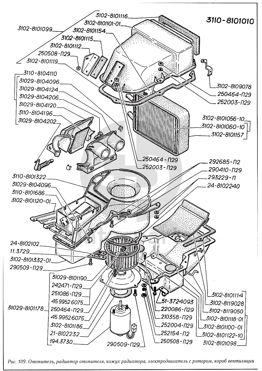
Отопитель, радиатор отопителя, кожух радиатора, электродвигатель с ротором, короб вентиляции ГАЗ-3110

None
3102-8101332-01
Кожух отопителя
Кол-во
0
?
None
3102-8101101-01
Крышка кожуха
Кол-во
0
?
None
3102-8101154
Держатель отопителя в сборе
Кол-во
0
?
None
3102-8101115
Прокладка кронштейна
Кол-во
0
?
None
3102-8101112
Кронштейн кожуха
Кол-во
0
?
None
3102-8101119
Прокладка крышки
Кол-во
0
?
None
3102-8101099
Крышка кожуха радиатора отопителя в сборе
Кол-во
0
?
None
290509-П29
Болт М6-6gх25
Кол-во
0
?
None
292685-П2
Гайка М6
Кол-во
0
?
None
21-8102232
Прокладка электродвигателя вентилятора
Кол-во
0
?
None
45 9952 6075
Шайба 5,2
Кол-во
0
?
None
31029-8104096
Скоба переходников отопителя
Кол-во
0
?
None
3102-8101116
Уплотнитель крышки
Кол-во
0
?
None
293229-П
Шайба 6
Кол-во
0
?
None
24-8102102
Прокладка сопротивления
Кол-во
0
?
None
31029-8101178
Электродвигатель с ротором
Кол-во
0
?
None
31029-8101190
Ротор электродвигателя
Кол-во
0
?
None
3102-8101186
Диск электродвигателя
Кол-во
0
?
None
210358-П29
Болт М6-6gх20 ОСТ 37.001.106-75
Кол-во
0
?
None
24-8102240
Прокладка диска электродвигателя
Кол-во
0
?
None
3102-8101098
Кожух радиатора отопителя в сборе
Кол-во
0
?
None
3102-8101100-01
Кожух радиатора
Кол-во
0
?
None
3102-8119050
Ось заслонки короба
Кол-во
0
?
None
3102-8101114
Прокладка кожуха
Кол-во
0
?
None
3102-8119028
Заслонка короба воздухозаборника с уплотнителем в сборе
Кол-во
0
?
None
251086-П29
Гайка М5-6Н ОСТ 37.001.112-91
Кол-во
0
?
None
220086-П29
Винт М5-6gх30 ОСТ 37.001.127-81
Кол-во
0
?
None
252004-П29
Шайба 6 ОСТ 37.001.144-96
Кол-во
0
?
None
3102-8101118-01
Прокладка кожуха нижняя
Кол-во
0
?
None
3102-8101060-10
Радиатор отопителя
Кол-во
0
?
под заказ
цена по запросу
None
3102-8101056-10
Радиатор отопителя с прокладкой
Кол-во
0
?
None
31029-8104124
Стенка короба вентиляции задняя
Кол-во
0
?
None
31029-8104120
Стенка короба вентиляции передняя
Кол-во
0
?
None
194.3730
Электродвигатель вентилятора заднего отопителя
Кол-во
0
?
None
242471-П29
Винт М5-6gх12 ОСТ 37.001.132-82
Кол-во
0
?
None
250464-П29
Гайка М5-6Н ОСТ 37.001.124-93
Кол-во
0
?
None
11.3729
Сопротивление в электроцепи отопителя (11.3729000)
Кол-во
0
?
None
3102-8101157
Прокладка радиатора отопителя
Кол-во
0
?
None
290410-П29
Болт М5-6gх20
Кол-во
0
?
None
31029-8104202
Поводок заслонки
Кол-во
0
?
None
3110-8101010
Отопитель
Кол-во
0
?
None
51-3724093
Скоба крепления пучка проводов
Кол-во
0
?
None
252154-П2
Шайба 6Л ОСТ 37.001.115-75
Кол-во
0
?
None
250508-П29
Гайка М6-6Н ОСТ 37.001.124-93
Кол-во
0
?
None
3102-8109078
Держатель оболочки тяги
Кол-во
0
?
None
3110-8104196
Заслонка короба вентиляции
Кол-во
0
?
None
3102-8101120-01
Заслонка отопителя
Кол-во
0
?
None
3110-8104110
Короб вентиляции с заслонкой
Кол-во
0
?
None
3102-8101122-10
Направляющая кожуха
Кол-во
0
?
None
3110-8101322
Основание кожуха
Кол-во
0
?
None
3110-8101686
Ось заслонки
Кол-во
0
?
None
31029-8104206
Ось заслонки
Кол-во
0
?
None
252003-П29
Шайба 5 ОСТ 37.001.144-96
Кол-во
0
?
В наличии
3 ₽
Есть готовая заявка? Отправьте ее нам!
Если у вас уже есть список необходимых запчастей, загрузите файл с ним или укажите артикулы и названия запчастей в поле Комментарий, а также оставьте свои контактные данные. В течение рабочего дня мы оценим вашу заявку и отправим вам коммерческое предложение.
Отдел продаж

Если у вас уже есть готовая заявка на запасные части, то просто прикрепите файл с ней либо в поле «Комментарии» напишите артикулы и названия необходимых вам запчастей и оставьте контактные данные.

В течение рабочего дня мы выполним расчёт по вашей заявке и направим вам коммерческое предложение.

Только один файл.
Ограничение 128 МБ.
Допустимые типы: txt, rtf, pdf, doc, docx, odt, ppt, pptx, odp, xls, xlsx, ods.
пример: 89511234567 или +79511324567
Отправляя форму вы подтверждаете согласие с политикой обработки персональных данных.