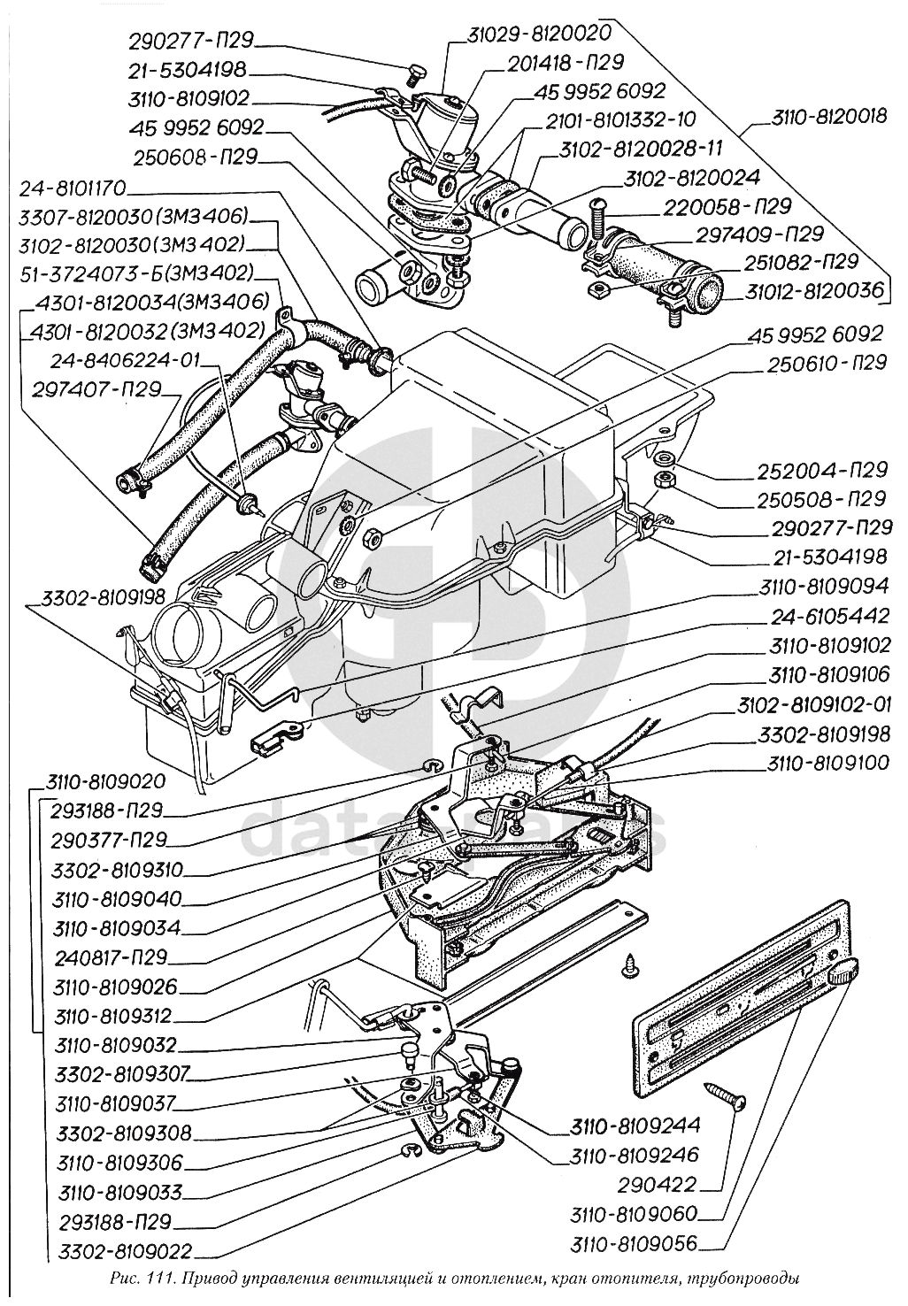
Привод управления вентиляцией и отоплением, кран отопителя, трубопроводы ГАЗ-3110

None
4301-8120034
Шланг отопителя отводящий
Кол-во
0
?
None
3102-8120024
Переходник под кран отопителя
Кол-во
0
?
None
2101-8101332-10
Прокладка крана отопителя
Кол-во
0
?
None
3102-8120028-11
Трубка крана отопителя
Кол-во
0
?
None
297407-П29
Хомут 26
Кол-во
0
?
None
31012-8120036
Шланг подводящий от крана к отопителю
Кол-во
0
?
None
290277-П29
Болт М4х8
Кол-во
0
?
None
3102-8120030
Шланг отводящий
Кол-во
0
?
None
51-3724073-Б
Скоба крепления проводов
Кол-во
0
?
None
4301-8120032
Шланг
Кол-во
0
?
None
290422
Винт 5х35
Кол-во
0
?
None
31029-8120020
Кран отопителя
Кол-во
0
?
None
250508-П29
Гайка М6-6Н ОСТ 37.001.124-93
Кол-во
0
?
None
252004-П29
Шайба 6 ОСТ 37.001.144-96
Кол-во
0
?
None
3307-8120030
Шланг подводящий
Кол-во
0
?
None
24-6105442
Зажим тяги
Кол-во
0
?
None
220058-П29
Винт М4-6gх25 ОСТ 37.001.127-81
Кол-во
0
?
None
24-8101170
Уплотнитель трубки
Кол-во
0
?
None
21-5304198
Зажим оболочки
Кол-во
0
?
None
201418-П29
Болт М6-6gх16 ОСТ 37.001.123-96
Кол-во
0
?
None
250608-П29
Гайка М6-6Н ОСТ 37.001.124-93
Кол-во
0
?
None
251082-П29
Гайка М4-6Н ОСТ 37.001.112-91
Кол-во
0
?
None
297409-П29
Хомут 24
Кол-во
0
?
None
240817-П29
Винт М4х10 ОСТ 37.001.188-81
Кол-во
0
?
None
293188-П29
Шайба 5,2 ГОСТ 11648-75
Кол-во
0
?
None
3110-8120018
Кран отопителя с трубкой и шлангом
Кол-во
0
?
None
3110-8109026
Кронштейн привода
Кол-во
0
?
None
3110-8109312
Направляющая привода
Кол-во
0
?
None
3110-8109100
Тяга управления заслонкой воздухопритока
Кол-во
0
?
None
3110-8109094
Тяга управления заслонкой отопителя
Кол-во
0
?
None
3110-8109106
Тяга управления краном
Кол-во
0
?
None
3302-8109198
Зажим оболочки
Кол-во
0
?
под заказ
цена по запросу
None
24-8406224-01
Втулка оболочки тяги привода замка капота
Кол-во
0
?
None
290377-П29
Болт М5-6gх9
Кол-во
0
?
None
250610-П29
Гайка М8-6Н ОСТ 37.001.124-93
Кол-во
0
?
None
3302-8109022
Ползун привода управления
Кол-во
0
?
None
3302-8109307
Ось рычага
Кол-во
0
?
None
3302-8109308
Шайба пружинная
Кол-во
0
?
None
3302-8109310
Шайба опорная
Кол-во
0
?
None
3110-8109244
Тяга управления заслонкой вентиляции
Кол-во
0
?
None
3110-8109040
Рычаг привода крана
Кол-во
0
?
None
3110-8109060
Облицовка привода вентиляции и отопления
Кол-во
0
?
None
3110-8109246
Оболочка тяги вентиляции
Кол-во
0
?
None
3102-8109102-01
Оболочка тяги заслонки воздухопритока
Кол-во
0
?
None
3110-8109102
Оболочка тяги крана
Кол-во
0
?
None
3110-8109306
Ось рычага длинная
Кол-во
0
?
None
3110-8109033
Поводок ползуна
Кол-во
0
?
None
3110-8109020
Привод управления вентиляцией и отоплением
Кол-во
0
?
None
3110-8109056
Ручка привода вентиляции и отопления
Кол-во
0
?
None
3110-8109037
Рычаг привода заслонки вентиляции
Кол-во
0
?
None
3110-8109034
Рычаг привода заслонки воздухопритока
Кол-во
0
?
None
3110-8109032
Рычаг привода заслонки отопителя
Кол-во
0
?
None
45 9952 6092
Шайба 6
Кол-во
0
?
Есть готовая заявка? Отправьте ее нам!
Если у вас уже есть список необходимых запчастей, загрузите файл с ним или укажите артикулы и названия запчастей в поле Комментарий, а также оставьте свои контактные данные. В течение рабочего дня мы оценим вашу заявку и отправим вам коммерческое предложение.
Отдел продаж

Если у вас уже есть готовая заявка на запасные части, то просто прикрепите файл с ней либо в поле «Комментарии» напишите артикулы и названия необходимых вам запчастей и оставьте контактные данные.

В течение рабочего дня мы выполним расчёт по вашей заявке и направим вам коммерческое предложение.

Только один файл.
Ограничение 128 МБ.
Допустимые типы: txt, rtf, pdf, doc, docx, odt, ppt, pptx, odp, xls, xlsx, ods.
пример: 89511234567 или +79511324567
Отправляя форму вы подтверждаете согласие с политикой обработки персональных данных.