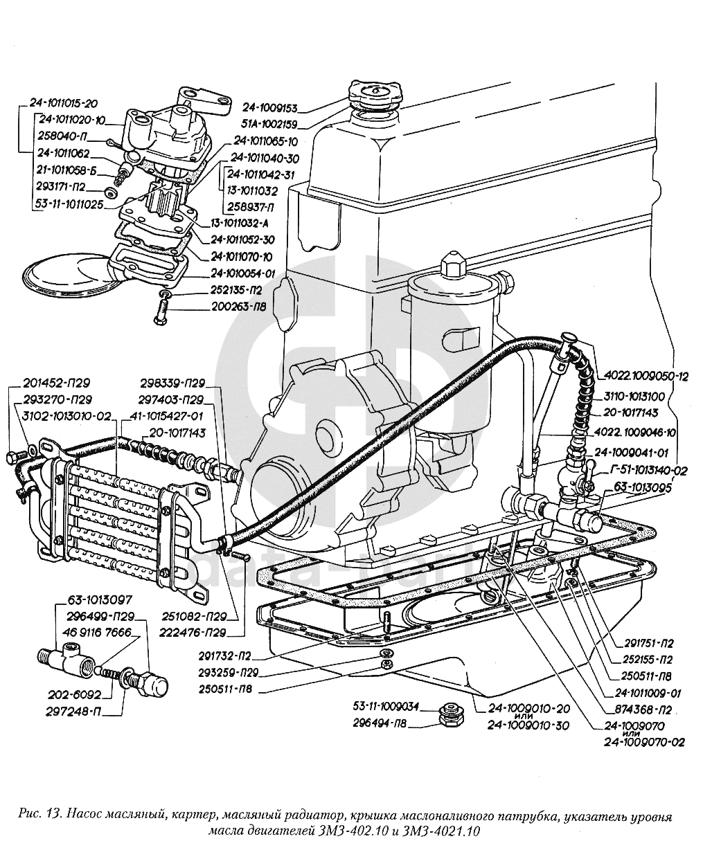
Насос масляный, картер, масляный радиатор, крышка маслоналивного патрубка, указатель уровня масла двигателей ЗМЗ-402.10 и ЗМЗ-4021.10 ГАЗ-3110

None
252155-П2
Шайба 8Л ОСТ 37.001.115-75
Кол-во
0
?
None
297248-П
Прокладка диаметром 18 пробки в сборе
Кол-во
0
?
None
296499-П29
Пробка М18х1,5х12
Кол-во
0
?
None
222476-П29
Винт М4-6gх20 ОСТ 37.001.128-96
Кол-во
0
?
None
297403-П29
Хомут 14
Кол-во
0
?
None
53-11-1009034
Шайба 18
Кол-во
0
?
None
874368-П2
Шпилька М8х1-4hх60
Кол-во
0
?
None
24-1011009-01
Насос масляный с маслоприемником
Кол-во
0
?
None
250511-П8
Гайка М8х1
Кол-во
0
?
В наличии
10 ₽
None
291751-П2
Шпилька М8х1-4hх30
Кол-во
0
?
None
63-1013095
Клапан масляного радиатора в сборе
Кол-во
0
?
None
202-6092
Пружина перепускного клапана масляного радиатора
Кол-во
0
?
None
201452-П29
Болт М8-6gх12 ОСТ 37.001.123-96
Кол-во
0
?
None
252135-П2
Шайба 8Т ОСТ 37.001.115-75
Кол-во
0
?
В наличии
4 ₽
None
24-1009010-30
Картер масляный
Кол-во
0
?
None
24-1009070-02
Прокладка масляного картера
Кол-во
0
?
None
13-1011032
Шестерня масляного насоса ведущая
Кол-во
0
?
None
251082-П29
Гайка М4-6Н ОСТ 37.001.112-91
Кол-во
0
?
None
200263-П8
Болт М8-6gх35
Кол-во
0
?
None
293259-П29
Шайба 8,5
Кол-во
0
?
None
24-1009010-20
Картер масляный в сборе
Кол-во
0
?
None
296494-П8
Пробка М18х1,5х12
Кол-во
0
?
None
291732-П2
Шпилька М8х1-4hх14
Кол-во
0
?
None
63-1013097
Корпус клапана масляного радиатора
Кол-во
0
?
None
24-1009041-01
Штуцер трубки указателя уровня масла
Кол-во
0
?
None
4022.1009046-10
Трубка указателя уровня масла в сборе
Кол-во
0
?
None
298339-П29
Штуцер КГ 1/4"
Кол-во
0
?
None
21-1011058-Б
Пружина редукционного клапана
Кол-во
0
?
None
293171-П2
Шайба 5
Кол-во
0
?
None
24-1011015-20
Корпус масляного насоса с осью в сборе
Кол-во
0
?
None
258937-П
Штифт 4х22
Кол-во
0
?
None
Г-51-1013140-02
Кран ПП6-1
Кол-во
0
?
None
20-1017143
Оболочка защитная
Кол-во
0
?
None
3102-1013010-02
Радиатор масляный
Кол-во
0
?
None
4022.1009050-12
Указатель уровня масла в сборе
Кол-во
0
?
None
293270-П
Шайба стопорная
Кол-во
0
?
None
46 9116 7666
Шарик Б11,906-60
Кол-во
0
?
None
3110-1013100
Шланг впускной
Кол-во
0
?
None
24-1011062
Плунжер редукционного клапана
Кол-во
0
?
None
258040-П
Шплинт 2,7х25
Кол-во
0
?
None
24-1010054-01
Патрубок приемный масляного насоса с сеткой
Кол-во
0
?
None
24-1011070-10
Прокладка приемного патрубка
Кол-во
0
?
None
24-1011052-30
Крышка масляного насоса
Кол-во
0
?
None
13-1011032-А
Шестерня масляного насоса ведомая
Кол-во
0
?
None
24-1011042-31
Валик масляного насоса и привода распределителя
Кол-во
0
?
None
24-1011040-30
Валик масляного насоса с ведущей шестерней
Кол-во
0
?
None
24-1011065-10
Прокладка крышки
Кол-во
0
?
None
24-1009153
Крышка маслоналивного патрубка в сборе
Кол-во
0
?
None
24-1011020-10
Корпус масляного насоса
Кол-во
0
?
None
53-11-1011025
Ось ведомой шестерни
Кол-во
0
?
None
41-1015427-01
Шланг масляного радиатора в сборе
Кол-во
0
?
Есть готовая заявка? Отправьте ее нам!
Если у вас уже есть список необходимых запчастей, загрузите файл с ним или укажите артикулы и названия запчастей в поле Комментарий, а также оставьте свои контактные данные. В течение рабочего дня мы оценим вашу заявку и отправим вам коммерческое предложение.
Отдел продаж

Если у вас уже есть готовая заявка на запасные части, то просто прикрепите файл с ней либо в поле «Комментарии» напишите артикулы и названия необходимых вам запчастей и оставьте контактные данные.

В течение рабочего дня мы выполним расчёт по вашей заявке и направим вам коммерческое предложение.

Только один файл.
Ограничение 128 МБ.
Допустимые типы: txt, rtf, pdf, doc, docx, odt, ppt, pptx, odp, xls, xlsx, ods.
пример: 89511234567 или +79511324567
Отправляя форму вы подтверждаете согласие с политикой обработки персональных данных.