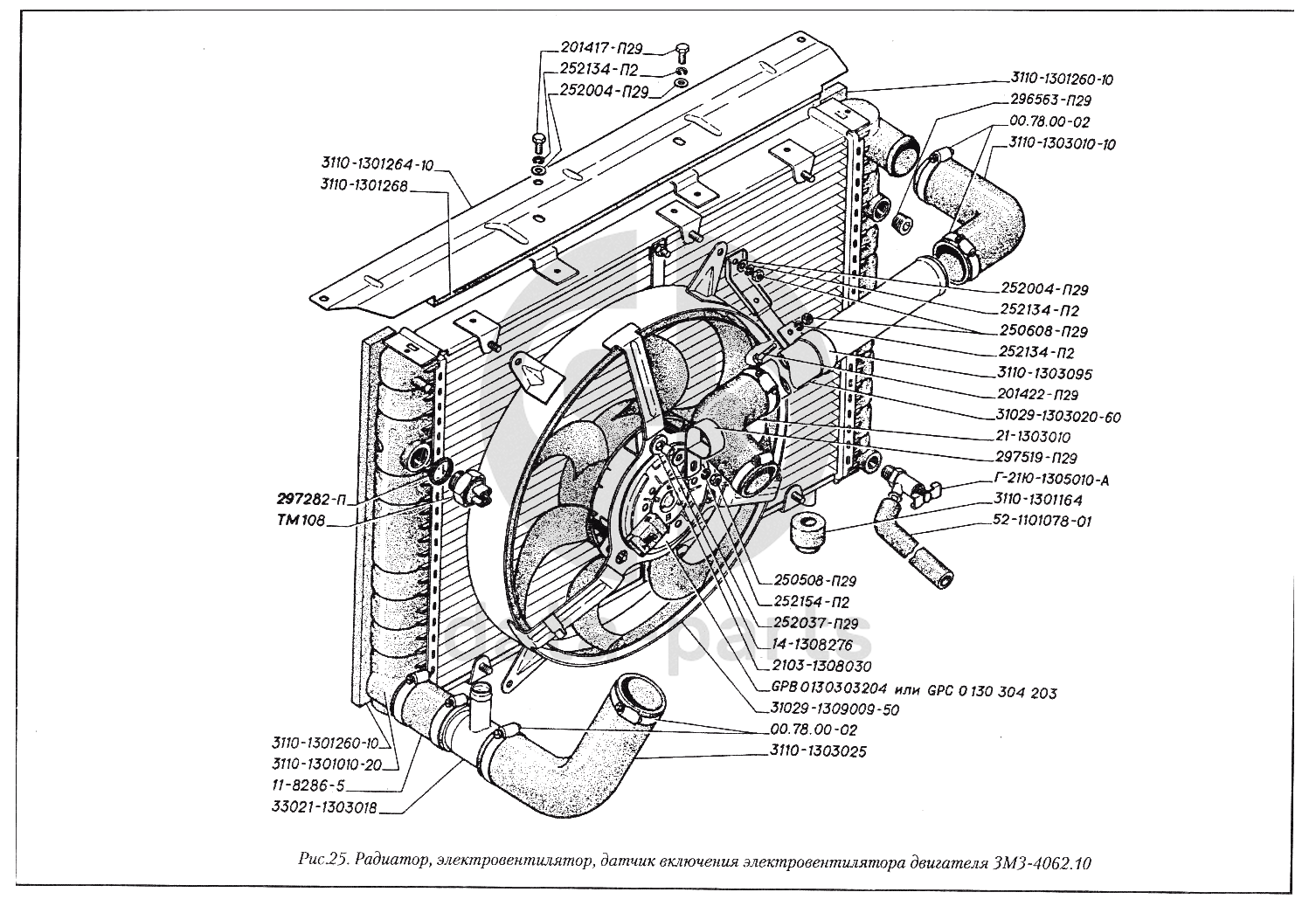
Радиатор, электровентилятор, датчик включения электровентилятора двигателя ЗМЗ-4062.10 ГАЗ-3110

None
201417-П29
Болт М6-6gх14 ОСТ 37.001.123-96
Кол-во
0
?
None
11-8286-5
Шланг отводящий
Кол-во
0
?
None
3110-1303095
Хомут
Кол-во
0
?
None
3110-1301268
Уплотнитель
Кол-во
0
?
None
31029-1303020-60
Труба радиатора подводящая
Кол-во
0
?
None
3110-1301010-20
Радиатор
Кол-во
0
?
None
3110-1301260-10
Пластина уплотняющая
Кол-во
0
?
None
3110-1301264-10
Пластина верхняя
Кол-во
0
?
None
250508-П29
Гайка М6-6Н ОСТ 37.001.124-93
Кол-во
0
?
None
252154-П2
Шайба 6Л ОСТ 37.001.115-75
Кол-во
0
?
None
201422-П29
Болт М6-6gх25 ОСТ 37.001.123-96
Кол-во
0
?
None
252004-П29
Шайба 6 ОСТ 37.001.144-96
Кол-во
0
?
None
52-1101078-01
Шланг сливного краника
Кол-во
0
?
None
250608-П29
Гайка М6-6Н ОСТ 37.001.124-93
Кол-во
0
?
None
Г-21Ю-1305010-А
Краник
Кол-во
0
?
None
3110-1303025
Шланг радиатора отводящий
Кол-во
0
?
None
СРВ 0130 303 204
Электровеитилятор (3110-3730010)
Кол-во
0
?
None
297519-П29
Скоба 34
Кол-во
0
?
None
33021-1303018
Труба радиатора отводящая
Кол-во
0
?
None
31029-1309009-50
Кожух электровентилятора
Кол-во
0
?
None
14-1308276
Втулка дистанционная крепления электровентилятора
Кол-во
0
?
None
2103-1308030
Втулка упругая крепления электровентилятора
Кол-во
0
?
None
ТМ108
Датчик включения электровентилятора (ТМ108-3808000)
Кол-во
0
?
В наличии
375 ₽
под заказ
цена по запросу
под заказ
цена по запросу
под заказ
цена по запросу
None
252037-П29
Шайба 6 ОСТ 37.001.144-96
Кол-во
0
?
None
21-1303010
Шланг
Кол-во
0
?
None
296563-П29
Пробка КГ3/8"
Кол-во
0
?
None
297282-П
Прокладка диаметром 22 пробки в сборе
Кол-во
0
?
None
3110-1303010-10
Шланг радиатора подводящий
Кол-во
0
?
None
3110-1301164
Подушка крепления радиатора
Кол-во
0
?
В наличии
65 ₽
под заказ
цена по запросу
None
00.78.00-02
Хомут 44-56 ТУ 4599-001-21511064-94
Кол-во
0
?
None
СРВ 0130 304 203
Электровентилятор (3105-3730008)
Кол-во
0
?
None
252134-П2
Шайба 6Т ОСТ 37.001.115-75
Кол-во
0
?
Есть готовая заявка? Отправьте ее нам!
Если у вас уже есть список необходимых запчастей, загрузите файл с ним или укажите артикулы и названия запчастей в поле Комментарий, а также оставьте свои контактные данные. В течение рабочего дня мы оценим вашу заявку и отправим вам коммерческое предложение.
Отдел продаж

Если у вас уже есть готовая заявка на запасные части, то просто прикрепите файл с ней либо в поле «Комментарии» напишите артикулы и названия необходимых вам запчастей и оставьте контактные данные.

В течение рабочего дня мы выполним расчёт по вашей заявке и направим вам коммерческое предложение.

Только один файл.
Ограничение 128 МБ.
Допустимые типы: txt, rtf, pdf, doc, docx, odt, ppt, pptx, odp, xls, xlsx, ods.
пример: 89511234567 или +79511324567
Отправляя форму вы подтверждаете согласие с политикой обработки персональных данных.