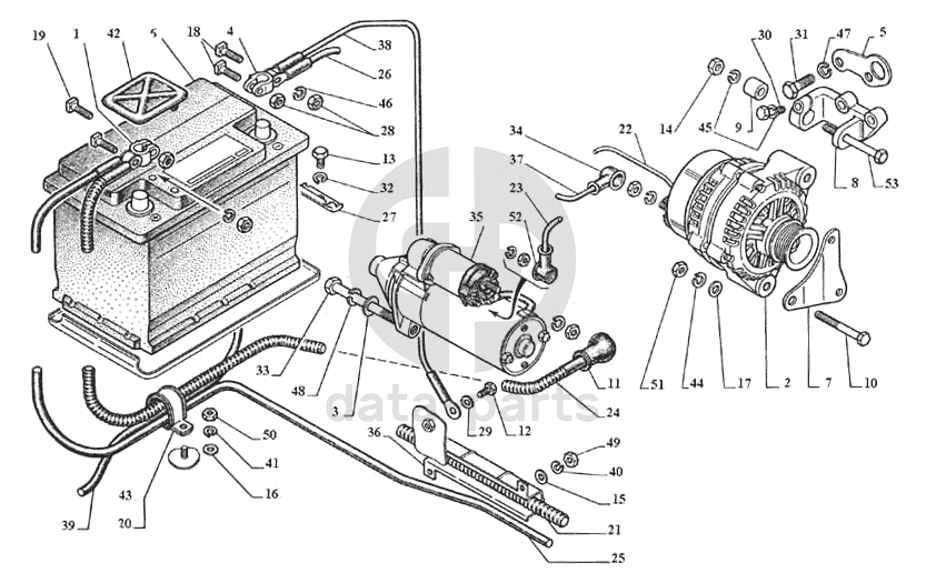
Аккумуляторная батарея, генератор, стартер, жгуты и провода ГАЗ-3111

1
330701-3724310
Наконечник
Кол-во
0
?
2
7702.3701
Генератор 14В 105А
Кол-во
0
?
3
874609-П29
Шайба 10
Кол-во
0
?
4
33078-3724310
Наконечник
Кол-во
0
?
5
406.1002356-10
Кронштейн подъема двигателя передний
Кол-во
0
?
6
6СТ-55ПМА
Батарея аккумуляторная (НАКИ.563412.005)
Кол-во
0
?
7
406-3701028-21
Кронштейн генератора нижний
Кол-во
0
?
8
406.3701030
Кронштейн генератора
Кол-во
0
?
9
406.3701036-10
Втулка верхнего кронштейна
Кол-во
0
?
10
406.3701500-01
Болт М8
Кол-во
0
?
11
40П-3724240
Колпачок защитный клеммы стартера
Кол-во
0
?
12
201417-П29
Болт М6-6gх14 ОСТ 37.001.123-96
Кол-во
0
?
13
201454-П29
Болт М8-6gх16 ОСТ 37.001.123-96
Кол-во
0
?
14
250510-П29
Гайка М8-6Н ОСТ 37.001.124-93
Кол-во
0
?
15
252004-П29
Шайба 6 ОСТ 37.001.144-96
Кол-во
0
?
16
252004-П29
Шайба 6 ОСТ 37.001.144-96
Кол-во
0
?
17
252005-П29
Шайба 8 ОСТ 37.001.144-96
Кол-во
0
?
18
290659-П16
Болт М8-6gх30
Кол-во
0
?
19
290659-П16
Болт М8-6gх30
Кол-во
0
?
20
3110-3761162
Прокладка уплотнительная
Кол-во
0
?
21
3111-3724015-03
Жгут 15
Кол-во
0
?
22
3111-3724015-03
Жгут 15
Кол-во
0
?
23
3111-3724015-03
Жгут 15
Кол-во
0
?
24
3111-3724050
Провод
Кол-во
0
?
25
3111-3724140
Провод
Кол-во
0
?
26
3111-3724150
Провод
Кол-во
0
?
27
3102-3703036
Планка крепления аккумуляторной батареи
Кол-во
0
?
28
4599524-026
Гайка М8
Кол-во
0
?
29
4599526-092
Шайба 6
Кол-во
0
?
30
201460-П29
Болт М8-6gх30 ОСТ 37.001.123-96
Кол-во
0
?
31
201501-П29
Болт М10-6gх35 ОСТ 37.001.123-96
Кол-во
0
?
32
252135-П2
Шайба 8Т ОСТ 37.001.115-75
Кол-во
0
?
В наличии
4 ₽
33
291506-П29
Болт М10-6gх110
Кол-во
0
?
34
53А-3724244
Чехол
Кол-во
0
?
35
6012.3708
Стартер
Кол-во
0
?
В наличии
840 ₽
36
3111-3724224
Кожух
Кол-во
0
?
37
3111-3724377
Провод
Кол-во
0
?
38
3111-3724566
Провод
Кол-во
0
?
39
3111-3862150
Жгут АБС
Кол-во
0
?
40
252154-П2
Шайба 6Л ОСТ 37.001.115-75
Кол-во
0
?
41
252154-П2
Шайба 6Л ОСТ 37.001.115-75
Кол-во
0
?
42
31029-3703077
Козырек защитный аккумуляторной батареи
Кол-во
0
?
43
297519-П29
Скоба 34
Кол-во
0
?
44
252155-П2
Шайба 8Л ОСТ 37.001.115-75
Кол-во
0
?
45
252155-П2
Шайба 8Л ОСТ 37.001.115-75
Кол-во
0
?
46
252155-П2
Шайба 8Л ОСТ 37.001.115-75
Кол-во
0
?
47
252156-П2
Шайба 10Л ОСТ 37.001.115-75
Кол-во
0
?
48
252156-П2
Шайба 10Л ОСТ 37.001.115-75
Кол-во
0
?
49
250508-П29
Гайка М6-6Н ОСТ 37.001.124-93
Кол-во
0
?
50
250508-П29
Гайка М6-6Н ОСТ 37.001.124-93
Кол-во
0
?
51
250510-П29
Гайка М8-6Н ОСТ 37.001.124-93
Кол-во
0
?
52
24-3724244
Чехол на клемму генератора
Кол-во
0
?
53
200279-П29
Болт М8-6gх100
Кол-во
0
?
В наличии
40 ₽
Есть готовая заявка? Отправьте ее нам!
Если у вас уже есть список необходимых запчастей, загрузите файл с ним или укажите артикулы и названия запчастей в поле Комментарий, а также оставьте свои контактные данные. В течение рабочего дня мы оценим вашу заявку и отправим вам коммерческое предложение.
Отдел продаж

Если у вас уже есть готовая заявка на запасные части, то просто прикрепите файл с ней либо в поле «Комментарии» напишите артикулы и названия необходимых вам запчастей и оставьте контактные данные.

В течение рабочего дня мы выполним расчёт по вашей заявке и направим вам коммерческое предложение.

Только один файл.
Ограничение 128 МБ.
Допустимые типы: txt, rtf, pdf, doc, docx, odt, ppt, pptx, odp, xls, xlsx, ods.
пример: 89511234567 или +79511324567
Отправляя форму вы подтверждаете согласие с политикой обработки персональных данных.