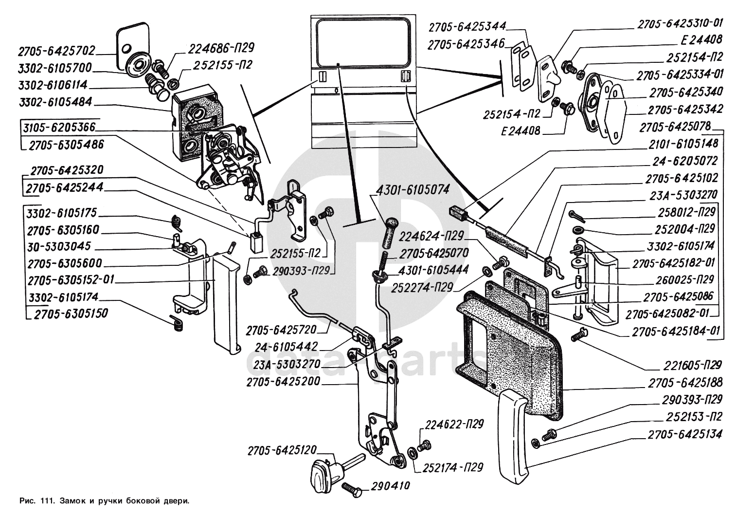
Замок и ручки боковой двери ГАЗ-2217 (Соболь)

None
258012-П29
Шплинт 2х12 ОСТ 37.001.171-93
Кол-во
0
?
None
2705-6425720
Тяга выключения замка промежуточная
Кол-во
0
?
None
3302-6105700
Шайба 12,4
Кол-во
0
?
None
3302-6106114
Шип фиксатора двери
Кол-во
0
?
None
290393-П29
Болт М5-6gх12
Кол-во
0
?
None
252155-П2
Шайба 8Л ОСТ 37.001.115-75
Кол-во
0
?
None
2101-6105148
Наконечник тяги выключения замка двери
Кол-во
0
?
None
24-6105442
Зажим тяги
Кол-во
0
?
None
24-6205072
Чехол тяги
Кол-во
0
?
None
30-5303045
Буфер
Кол-во
0
?
None
4301-6105444
Втулка наконечника тяги выключения замка
Кол-во
0
?
None
3105-6205366
Втулка рычагов внутреннего замка
Кол-во
0
?
None
2705-6425070
Тяга выключения замка
Кол-во
0
?
None
2705-6425102
Тяга внутреннего привода боковой двери
Кол-во
0
?
None
2705-6305150
Ручка двери наружная в сборе
Кол-во
0
?
В наличии
250 ₽
В наличии
285 ₽
None
221605-П29
Винт М6-6gх16
Кол-во
0
?
None
2705-6425120
Выключатель замка двери
Кол-во
0
?
None
3302-6105484
Запорный механизм замка правый
Кол-во
0
?
None
2705-6425320
Кронштейн рычага привода
Кол-во
0
?
None
2705-6425200
Механизм выключения замка боковой двери
Кол-во
0
?
None
2705-6305486
Механизм замка боковой и задней дверей рычажный
Кол-во
0
?
В наличии
585 ₽
None
2705-6425086
Основание привода замка двери
Кол-во
0
?
None
260025-П29
Ось крышки
Кол-во
0
?
None
2705-6425188
Розетка внутреннего привода
Кол-во
0
?
None
2705-6305160
Розетка наружной ручки двери
Кол-во
0
?
None
2705-6425134
Ручка боковой двери наружная передняя
Кол-во
0
?
None
4301-6105074
Наконечник тяги выключения замка двери
Кол-во
0
?
None
3302-6105175
Пружина наружной ручки двери левая
Кол-во
0
?
None
2705-6425342
Пластина регулировочная
Кол-во
0
?
None
2705-6425344
Пластина регулировочная
Кол-во
0
?
None
2705-6425346
Пластина регулировочная
Кол-во
0
?
None
2705-6425702
Пластина шипа фиксатора боковой двери
Кол-во
0
?
None
2705-6425078
Привод замка боковой двери внутренний с тягой
Кол-во
0
?
None
2705-6425082-01
Привод замка двери внутренний
Кол-во
0
?
None
2705-6425184-01
Прокладка привода замка
Кол-во
0
?
None
2705-6425182-01
Ручка внутреннего привода
Кол-во
0
?
None
2705-6305152-01
Ручка двери наружная
Кол-во
0
?
None
2705-6425244
Тяга наружной ручки двери с наконечником
Кол-во
0
?
None
2705-6425310-01
Шип направляющий фиксатора
Кол-во
0
?
None
2705-6425340
Пластина регулировочная
Кол-во
0
?
None
2705-6425334-01
Корпус фиксатора
Кол-во
0
?
None
224686-П29
Винт М8х1,25-6gх25
Кол-во
0
?
None
3302-6105174
Пружина наружной ручки двери правая
Кол-во
0
?
None
252274-П29
Шайба 6 ОСТ 37.001.146-75
Кол-во
0
?
None
252004-П29
Шайба 6 ОСТ 37.001.144-96
Кол-во
0
?
None
224624-П29
Винт М6-6gх14 ОСТ 37.001.130-81
Кол-во
0
?
None
252154-П2
Шайба 6Л ОСТ 37.001.115-75
Кол-во
0
?
None
23А-5303270
Зажим тяги
Кол-во
0
?
None
Е24408
Болт СпМ6х16
Кол-во
0
?
None
224622-П29
Винт М6-6gх10 ОСТ 37.001.130-81
Кол-во
0
?
None
252174-П29
Шайба 2-6 ОСТ 37.001.145-75
Кол-во
0
?
None
252153-П2
Шайба 5Л ОСТ 37.001.115-75
Кол-во
0
?
None
290410
Болт М5-6gх20
Кол-во
0
?
None
2705-6305600
Штифт 3х15
Кол-во
0
?
Есть готовая заявка? Отправьте ее нам!
Если у вас уже есть список необходимых запчастей, загрузите файл с ним или укажите артикулы и названия запчастей в поле Комментарий, а также оставьте свои контактные данные. В течение рабочего дня мы оценим вашу заявку и отправим вам коммерческое предложение.
Отдел продаж

Если у вас уже есть готовая заявка на запасные части, то просто прикрепите файл с ней либо в поле «Комментарии» напишите артикулы и названия необходимых вам запчастей и оставьте контактные данные.

В течение рабочего дня мы выполним расчёт по вашей заявке и направим вам коммерческое предложение.

Только один файл.
Ограничение 128 МБ.
Допустимые типы: txt, rtf, pdf, doc, docx, odt, ppt, pptx, odp, xls, xlsx, ods.
пример: 89511234567 или +79511324567
Отправляя форму вы подтверждаете согласие с политикой обработки персональных данных.